h1_key

TI(德州仪器) INA204
德州仪器 (TI) 全系列产品在线购买
  • TI(德州仪器) INA204
  • TI(德州仪器) INA204
  • TI(德州仪器) INA204
  • TI(德州仪器) INA204
  • TI(德州仪器) INA204
  • TI(德州仪器) INA204
立即查看
您当前的位置: 首页 > 放大器 > 电流检测放大器 > 模拟电流检测放大器 > INA204
INA204

INA204

正在供货

带双路比较器的 -16V 至 80V、500kHz 电流感应放大器

产品详情
  • 说明
  • 特性
  • 参数
  • 封装 | 引脚 | 尺寸

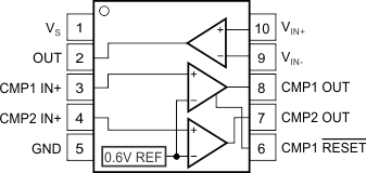
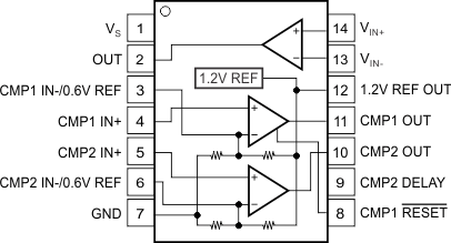
INA203、INA204 和 INA205 是一系列单向电流分流监控器,具有电压输出、两个比较器和电压基准。INA203、INA204 和 INA205 能够在 -16V 至 80V 范围内的共模电压下检测分流器两端的压降。INA203、INA204 和 INA205 可提供三种输出电压级别:20V/V、50V/V 和 100V/V,带宽高达 500kHz。

INA203、INA204 和 INA205 还整合了两个带 0.6V 内部基准的开漏比较器。14 引脚版本的比较器基准可用外部输入覆盖。比较器 1 具有锁存功能,而比较器 2 的延迟可由用户通过编程设定。此外,14 引脚版本还提供 1.2V 基准输出。

INA203、INA204 和 INA205 由 2.7V 至 18V 单电源供电。它们的额定工作温度范围为 -40°C 至 125°C。

  • 完整的电流检测解决方案
  • 有三种增益可供选择:
    • INA203 = 20V/V
    • INA204 = 50V/V
    • INA205 = 100V/V
  • 两个比较器:
    • 具有锁存功能的比较器 1
    • 带可选延迟的比较器 2
  • 共模范围:-16V 至 80V
  • 高准确度:过温条件下为 3.5%(最大值)
  • 带宽:500kHz
  • 静态电流:1.8mA
  • 封装:SO-14、TSSOP-14、VSSOP-10
Product typeAnalog output with integrated comparator
Common-mode voltage (max) (V)80
Common-mode voltage (min) (V)-16
Input offset (±) (max) (µV)2500
Input offset drift (±) (typ) (µV/°C)5
Voltage gain (V/V)50
CMRR (min) (dB)100
Bandwidth (kHz)300
Supply voltage (max) (V)18
Supply voltage (min) (V)2.7
Iq (max) (mA)2.8
Number of channels2
Comparators (#)0
Gain error (%)1
Gain error drift (±) (max) (ppm/°C)100
Slew rate (V/µs)1
FeaturesAlert Function, Low-side Capable
RatingCatalog
Operating temperature range (°C)-40 to 125
SOIC (D)1451.9 mm² 8.65 x 6
VSSOP (DGS)1014.7 mm² 3 x 4.9
产品购买
  • 商品型号
  • 封装
  • 工作温度
  • 包装
  • 价格
  • 现货库存
  • 操作
10s
温馨提示:
订单商品问题请移至我的售后服务提交售后申请,其他需投诉问题可移至我的投诉提交,我们将在第一时间给您答复
返回顶部