h1_key

TI(德州仪器) MSP430FR2422
德州仪器 (TI) 全系列产品在线购买
  • TI(德州仪器) MSP430FR2422
  • TI(德州仪器) MSP430FR2422
  • TI(德州仪器) MSP430FR2422
  • TI(德州仪器) MSP430FR2422
  • TI(德州仪器) MSP430FR2422
  • TI(德州仪器) MSP430FR2422
立即查看
您当前的位置: 首页 > 微控制器 (MCU) 和处理器 > MSP430 微控制器 > MSP430FR2422
MSP430FR2422

MSP430FR2422

正在供货

具有 8KB FRAM、2KB SRAM、10 位 ADC、UART/SPI/I2C、计时器的 16MHz MCU

产品详情
  • 说明
  • 特性
  • 参数
  • 封装 | 引脚 | 尺寸

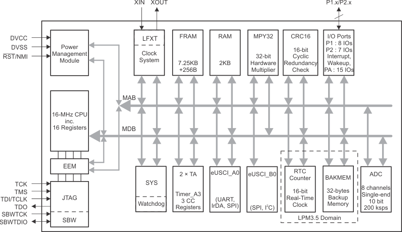
MSP430FR2422 是 MSP430™ 超值系列微控制器 (MCU) 产品组合的其中一个器件,该超值系列微控制器是 TI 成本超低的 MCU 系列,适用于感应和测量应用。MSP430FR2422 MCU 可提供 8KB 非易失性存储器并配备 8 通道 10 位 ADC。该架构、FRAM 和集成外设与多种低功耗模式相结合,针对在便携式和电池供电传感应用中延长电池寿命进行了优化。采用 16 引脚 TSSOP 或 20 引脚 VQFN 封装。

TI 的 MSP430 超低功耗 FRAM 微控制器平台将独特的嵌入式 FRAM 和全面的超低功耗系统架构相结合,从而使系统设计人员能够在降低能耗的同时提升性能。FRAM 技术兼有 RAM 的低功耗快速写入、灵活性、耐用性和闪存非易失性等特性。

MSP430FR2422 MCU 由广泛的硬件和软件生态系统进行支持,提供参考设计和代码示例,协助用户快速开展设计。开发套件包括 MSP-TS430RHL20 20 引脚目标开发板。TI 还提供免费的 MSP430Ware™ 软件,该软件以 Code Composer Studio™ IDE 桌面和云版本组件的形式提供(位于 TI Resource Explorer 中)。 E2E™ 支持论坛还为 MSP430 MCU 提供广泛的在线配套资料、培训和在线支持。

有关完整的模块说明,请参阅 《MSP430FR4xx 和 MSP430FR2xx 系列器件用户指南》

  • 嵌入式微控制器
    • 16 位 RISC 架构
    • 支持的时钟频率最高可达 16MHz
    • 1.8V 至 3.6V 的宽电源电压范围(最低电源电压受限于 SVS 电平,请参阅 SVS 规格)
  • 优化的超低功耗模式
    • 工作模式:120µA/MHz(典型值)
    • 待机: 采用 32768Hz 晶振的 LPM3.5 实时时钟 (RTC) 计数器:710nA(典型值)
    • 关断 (LPM4.5):36nA,未使用 SVS
  • 低功耗铁电 RAM (FRAM)
    • 非易失性存储器容量高达 7.5KB
    • 内置错误修正码 (ECC)
    • 可配置的写保护
    • 对程序、常量和存储的统一存储
    • 耐写次数达 1015
    • 抗辐射和非磁性
    • FRAM 与 SRAM 之比高达 4:1
  • 高性能模拟
    • 高达 8 通道 10 位模数转换器 (ADC)
      • 1.5V 的内部基准电压
      • 采样保持 200ksps
  • 智能数字外设
    • 两个 16 位计时器,每个计时器有三个捕捉/比较寄存器 (Timer_A3)
    • 一个仅用作计数器的 16 位 RTC
    • 16 位循环冗余校验 (CRC)
  • 增强型串行通信,支持引脚重映射功能(请参阅器件比较)
    • 一个 eUSCI_A 接口,支持 UART、IrDA 和 SPI
    • 一个 eUSCI_B 接口,支持 SPI 和 I2C
  • 时钟系统 (CS)
    • 片上 32kHz RC 振荡器 (REFO)
    • 带有锁频环 (FLL) 的片上 16MHz 数控振荡器 (DCO)
      • 室温下的精度为 ±1%(具有片上基准)
    • 片上超低频 10kHz 振荡器 (VLO)
    • 片上高频调制振荡器 (MODOSC)
    • 外部 32kHz 晶振 (LFXT)
    • 可编程 MCLK 预分频器(1 至 128)
    • 通过可编程预分频器(1、2、4 或 8)从 MCLK 获得的 SMCLK
  • 通用输入/输出和引脚功能
    • 共计 15 个 I/O(采用 VQFN-20 封装)
    • 15 个中断引脚(P1 和 P2)可以将 MCU 从低功耗模式下唤醒
  • 开发工具和软件
    • 开发工具
      • 目标开发板 MSP‑TS430RHL20
  • 系列成员(另请参阅器件比较)
    • MSP430FR2422:7.25KB 程序 FRAM、256B 信息 FRAM、2KB RAM
  • 封装选项
    • 20 引脚:VQFN (RHL)
    • 16 引脚:TSSOP (PW)
Frequency (MHz)16
Nonvolatile memory (kByte)8
RAM (kByte)2
ADC type10-bit SAR
Number of ADC channels8
Number of GPIOs15
FeaturesReal-time clock
UART1
USBNo
Number of I2Cs1
SPI2
Number of comparator channels0
Timers - 16-bit2
Bootloader (BSL)I2C, UART
Operating temperature range (°C)-40 to 85
RatingCatalog
TSSOP (PW)1632 mm² 5 x 6.4
VQFN (RHL)2015.75 mm² 4.5 x 3.5
产品购买
  • 商品型号
  • 封装
  • 工作温度
  • 包装
  • 价格
  • 现货库存
  • 操作

很抱歉,暂时无法提供与“MSP430FR2422”系列相匹配的产品,您可以联系专属客服快速找货或在现货搜索框中重新搜索。

10s
温馨提示:
订单商品问题请移至我的售后服务提交售后申请,其他需投诉问题可移至我的投诉提交,我们将在第一时间给您答复
返回顶部