h1_key

TI(德州仪器) MSP430FR2632
德州仪器 (TI) 全系列产品在线购买
  • TI(德州仪器) MSP430FR2632
  • TI(德州仪器) MSP430FR2632
  • TI(德州仪器) MSP430FR2632
  • TI(德州仪器) MSP430FR2632
  • TI(德州仪器) MSP430FR2632
  • TI(德州仪器) MSP430FR2632
立即查看
您当前的位置: 首页 > 微控制器 (MCU) 和处理器 > MSP430 微控制器 > MSP430FR2632
MSP430FR2632

MSP430FR2632

正在供货

具有 8 个触摸 IO(16 个传感器)、8KB FRAM、2KB SRAM、15 个 IO、10 位 ADC 的电容式触控 MCU

产品详情
  • 说明
  • 特性
  • 参数
  • 封装 | 引脚 | 尺寸

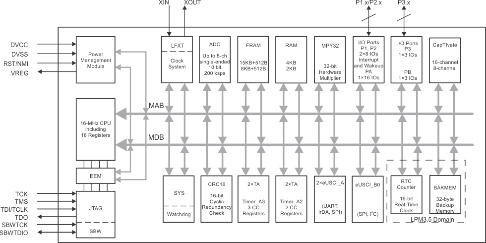
MSP430FR263x 和 MSP430FR253x 是用于电容式触控检测的超低功耗 MSP430™ 微控制器,采用 CapTIvate™ 触控技术,适用于按钮、滑块、滚轮及接近传感 应用中的数字输入 D 类音频放大器。采用 CapTIvate 技术的 MSP430 MCU 提供市面上最高集成度和自主性的电容式触控解决方案,具有高可靠性和抗噪能力以及最低功耗。TI 的电容式触控技术支持在同一设计方案中同时使用自电容式和互电容式电极,最大限度地提高了灵活性。采用 CapTIvate 技术的 MSP430 MCU 可以穿透厚玻璃、塑料外壳、金属和木材,在恶劣的环境(包括潮湿、油腻和脏污环境)中工作。

TI 电容式触控感应 MSP430 MCU 由一个由各种软、硬件资源组成的生态系统提供支持,并配套提供有参考设计和代码示例,可帮助您快速开展设计。开发套件包括 MSP-CAPT-FR2633 CapTIvate 技术开发套件。TI 还提供免费的软件,如 CapTIvate 设计中心,工程师可以在其中 借助 方便易用的 GUI 和 MSP430Ware™ 软件以及包括 CapTIvate 技术指南在内的综合性文档快速进行应用开发。

TI 的 MSP430 超低功耗 (ULP) FRAM 微控制器平台将独特的嵌入式 FRAM 和全面的超低功耗系统架构相结合,从而使系统设计人员能够在降低能耗的同时提升性能。FRAM 技术将 RAM 的低能耗快速写入、灵活性和耐用性与闪存的非易失性相结合。

有关完整的模块说明,请参阅《MSP430FR4xx 和 MSP430FR2xx 系列器件用户指南》

  • CapTIvate ™技术 – 电容式触控
    • 性能
      • 四路同步快速电极扫描
      • 支持点数高达 1024 的高分辨率滑块
      • 接近感应
    • 可靠性
      • 提高了针对电力线、射频及其他环境噪声的抗扰度
      • 内置扩展频谱、自动调优、噪声滤除和消抖算法
      • 提供可靠的触控解决方案,具有 10V RMS 共模噪声、4kV 电气快速瞬变以及 15kV 静电放电,符合 IEC‑61000-4-6、IEC‑61000-4-4 和 IEC‑61000-4-2 标准
      • 降低了射频辐射,简化了电气设计
      • 支持金属触控和防水设计
    • 灵活性
      • 多达 16 个自电容式电极和 64 个互电容式电极
      • 在同一设计中混合使用自电容式电极和互电容式电极
      • 支持多点触控功能
      • 宽电容检测范围;0 至 300pF 宽电极范围
    • 低功耗
      • 四个传感器的触摸唤醒电流小于 5µA
      • 触摸唤醒状态机支持在 CPU 休眠过程中进行电极扫描
      • 用于环境补偿、滤波和阈值检测的硬件加速
    • 易于使用
      • CapTIvate 设计中心 PC GUI 允许工程师对电容按钮进行实时设计和调试,无需编写代码
      • 存储于 ROM 中的 CapTIvate 软件库为客户应用提供充足的 FRAM
  • 嵌入式微控制器
    • 16 位 RISC 架构
    • 支持的时钟频率最高可达 16MHz
    • 3.6V 至 1.8V 的宽电源电压范围(最低电源电压受限于 SVS 电平,请参阅 SVS 规格)
  • 优化的超低功耗模式
    • 激活模式:126µA/MHz(典型值)
    • 待机模式:四个传感器的触摸唤醒电流小于 5µA
    • 采用 32768Hz 晶振的 LPM3.5 实时时钟 (RTC) 计数器:730nA(典型值)
    • 关断电流 (LPM4.5):16nA(典型值)
  • 高性能模拟
    • 8 通道 10 位模数转换器 (ADC)
      • 1.5V 的内部基准电压
      • 采样与保持 200ksps
  • 增强型串行通信
    • 两个增强型通用串行通信接口 (eUSCI_A) 支持 UART、IrDA 和 SPI
    • 一个 eUSCI (eUSCI_B) 支持 SPI 和 I2C
  • 智能数字外设
    • 四个 16 位计时器
      • 两个计时器,每个计时器具有三个捕捉/比较寄存器 (Timer_A3)
      • 两个计时器,每个计时器具有两个捕捉/比较寄存器 (Timer_A2)
    • 一个采用 CapTIvate 技术的 16 位计时器
    • 一个仅用作计数器的 16 位 RTC
    • 16 位循环冗余校验 (CRC)
  • 低功耗铁电 RAM (FRAM)
    • 容量高达 15.5KB 的非易失性存储器
    • 内置错误修正码 (ECC)
    • 可配置的写保护
    • 对程序、常量和存储的统一存储
    • 耐写次数达 1015
    • 抗辐射和非磁性
    • FRAM 与 SRAM 之比高达 4:1
  • 时钟系统 (CS)
    • 片上 32kHz RC 振荡器 (REFO)
    • 带有锁频环 (FLL) 的片上 16MHz 数控振荡器 (DCO)
      • 室温下的精度为 ±1%(具有片上基准)
    • 片上超低频 10kHz 振荡器 (VLO)
    • 片上高频调制振荡器 (MODOSC)
    • 外部 32kHz 晶振 (LFXT)
    • 可编程 MCLK 预分频器(1 至 128)
    • 通过可编程预分频器(1、2、4 或 8)从 MCLK 获得的 SMCLK
  • 通用输入/输出和引脚功能
    • 共计 19 个 I/O(采用 TSSOP-32 封装)
    • 16 个中断引脚(P1 和 P2)可以将 MCU 从低功耗模式下唤醒
  • 开发工具和软件
    • 开发工具
      • MSP CapTIvate™ MCU 开发套件评估:与 CAPTIVATE-PGMR 编程器和电容式触控 MSP430FR2633 MCU 板 CAPTIVATE‑FR2633 配合使用
      • 目标开发板 (MSP‑TS430RGE24A)
    • 易于使用的生态系统
      • CapTIvate 设计中心 – 代码生成、可自定义 GUI、实时调优
  • 系列成员(另请参阅器件比较)
    • MSP430FR2633:15KB 程序 FRAM、512 字节信息 FRAM、4KB RAM、多达 16 个自电容式传感器或 64 个互电容式传感器
    • MSP430FR2533:15KB 程序 FRAM、512 字节信息 FRAM、2KB RAM、多达 16 个自电容式传感器或 24 个互电容式传感器
    • MSP430FR2632:8KB 程序 FRAM、512 字节信息 FRAM、2KB RAM、多达 8 个自电容式传感器或 16 个互电容式传感器
    • MSP430FR2532:8KB 程序 FRAM、512 字节信息 FRAM、1KB RAM、多达 8 个自电容式传感器或 8 个互电容式传感器
  • 封装选项
    • 32 引脚:VQFN (RHB)
    • 32 引脚:TSSOP (DA)
    • 24 引脚:VQFN (RGE)
    • 24 引脚:DSBGA (YQW)
Frequency (MHz)16
Nonvolatile memory (kByte)8
RAM (kByte)2
ADC type10-bit SAR
Number of ADC channels8
Number of GPIOs15
FeaturesAdvanced sensing, Real-time clock
UART2
USBNo
Number of I2Cs1
SPI2
Number of comparator channels0
Timers - 16-bit4
Bootloader (BSL)I2C, UART
Special I/OCapTIvate Touch I/O
Operating temperature range (°C)-40 to 85
RatingCatalog
DSBGA (YQW)244.84 mm² 2.2 x 2.2
VQFN (RGE)2416 mm² 4 x 4
产品购买
  • 商品型号
  • 封装
  • 工作温度
  • 包装
  • 价格
  • 现货库存
  • 操作

很抱歉,暂时无法提供与“MSP430FR2632”系列相匹配的产品,您可以联系专属客服快速找货或在现货搜索框中重新搜索。

10s
温馨提示:
订单商品问题请移至我的售后服务提交售后申请,其他需投诉问题可移至我的投诉提交,我们将在第一时间给您答复
返回顶部