h1_key

TI(德州仪器) TMS320F28068F
德州仪器 (TI) 全系列产品在线购买
  • TI(德州仪器) TMS320F28068F
  • TI(德州仪器) TMS320F28068F
  • TI(德州仪器) TMS320F28068F
  • TI(德州仪器) TMS320F28068F
  • TI(德州仪器) TMS320F28068F
  • TI(德州仪器) TMS320F28068F
立即查看
您当前的位置: 首页 > 微控制器 (MCU) 和处理器 > C2000 实时微控制器 > TMS320F28068F
TMS320F28068F

TMS320F28068F

正在供货

具有 90MHz 频率、FPU、VCU、256KB 闪存、InstaSPIN-FOC 的 C2000™ 32 位 MCU

产品详情
  • 说明
  • 特性
  • 参数
  • 封装 | 引脚 | 尺寸

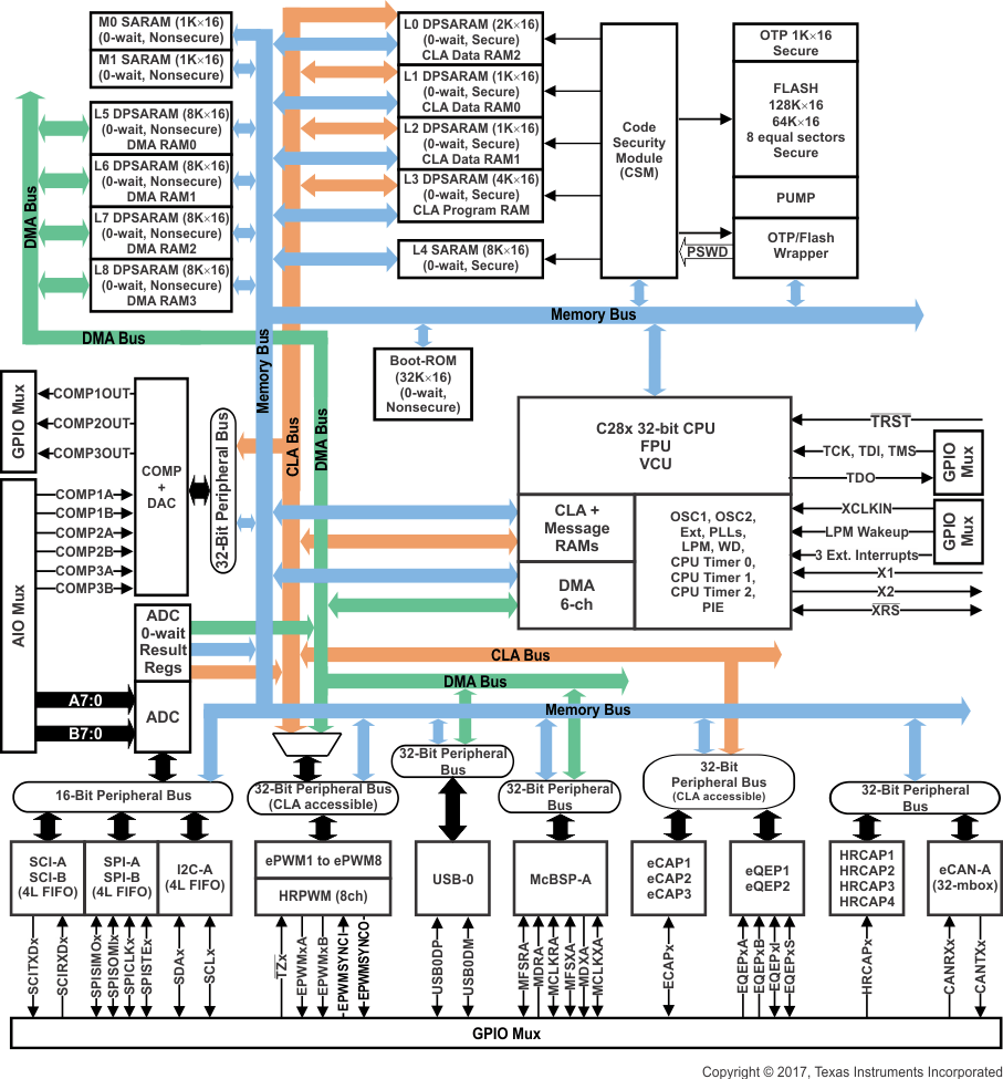
C2000™ 32 位微控制器针对处理、感应和驱动进行了优化,可提高实时控制应用(如工业电机驱动器光伏逆变器和数字电源电动汽车和运输电机控制以及感应和信号处理)的闭环性能。C2000 系列包括高级性能 MCU入门级性能 MCU

F2806x 系列微控制器 (MCU) 为 C28x 内核以及与引脚较少的器件中高度集成的控制外设耦合的 CLA 供电。该系列器件的代码与基于 C28x 的旧版代码兼容,同时具有较高的模拟集成度。

一个内部稳压器实现了单电源轨运行。对 HRPWM 模块实施了改进,以提供双边缘控制 (调频)。器件内还新增了采用 10 位内部基准的模拟比较器,可通过与其直接相连来控制 ePWM 输出。ADC 可在 0V 至 3.3V 的固定满量程范围内实施转换,支持 VREFHI/VREFLO 基准的比例运算。ADC 接口已针对低开销和延迟进行了优化。

如需详细了解 C2000 MCU,请访问“C2000 概述”,地址为 www.ti.com/c2000

  • 高效 32 位 CPU (TMS320C28x)
    • 90MHz(11.11ns 周期时间)
    • 16 × 16 和 32 × 32 乘法和累加 (MAC) 运算
    • 16 × 16 双 MAC
    • 哈佛 (Harvard) 总线架构
    • 连动运算
    • 快速中断响应和处理
    • 统一存储器编程模型
    • 高效代码(使用 C/C++ 和汇编语言)
  • 浮点单元 (FPU)
    • 原生单精度浮点运算
  • 可编程控制律加速器 (CLA)
    • 32 位浮点数学加速器
    • 独立于主 CPU 之外的代码执行
  • Viterbi、复杂数学、CRC 单元 (VCU)
    • 扩展了 C28x 指令集以支持复杂的乘法、Viterbi 运算和循环冗余校验 (CRC)
  • 嵌入式存储器
    • 高达 256KB 的闪存
    • 高达 100KB 的随机存取存储器 (RAM)
    • 2KB 一次性可编程 (OTP) ROM
  • 6 通道直接内存存取 (DMA)
  • 低器件和系统成本
    • 3.3V 单电源
    • 无需电源排序
    • 集成型加电复位和欠压复位
    • 低功耗操作模式
    • 无模拟支持引脚
  • 字节序:小端字节序
  • 支持 JTAG 边界扫描
    • IEEE 标准 1149.1-1990 标准测试访问端口和边界扫描架构
  • 计时
    • 两个内部零引脚振荡器
    • 片载晶体振荡器/外部时钟输入
    • 看门狗计时器模块
    • 丢失时钟检测电路
  • 可支持所有外设中断的外设中断扩展 (PIE) 模块
  • 三个 32 位 CPU 计时器
  • 高级控制外设
  • 多达 8 个增强型脉冲宽度调制器 (ePWM) 模块
    • 总共 16 个 PWM 通道(可支持 8 个 HRPWM)
    • 每个模块中的独立 16 位计时器
  • 3 个输入增强型捕捉 (eCAP) 模块
  • 多达 4 个高分辨率捕捉 (HRCAP) 模块
  • 多达 2 个增强型正交编码器脉冲 (eQEP) 模块
  • 12 位模数转换器 (ADC),具有双路采样保持 (S/H) 功能
    • 高达 3.46MSPS
    • 高达 16 通道
  • 片上温度传感器
  • 128 位安全密钥和锁
    • 保护安全内存块
    • 防止固件逆向工程
  • 串行端口外设
    • 两个串行通信接口 (SCI) [UART] 模块
    • 两个串行外设接口 (SPI) 模块
    • 一条内部集成电路 (I2C) 总线
    • 一个多通道缓冲串行端口 (McBSP) 总线
    • 一个增强型控制器局域网络 (eCAN)
    • 通用串行总线 (USB) 2.0 (关于可用性,请参阅器件比较表)
      • 全速器件模式
      • 全速或低速主机模式
  • 多达 54 个具有输入滤波功能的独立可编程、多路复用通用输入/输出 (GPIO) 引脚
  • 高级调试特性
    • 分析和断点功能
    • 通过硬件进行实时调试
  • 封装选项
    • 80 引脚 PFP 和 100 引脚 PZP PowerPAD™ 耐热增强型薄型四方扁平封装 (HTQFP)
    • 80 引脚 PN 和 100 引脚 PZ 薄型四方扁平封装 (LQFP)
  • 温度选项
    • T:–40°C 至 105°C
    • S:–40°C 至 125°C
    • Q:–40°C 至 125°C 的环境温度范围(通过针对汽车应用的 AEC Q100 认证)
CPUC28x
Frequency (MHz)90
Flash memory (kByte)256
RAM (kByte)100
ADC resolution (Bps)12
Total processing (MIPS)90
FeaturesFPU32
UART2
CAN (#)1
Sigma-delta filter0
PWM (Ch)14, 16
TI functional safety categoryFunctional Safety Quality-Managed
Number of ADC channels12, 16
Direct memory access (Ch)6
SPI2
QEP1, 2
USBYes
Operating temperature range (°C)-40 to 105
RatingCatalog
Communication interfaceCAN, I2C, SPI, UART
LQFP (PN)80196 mm² 14 x 14
LQFP (PZ)100256 mm² 16 x 16
产品购买
  • 商品型号
  • 封装
  • 工作温度
  • 包装
  • 价格
  • 现货库存
  • 操作

很抱歉,暂时无法提供与“TMS320F28068F”系列相匹配的产品,您可以联系专属客服快速找货或在现货搜索框中重新搜索。

10s
温馨提示:
订单商品问题请移至我的售后服务提交售后申请,其他需投诉问题可移至我的投诉提交,我们将在第一时间给您答复
返回顶部