h1_key

TI(德州仪器) TMS320DM335
德州仪器 (TI) 全系列产品在线购买
  • TI(德州仪器) TMS320DM335
  • TI(德州仪器) TMS320DM335
  • TI(德州仪器) TMS320DM335
  • TI(德州仪器) TMS320DM335
  • TI(德州仪器) TMS320DM335
  • TI(德州仪器) TMS320DM335
立即查看
您当前的位置: 首页 > 微控制器 (MCU) 和处理器 > 数字信号处理器 (DSP) > TMS320DM335
TMS320DM335

TMS320DM335

正在供货

数字媒体片上系统 (DMSoC)

产品详情
  • 说明
  • 特性
  • 参数
  • 封装 | 引脚 | 尺寸

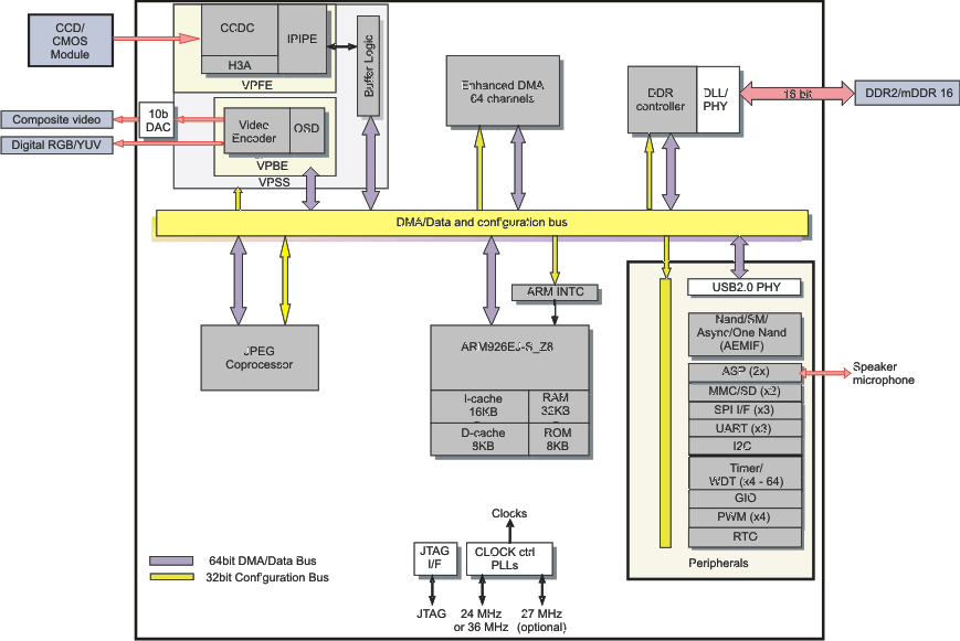
The DM335 processor is a low-cost, low-power processor providing advanced graphical user interface for display applications that do not require video compression and decompression. Coupled with a video processing subsystem (VPSS) that provides 720p display, the DM335 processor is powered by a 135/216-MHz ARM926EJ-S core so developers can create feature-rich graphical user interfaces allowing customers to interact with their portable, electronic devices such as video-enabled universal remote controls, Internet radio, e-books, video doorbells, and digital telescopes. The new DM335 is packed with the same peripherals as its predecessor, the TMS320DM355 device, including high-speed USB 2.0 on-the-go, external memory interface (EMIF), mobile DDR/DDR2, two SDIO ports, three UART Ports, two Audio Serial Ports, three SPI Ports, and SLC/MCL NAND Flash memory support. These peripherals help customers create DM335 processor-based designs that add video and audio excitement to a wide range of today's static user-interface applications while keeping silicon costs and power consumption low. The new digital media processor is completely scalable with the DM355 processor and Digital Video Evaluation Board (DVEVM), allowing customers to utilize their same code for their new DM335 processor focused designs.

The new DM335 device delivers a sophisticated suite of capabilities allowing for flexible image capture and display. Through its user interface technology, such as a four-level on-screen display, developers are able to create picture-within-picture and video-within-video as well as innovative graphic user interfaces. This is especially important for portable products that require the use of button or touch screen, such as portable karaoke, video surveillance and electronic gaming applications. Additional advanced capture and imaging technologies include support for CCD/CMOS image sensors, resize capability and video stabilization. The 1280-by-960-pixel digital LCD connection runs on a 75-MHz pixel clock and supports TV composite output for increased expandability. This highly integrated device is packaged in a 13 x 13 mm, 337 pin , 0.65 mm pitch BGA package.

The DM335 processor core is an ARM926EJ-S RISC processor. The ARM926EJ-S is a 32-bit processor core that performs 32-bit and 16-bit instructions and processes 32-bit, 16-bit, and 8-bit data. The core uses pipelining so that all parts of the processor and memory system can operate continuously. The ARM core incorporates:

  • A coprocessor 15 (CP15) and protection module
  • Data and program Memory Management Units (MMUs) with table look-aside buffers.
  • Separate 16K-byte instruction and 8K-byte data caches. Both are four-way associative with virtual index virtual tag (VIVT).

The DM335 device has a Video Processing Subsystem (VPSS) with two configurable video/imaging peripherals:

  • A Video Processing Front-End (VPFE)
  • A Video Processing Back-End (VPBE)

The VPFE port provides an interface for CCD/CMOS imager modules and video decoders. The VPBE provides hardware On Screen Display (OSD) support and composite NTSC/PAL and digital LCD output.

The DM335 peripheral set includes:

  • An inter-integrated circuit (I2C) Bus interface
  • Two audio serial ports (ASP)
  • Three 64-bit general-purpose timers each configurable as two independent 32-bit timers
  • A 64-bit watchdog timer
  • Up to 104-pins of general-purpose input/output (GPIO) with programmable interrupt/event generation modes, multiplexed with other peripherals
  • Three UARTs with hardware handshaking support on one UART
  • Three serial port Interfaces (SPI)
  • Four pulse width modulator (PWM) peripherals
  • Four real time out (RTO) outputs
  • Two Multi-Media Card / Secure Digital (MMC/SD/SDIO) interfaces
  • Wireless interfaces (Bluetooth, WLAN, WUSB) through SDIO
  • A USB 2.0 full and high-speed device and host interface
  • Two external memory interfaces:
    • An asynchronous external memory interface (AEMIF) for slower memories/peripherals such as NAND and OneNAND,
    • A high speed synchronous memory interface for DDR2/mDDR.

For software development support the DM335 has a complete set of ARM development tools which include: C compilers, assembly optimizers to simplify programming and scheduling, and a Windows™debugger interface for visibility into source code execution.

  • Highlights
    • High-Performance Digital Media System-On-Chip (DMSoC)
    • Up to 216-MHz ARM926EJ-STM Clock Rate
    • Digital HDTV (720p/1080i) output for connection to external encoder
    • Video Processing Subsystem
      • Hardware IPIPE for Real-Time Image Processing
      • Up to 14-bit CCD/CMOS Digital Interface
      • Histogram Module
      • Resize Image 1/16x to 8x
      • Hardware On-Screen Display
      • Up to 75-MHz Pixel Clock
      • Composite NTSC/PAL video encoder output
    • Peripherals include DDR and mDDR SDRAM, 2 MMC/SD/SDIO and SmartMedia Flash Card Interfaces, USB 2.0, 3 UARTs and 3 SPIs
    • Enhanced Direct-Memory-Access (EDMA)
    • Configurable Power-Saving Modes
    • On-Chip ARM ROM Bootloader (RBL) to Boot From NAND Flash, MMC/SD, or UART
    • 3.3-V and 1.8-V I/O, 1.3-V Core
    • Debug Interface Support
    • Up to 104 General-Purpose I/O (GPIO) Pins
    • 337-Pin Ball Grid Array at 65 nm Process Technology
  • High-Performance Digital Media System-on-Chip
    • 135-, 216-MHz ARM926EJ-S™ Clock Rate
    • Fully Software-Compatible With ARM™
    • Extended Temperature 135- and 216-MHz Devices are Available
  • ARM926EJ-S Core
    • Support for 32-Bit and 16-Bit (Thumb Mode) Instruction Sets
    • DSP Instruction Extensions and Single Cycle MAC
    • ARM® Jazelle® Technology
    • EmbeddedICE-RT™ Logic for Real-Time Debug
  • ARM9 Memory Architecture
    • 16K-Byte Instruction Cache
    • 8K-Byte Data Cache
    • 32K-Byte RAM
    • 8K-Byte ROM
    • Little Endian
  • Video Processing Subsystem
    • Front End Provides:
      • Hardware IPIPE for Real-Time Image Processing
      • Up to 14-bit CCD/CMOS Digital Interface
      • 16-/8-bit Generic YcBcR-4:2 Interface (BT.601)
      • 10-/8-bit CCIR6565/BT655 Interface
      • Up to 75-MHz Pixel Clock
      • Histogram Module
      • Resize Engine
        • Resize Images From 1/16x to 8x
        • Separate Horizontal/Vertical Control
        • Two Simultaneous Output Paths
    • Back End Provides:
      • Hardware On-Screen Display (OSD)
      • Composite NTSC/PAL video encoder output
      • 8-/16-bit YCC and Up to 18-Bit RGB666 Digital Output
      • BT.601/BT.656 Digital YCbCr 4:2:2 (8-/16-Bit) Interface
      • Digital HDTV (720p/1080i)output for connection to external encoder
  • External Memory Interfaces (EMIFs)
    • DDR2 and mDDR SDRAM 16-bit wide EMIF With 256 MByte Address Space (1.8-V I/O)
    • Asynchronous16-/8-bit Wide EMIF (AEMIF)
      • Flash Memory Interfaces
        • NAND (8-/16-bit Wide Data)
        • OneNAND(16-bit Wide Data)
  • Flash Card Interfaces
    • Two Multimedia Card (MMC) / Secure Digital (SD/SDIO)
    • SmartMedia
  • Enhanced Direct-Memory-Access (EDMA) Controller (64 Independent Channels)
  • USB Port with Integrated 2.0 High-Speed PHY that Supports
    • USB 2.0 Full and High-Speed Device
    • USB 2.0 Low, Full, and High-Speed Host
  • Three 64-Bit General-Purpose Timers (each configurable as two 32-bit timers)
  • One 64-Bit Watch Dog Timer
  • Three UARTs (One fast UART with RTS and CTS Flow Control)
  • Three Serial Port Interfaces (SPI) each with two Chip-Selects
  • One Master/Slave Inter-Integrated Circuit (I2C) Bus®
  • Two Audio Serial Port (ASP)
    • I2S and TDM I2S
    • AC97 Audio Codec Interface
    • S/PDIF via Software
    • Standard Voice Codec Interface (AIC12)
    • SPI Protocol (Master Mode Only)
  • Four Pulse Width Modulator (PWM) Outputs
  • Four RTO (Real Time Out) Outputs
  • Up to 104 General-Purpose I/O (GPIO) Pins (Multiplexed with Other Device Functions)
  • On-Chip ARM ROM Bootloader (RBL) to Boot From NAND Flash, MMC/SD, or UART
  • Configurable Power-Saving Modes
  • Crystal or External Clock Input (typically 24 MHz or 36 MHz)
  • Flexible PLL Clock Generators
  • Debug Interface Support
    • IEEE-1149.1 (JTAG) Boundary-Scan-Compatible
    • ETB™ (Embedded Trace Buffer™) with4K-Bytes Trace Buffer memory
    • Device Revision ID Readable by ARM
  • 337-Pin Ball Grid Array (BGA) Package (ZCE Suffix), 0.65-mm Ball Pitch
  • 90nm Process Technology
  • 3.3-V and 1.8-V I/O, 1.3-V Internal
  • Community Resources
    • TI E2E Community
    • TI Embedded Processors Wiki

Windows is a trademark of Microsoft.
All other trademarks are the property of their respective owners.

Operating systemIntegrity, Linux, Neutrino, PrOS, Windows Embedded CE
RatingCatalog
Operating temperature range (°C)0 to 85
NFBGA (ZCE)337169 mm² 13 x 13
产品购买
  • 商品型号
  • 封装
  • 工作温度
  • 包装
  • 价格
  • 现货库存
  • 操作

很抱歉,暂时无法提供与“TMS320DM335”系列相匹配的产品,您可以联系专属客服快速找货或在现货搜索框中重新搜索。

10s
温馨提示:
订单商品问题请移至我的售后服务提交售后申请,其他需投诉问题可移至我的投诉提交,我们将在第一时间给您答复
返回顶部