h1_key

TI(德州仪器) MSP430F1222
德州仪器 (TI) 全系列产品在线购买
  • TI(德州仪器) MSP430F1222
  • TI(德州仪器) MSP430F1222
  • TI(德州仪器) MSP430F1222
  • TI(德州仪器) MSP430F1222
  • TI(德州仪器) MSP430F1222
  • TI(德州仪器) MSP430F1222
立即查看
您当前的位置: 首页 > 微控制器 (MCU) 和处理器 > MSP430 微控制器 > MSP430F1222
MSP430F1222

MSP430F1222

正在供货

具有 4KB 闪存、256B SRAM、计时器、10 位 ADC 和 SPI/UART 的 8MHz MCU

产品详情
  • 说明
  • 特性
  • 参数
  • 封装 | 引脚 | 尺寸

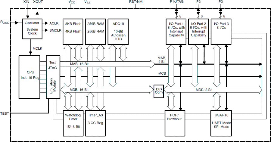
The Texas Instruments MSP430 family of ultralow-power microcontrollers consist of several devices featuring different sets of peripherals targeted for various applications. The architecture, combined with five low power modes is optimized to achieve extended battery life in portable measurement applications. The device features a powerful 16-bit RISC CPU, 16-bit registers, and constant generators that attribute to maximum code efficiency. The digitally controlled oscillator (DCO) allows wake-up from low-power modes to active mode in less than 6µs.

The MSP430x11x2 and MSP430x12x2 series are ultralow-power mixed signal microcontrollers with a built-in 16-bit timer, 10-bit A/D converter with integrated reference and data transfer controller (DTC) and fourteen or twenty-two I/O pins. In addition, the MSP430x12x2 series microcontrollers have built-in communication capability using asynchronous (UART) and synchronous (SPI) protocols.

Digital signal processing with the 16-bit RISC performance enables effective system solutions such as glass breakage detection with signal analysis (including wave digital filter algorithm). Another area of application is in stand-alone RF sensors.

  • Low Supply Voltage Range 1.8 V – 3.6 V
  • Ultralow-Power Consumption:
    • Active Mode: 200 µA at 1 MHz, 2.2 V
    • Standby Mode: 0.7 µA
    • Off Mode (RAM Retention): 0.1 µA
  • Five Power Saving Modes
  • Wake-Up From Standby Mode in less than 6 µs
  • 16-Bit RISC Architecture, 125 ns Instruction Cycle Time
  • Basic Clock Module Configurations:
    • Various Internal Resistors
    • Single External Resistor
    • 32-kHz Crystal
    • High Frequency Crystal
    • Resonator
    • External Clock Source
  • 16-Bit Timer_A With Three Capture/Compare Registers
  • 10-Bit, 200-ksps A/D Converter With Internal Reference, Sample-and-Hold, Autoscan, and Data Transfer Controller
  • Serial Communication Interface (USART) With Software-Selectable Asynchronous UART or Synchronous SPI (MSP430x12x2 Only)
  • Serial Onboard Programming, No External Programming Voltage Needed Programmable Code Protection by Security Fuse
  • Supply Voltage Brownout Protection
  • MSP430x11x2 Family Members Include:
    MSP430F1122: 4KB + 256B Flash Memory 256B RAM
    MSP430F1132: 8KB + 256B Flash Memory 256B RAM
    Available in 20-Pin Plastic SOWB and 20-Pin Plastic TSSOP Packages
  • MSP430x12x2 Family Members Include:
    MSP430F1222: 4KB + 256B Flash Memory 256B RAM
    MSP430F1232: 8KB + 256B Flash Memory 256B RAM
    Available in 28-Pin Plastic SOWB and 28-Pin Plastic TSSOP Packages
  • For Complete Module Descriptions, See the MSP430x1xx Family User’s Guide, Literature Number SLAU049

Frequency (MHz)8
Nonvolatile memory (kByte)4
RAM (kByte)0.25
ADC type10-bit SAR
Number of ADC channels8
Number of GPIOs22
FeaturesReal-time clock
UART1
USBNo
Number of I2Cs0
SPI1
Number of comparator channels0
Timers - 16-bit1
Bootloader (BSL)UART
Operating temperature range (°C)-40 to 85
RatingCatalog
SOIC (DW)28184.37 mm² 17.9 x 10.3
TSSOP (PW)2862.08 mm² 9.7 x 6.4
VQFN (RHB)3225 mm² 5 x 5
产品购买
  • 商品型号
  • 封装
  • 工作温度
  • 包装
  • 价格
  • 现货库存
  • 操作
10s
温馨提示:
订单商品问题请移至我的售后服务提交售后申请,其他需投诉问题可移至我的投诉提交,我们将在第一时间给您答复
返回顶部