h1_key

TI(德州仪器) MSP430F1121A
德州仪器 (TI) 全系列产品在线购买
  • TI(德州仪器) MSP430F1121A
  • TI(德州仪器) MSP430F1121A
  • TI(德州仪器) MSP430F1121A
  • TI(德州仪器) MSP430F1121A
  • TI(德州仪器) MSP430F1121A
  • TI(德州仪器) MSP430F1121A
立即查看
您当前的位置: 首页 > 微控制器 (MCU) 和处理器 > MSP430 微控制器 > MSP430F1121A
MSP430F1121A

MSP430F1121A

正在供货

具有 4KB 闪存、256B SRAM、计时器、比较器的 8MHz MCU

产品详情
  • 说明
  • 特性
  • 参数
  • 封装 | 引脚 | 尺寸

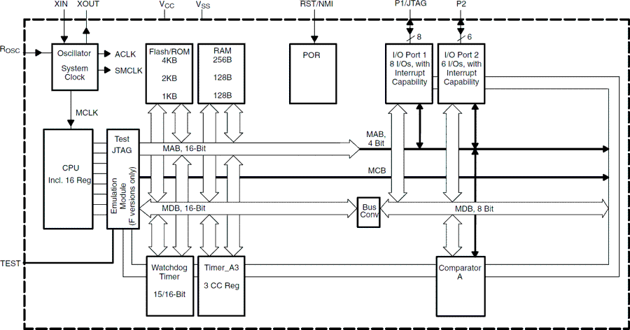
The Texas Instruments MSP430 family of ultralow power microcontrollers consist of several devices featuring different sets of peripherals targeted for various applications. The architecture, combined with five low power modes is optimized to achieve extended battery life in portable measurement applications. The device features a powerful 16-bit RISC CPU, 16-bit registers, and constant generators that attribute to maximum code efficiency. The digitally controlled oscillator (DCO) allows wake-up from low-power modes to active mode in less than 6µs.

The MSP430x11x1 series is an ultralow-power mixed signal microcontroller with a built-in 16-bit timer, versatile analog comparator and fourteen I/O pins.

Typical applications include sensor systems that capture analog signals, convert them to digital values, and then process the data for display or for transmission to a host system. Stand alone RF sensor front end is another area of application. The I/O port inputs provide single slope A/D conversion capability on resistive sensors.

  • Low Supply Voltage Range 1.8 V – 3.6 V
  • Ultralow-Power Consumption
    • Active Mode: 160 µA at 1 MHz, 2.2 V
    • Standby Mode: 0.7 µA
    • Off Mode (RAM Retention): 0.1 µA
  • Wake-Up From Standby Mode in less than 6 µs
  • 16-Bit RISC Architecture, 125 ns Instruction Cycle Time
  • Basic Clock Module Configurations:
    • Various Internal Resistors
    • Single External Resistor
    • 32-kHz Crystal
    • High-Frequency Crystal
    • Resonator
    • External Clock Source
  • 16-Bit Timer_A With Three Capture/Compare Registers
  • On-Chip Comparator for Analog Signal Compare Function or Slope A/D Conversion
  • Serial Onboard Programming, No External Programming Voltage Needed Programmable Code Protection by Security Fuse
  • Family Members Include:
      MSP430C1101: 1KB ROM, 128B RAM
      MSP430C1111: 2KB ROM, 128B RAM
      MSP430C1121: 4KB ROM, 256B RAM
      MSP430F1101A: 1KB + 128B Flash Memory 128B RAM
      MSP430F1111A: 2KB + 256B Flash Memory 128B RAM
      MSP430F1121A: 4KB + 256B Flash Memory 256B RAM
  • Available in a 20-Pin Plastic Small-Outline Wide Body (SOWB) Package, 20-Pin Plastic Small-Outline Thin Package, and 20-Pin TVSOP (F11x1A only) and 24-Pin QFN
  • For Complete Module Descriptions, Refer to the MSP430x1xx Family User’s Guide, Literature Number SLAU049.

Frequency (MHz)8
Nonvolatile memory (kByte)4
RAM (kByte)0.25
ADC typeSlope
Number of ADC channels0
Number of GPIOs14
FeaturesReal-time clock
UART0
USBNo
Number of I2Cs0
SPI0
Number of comparator channels2
Timers - 16-bit1
Bootloader (BSL)UART
Operating temperature range (°C)-40 to 85
RatingCatalog
SOIC (DW)20131.84 mm² 12.8 x 10.3
TSSOP (PW)2041.6 mm² 6.5 x 6.4
TVSOP (DGV)2032 mm² 5 x 6.4
VQFN (RGE)2416 mm² 4 x 4
产品购买
  • 商品型号
  • 封装
  • 工作温度
  • 包装
  • 价格
  • 现货库存
  • 操作
10s
温馨提示:
订单商品问题请移至我的售后服务提交售后申请,其他需投诉问题可移至我的投诉提交,我们将在第一时间给您答复
返回顶部