h1_key

TI(德州仪器) UCC27284
德州仪器 (TI) 全系列产品在线购买
  • TI(德州仪器) UCC27284
  • TI(德州仪器) UCC27284
  • TI(德州仪器) UCC27284
  • TI(德州仪器) UCC27284
  • TI(德州仪器) UCC27284
  • TI(德州仪器) UCC27284
立即查看
您当前的位置: 首页 > 电源管理 > 栅极驱动器 > 半桥驱动器 > UCC27284
UCC27284

UCC27284

正在供货

具有 5V UVLO 和使能端的 3A、120V 半桥栅极驱动器

产品详情
  • 说明
  • 特性
  • 参数
  • 封装 | 引脚 | 尺寸

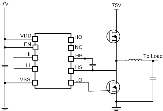
UCC27284 是一款功能强大的 N 沟道 MOSFET 驱动器,最大开关节点 (HS) 额定电压为 100V。借助此器件,可在基于半桥或同步降压配置的拓扑中控制两个 N 沟道 MOSFET。由于具有 3A 的峰值灌电流和拉电流以及较低的上拉和下拉电阻,UCC27284 能够在 MOSFET 米勒平台转换期间以极低开关损耗驱动大功率 MOSFET。由于输入与电源电压无关,因此 UCC27284 与模拟控制器和数字控制器均可结合使用。在次级侧全桥同步整流等应用中,如需要,可实现两路输入及其各自输出的重叠。

输入引脚和 HS 引脚能够承受较大的负电压,因此提高了系统稳健性。 启用和禁用功能通过降低栅极驱动器的功耗并快速响应系统内的故障事件,提供额外的系统灵活性。5V UVLO 允许系统在较低的偏置电压下工作,这在许多高频应用中是必需的,并可在某些工作模式下提高系统效率。较小的传播延迟和延迟匹配规格可尽可能降低死区时间要求,从而进一步提高效率。

高侧和低侧驱动器级均配有欠压锁定 (UVLO) 功能,因此可在 VDD 电压低于指定阈值时强制将输出置为低电平。在许多应用中,集成自举二极管无需使用外部分立式二极管,节省布板空间和降低系统成本。 UCC27284 采用小型封装,因此可支持高密度设计。

  • 可驱动两个采用高侧/低侧配置的 N 沟道 MOSFET
  • 5V 典型欠压锁定
  • 在 DRC 封装中启用/禁用功能
  • 16ns 典型传播延迟
  • 1.8nF 负载时的上升时间为 12ns,下降时间为 10ns
  • 1ns 典型延迟匹配
  • 输入上的 5V 负电压处理能力
  • HS 上的 14V 负电压处理能力
  • ±3A 峰值输出电流
  • 绝对最大启动电压为 120V
  • 禁用时消耗的电流很低 (7µA)
  • 集成式自举二极管
  • 额定结温范围为 –40°C 至 140°C
Bus voltage (max) (V)120
Power switchMOSFET
Input VCC (min) (V)5.5
Input VCC (max) (V)16
Peak output current (A)3.5
Operating temperature range (°C)-40 to 125
Undervoltage lockout (typ) (V)5
RatingCatalog
Propagation delay time (µs)0.016
Rise time (ns)12
Fall time (ns)10
Iq (mA)0.002
Input thresholdTTL
Channel input logicTTL
Negative voltage handling at HS pin (V)-14
FeaturesEnable
Driver configurationDual inputs
VSON (DRC)109 mm² 3 x 3
VSON (DRM)816 mm² 4 x 4
产品购买
  • 商品型号
  • 封装
  • 工作温度
  • 包装
  • 价格
  • 现货库存
  • 操作
10s
温馨提示:
订单商品问题请移至我的售后服务提交售后申请,其他需投诉问题可移至我的投诉提交,我们将在第一时间给您答复
返回顶部