h1_key

TI(德州仪器) DRV8706-Q1
德州仪器 (TI) 全系列产品在线购买
  • TI(德州仪器) DRV8706-Q1
  • TI(德州仪器) DRV8706-Q1
  • TI(德州仪器) DRV8706-Q1
  • TI(德州仪器) DRV8706-Q1
  • TI(德州仪器) DRV8706-Q1
  • TI(德州仪器) DRV8706-Q1
立即查看
您当前的位置: 首页 > 电机驱动器 > 有刷直流 (BDC) 电机驱动器 > DRV8706-Q1
DRV8706-Q1

DRV8706-Q1

正在供货

具有离线诊断功能和直列式电流检测放大器的汽车级 40V 半桥智能栅极驱动器

产品详情
  • 说明
  • 特性
  • 参数
  • 封装 | 引脚 | 尺寸

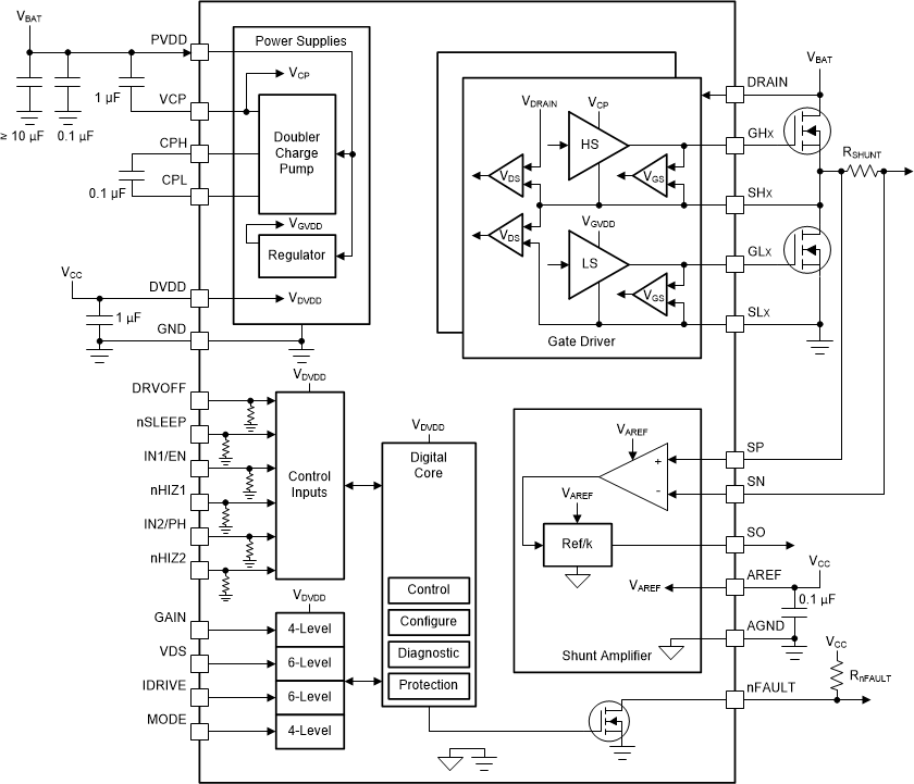
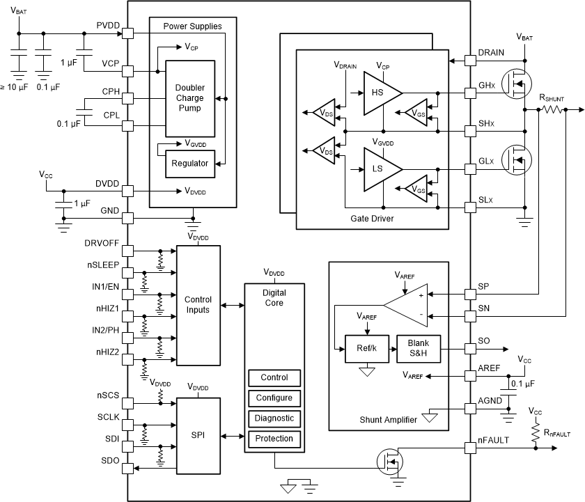
DRV8706-Q1 是一款高度集成式 H 桥栅极驱动器,能够驱动高侧和低侧 N 沟道功率 MOSFET。它可使用集成式倍增电荷泵(针对高侧)和线性稳压器(针对低侧)生成合适的栅极驱动电压。

该器件通过使用智能栅极驱动架构来降低系统成本并提高可靠性。栅极驱动器可优化死区时间以避免出现击穿问题,通过可调栅极驱动电流对减少电磁干扰 (EMI) 进行控制,而且可通过 VDS 和 VGS 监控器来防止漏源极和栅极短路问题。

宽共模分流放大器具有内联电流感测功能,即使在再循环期间也可持续测量电机电流。如果不需要进行内联感测,放大器可用于低侧或高侧感测配置。

DRV8706-Q1 提供了一系列保护功能,可确保系统稳定运行。此类功能包括适用于电源和电荷泵的欠压和过压监控、适用于外部 MOSFET 的 VDS 过流和 VGS 栅极故障监控、离线开路负载和短路诊断,以及内部热警告和热关断保护功能。

  • 符合面向汽车应用的 AEC-Q100 标准:
    • 温度等级 1:–40°C 至 +125°C,TA
  • 提供功能安全
    • 有助于进行功能安全系统设计的文档
  • H 桥智能栅极驱动器
    • 4.9V 至 37V(绝对最大值为 40V)工作电压范围
    • 倍增电荷泵可实现 100% PWM
    • 半桥和 H 桥控制模式
  • 引脚对引脚栅极驱动器型号
    • DRV8106-Q1:具有直列式放大器的半桥
    • DRV8705-Q1:具有低侧放大器的 H 桥
  • 智能栅极驱动架构
    • 可调压摆率控制
    • 0.5 mA 至 62 mA 峰值拉电流输出
    • 0.5 mA 至 62 mA 峰值灌电流输出
    • 集成死区时间握手
  • 宽共模电流分流放大器
    • 支持直列式高侧或低侧
    • 可调增益设置(10、20、40、80 V/V)
    • 集成反馈电阻
    • 可调 PWM 消隐方案
  • 提供多个接口选项
    • SPI:详细配置和诊断
    • H/W:简化的控制和更少的 MCU 引脚
  • 展频时钟可降低 EMI
  • 具有可润湿侧翼的紧凑型 VQFN 封装
  • 集成保护特性
    • 专用驱动器禁用引脚 (DRVOFF)
    • 电源和稳压器电压监控器
    • MOSFET VDS 过流监控器
    • MOSFET VGS 栅极故障监控器
    • 用于反极性 MOSFET 的电荷泵
    • 离线开路负载和短路诊断
    • 器件热警告和热关断
    • 故障条件中断引脚 (nFAULT)
Number of full bridges1
Vs (min) (V)4.5
Vs ABS (max) (V)40
Sleep current (µA)2.5
Control modeIndependent 1/2-Bridge, PH/EN, PWM
Control interfaceHardware (GPIO), SPI
FeaturesInline Current sense Amplifier, Smart Gate Drive
RatingAutomotive
TI functional safety categoryFunctional Safety-Capable
Operating temperature range (°C)-40 to 125
VQFN (RHB)3225 mm² 5 x 5
产品购买
  • 商品型号
  • 封装
  • 工作温度
  • 包装
  • 价格
  • 现货库存
  • 操作
10s
温馨提示:
订单商品问题请移至我的售后服务提交售后申请,其他需投诉问题可移至我的投诉提交,我们将在第一时间给您答复
返回顶部