h1_key

TI(德州仪器) DRV8300
德州仪器 (TI) 全系列产品在线购买
  • TI(德州仪器) DRV8300
  • TI(德州仪器) DRV8300
  • TI(德州仪器) DRV8300
  • TI(德州仪器) DRV8300
  • TI(德州仪器) DRV8300
  • TI(德州仪器) DRV8300
立即查看
您当前的位置: 首页 > 电机驱动器 > 无刷直流 (BLDC) 电机驱动器 > BLDC 驱动器 > DRV8300
DRV8300

DRV8300

正在供货

具有自举二极管的最大 100V 简单三相栅极驱动器

产品详情
  • 说明
  • 特性
  • 参数
  • 封装 | 引脚 | 尺寸

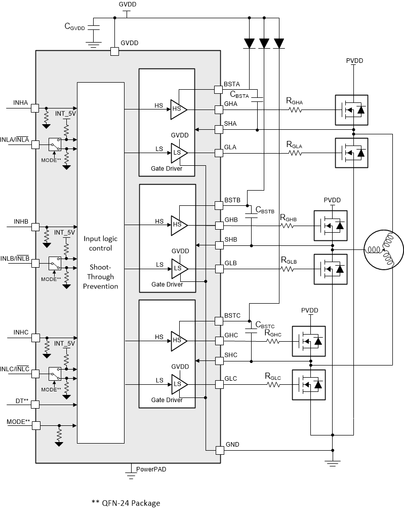
DRV8300 是一款 100V 三相半桥栅极驱动器,能够驱动高侧和低侧 N 沟道功率 MOSFET。DRV8300D 使用集成自举二极管和外部电容为高侧 MOSFET 生成合适的栅极驱动电压。DRV8300N 使用外部自举二极管和外部电容为高侧 MOSFET 生成合适的栅极驱动电压。GVDD 用于为低侧 MOSFET 生成栅极驱动电压。栅极驱动架构支持高达 750mA 的峰值拉电流和 1.5A 的灌电流。

相位引脚 SHx 能够承受显著的负电压瞬变;而高侧栅极驱动器电源 BSTx 和 GHx 能够支持更高的正电压瞬变 (125V) 绝对最大值,从而提高系统的鲁棒性。较小的传播延迟和延迟匹配参数可尽可能降低死区时间要求,从而进一步提高效率。通过 GVDD 和 BST 欠压锁定为低侧和高侧提供欠压保护。

  • 100V 三相半桥栅极驱动器
    • 驱动 N 沟道 MOSFET (NMOS)
    • 栅极驱动器电源 (GVDD):5-20V
    • MOSFET 电源 (SHx) 支持高达 100V 的电压
  • 集成自举二极管 (DRV8300D 器件)
  • 支持反相和同相 INLx 输入
  • 自举栅极驱动架构
    • 750mA 拉电流
    • 1.5A 灌电流
  • 支持由高达 15 节串联电池供电的应用
  • SHx 引脚具有低漏电流(小于 55µA)
  • 绝对最大 BSTx 电压高达 125V
  • SHx 引脚瞬态负压可达 -22V
  • 内置跨导保护
  • 针对 QFN 封装型号,可通过 DT 引脚调节死区时间
  • 针对 TSSOP 封装型号,固定插入 200ns 死区时间
  • 支持 3.3V 和 5V 逻辑输入(绝对最大值为 20V)
  • 4ns 典型传播延迟匹配
  • 紧凑型 QFN 和 TSSOP 封装
  • 具有电源块的高效系统设计
  • 集成保护特性
    • BST 欠压锁定 (BSTUV)
    • GVDD 欠压 (GVDDUV)
RatingCatalog
ArchitectureGate driver
Control interface3xPWM, 6xPWM
Gate drive (A)0.75
Vs (min) (V)5
Vs ABS (max) (V)100
FeaturesBootstrap Diode
Operating temperature range (°C)-40 to 125
TSSOP (PW)2041.6 mm² 6.5 x 6.4
VQFN (RGE)2416 mm² 4 x 4
产品购买
  • 商品型号
  • 封装
  • 工作温度
  • 包装
  • 价格
  • 现货库存
  • 操作
10s
温馨提示:
订单商品问题请移至我的售后服务提交售后申请,其他需投诉问题可移至我的投诉提交,我们将在第一时间给您答复
返回顶部