h1_key

TI(德州仪器) UCC27288
德州仪器 (TI) 全系列产品在线购买
  • TI(德州仪器) UCC27288
  • TI(德州仪器) UCC27288
  • TI(德州仪器) UCC27288
  • TI(德州仪器) UCC27288
  • TI(德州仪器) UCC27288
  • TI(德州仪器) UCC27288
立即查看
您当前的位置: 首页 > 电源管理 > 栅极驱动器 > 半桥驱动器 > UCC27288
UCC27288

UCC27288

正在供货

具有 8V UVLO 且无内部自举二极管的 2.5A 至 3.5A 120V 半桥驱动器

产品详情
  • 说明
  • 特性
  • 参数
  • 封装 | 引脚 | 尺寸

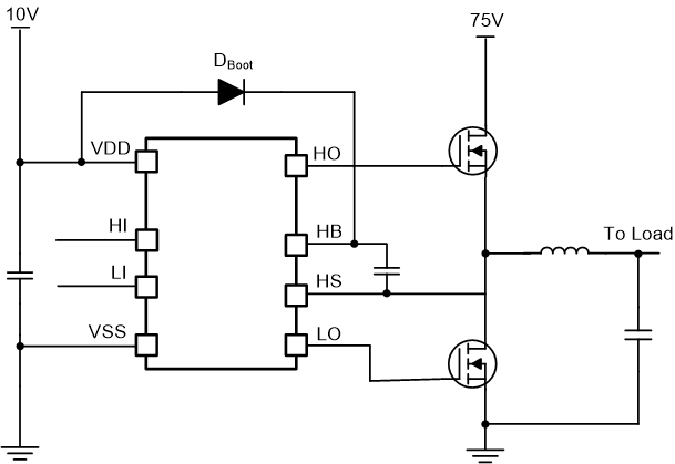
UCC27288 是一款功能强大的 N 沟道 MOSFET 驱动器,最大开关节点 (HS) 额定电压为 100V。借助此器件,可在基于半桥或同步降压配置的拓扑中控制两个 N 沟道 MOSFET。由于具有 3A 的峰值灌电流和拉电流以及较低的上拉和下拉电阻,UCC27288 能够在 MOSFET 米勒平台转换期间以极低开关损耗驱动大功率 MOSFET。由于输入与电源电压无关,因此 UCC27288 与模拟控制器和数字控制器均可结合使用。两个输入完全相互独立,因此提供了额外的控制设计灵活性。

输入引脚和 HS 引脚能够承受较大的负电压,因此提高了系统稳健性。输入完全相互独立。这允许控制灵活性,如果需要,两个输出可以通过重叠输入重叠。较小的传播延迟和延迟匹配规格可尽可能降低死区时间要求,从而提高系统效率。

高侧和低侧驱动器级均配有欠压锁定 (UVLO) 功能,因此可在 VDD 电压低于指定阈值时将输出强制为低电平。没有集成的自举二极管允许用户使用适合应用的外部自举二极管。UCC27288 采用 SOIC8 封装,可在恶劣环境下提高系统稳健性。

  • 可驱动两个采用高侧/低侧配置的 N 沟道 MOSFET
  • 16ns 典型传播延迟
  • 1800pF 负载时的上升时间为 12ns,下降时间典型值为 10ns
  • 1ns 典型延迟匹配
  • 可配置的外部自举二极管
  • 8V 典型欠压锁定
  • 输入引脚上接受的绝对最大负电压 (–5V)
  • HS 引脚上接受的绝对最大负电压 (-14 V)
  • ±3A 峰值输出电流
  • 绝对最大启动电压为 120V
  • 输入相互独立且 VDD
  • 两个通道的欠压锁定
  • 额定结温范围为 –40°C 至 140°C
Bus voltage (max) (V)120
Power switchMOSFET
Input VCC (min) (V)8
Input VCC (max) (V)16
Peak output current (A)3.5
Operating temperature range (°C)-40 to 125
Undervoltage lockout (typ) (V)8
RatingCatalog
Propagation delay time (µs)0.016
Rise time (ns)12
Fall time (ns)10
Iq (mA)0.002
Input thresholdTTL
Channel input logicTTL
Negative voltage handling at HS pin (V)-14
FeaturesExternal bootstrap diode
Driver configurationDual inputs
SOIC (D)829.4 mm² 4.9 x 6
产品购买
  • 商品型号
  • 封装
  • 工作温度
  • 包装
  • 价格
  • 现货库存
  • 操作
10s
温馨提示:
订单商品问题请移至我的售后服务提交售后申请,其他需投诉问题可移至我的投诉提交,我们将在第一时间给您答复
返回顶部