h1_key

TI(德州仪器) DRV8350F
德州仪器 (TI) 全系列产品在线购买
  • TI(德州仪器) DRV8350F
  • TI(德州仪器) DRV8350F
  • TI(德州仪器) DRV8350F
  • TI(德州仪器) DRV8350F
  • TI(德州仪器) DRV8350F
  • TI(德州仪器) DRV8350F
立即查看
您当前的位置: 首页 > 电机驱动器 > 无刷直流 (BLDC) 电机驱动器 > BLDC 驱动器 > DRV8350F
DRV8350F

DRV8350F

正在供货

最大 102V 三相功能安全质量管理型智能栅极驱动器

产品详情
  • 说明
  • 特性
  • 参数
  • 封装 | 引脚 | 尺寸

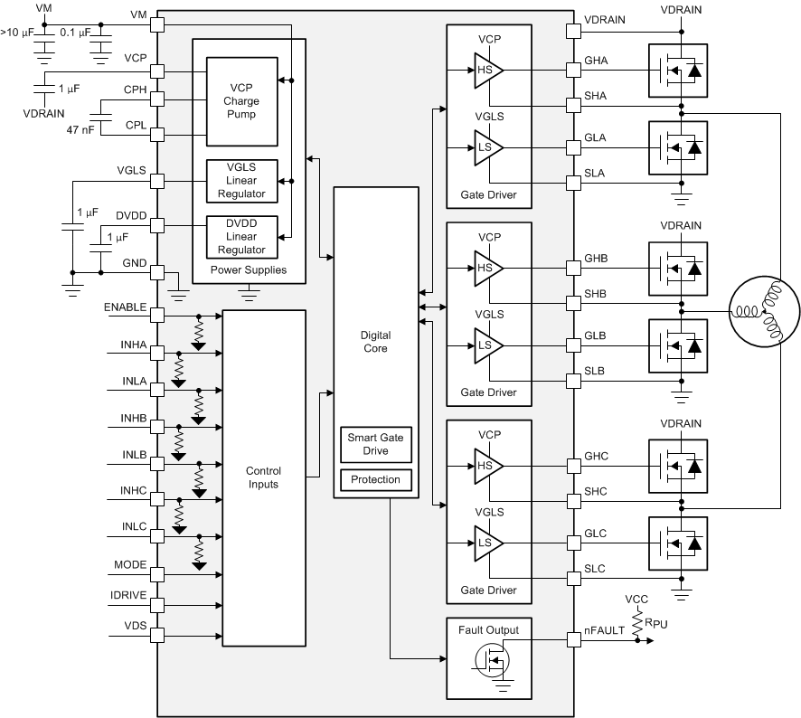
DRV835xF 系列器件均为高度集成的栅极驱动器,适用于三相无刷直流 (BLDC) 电机应用。这些器件型号提供了可选的集成式分流放大器以支持不同的电机控制方案。

DRV835xF 通过采用智能栅极驱动 (SGD) 架构减少了 MOSFET 压摆率控制和保护电路通常所需要的外部元件数量。SGD 架构还可优化死区时间以防止击穿问题,在通过 MOSFET 压摆率控制技术降低电磁干扰 (EMI) 方面带来了灵活性,并可通过 VGS 监控器防止栅极短路问题。强大的栅极下拉电路有助于防止不必要的 dV/dt 寄生栅极开启事件。

该系列器件支持各种 PWM 控制模式(6x、3x、1x 和独立模式),可简化与外部控制器的连接。这些模式可减少电机驱动器 PWM 控制信号所需的控制器输出数量。该系列器件还包括 1x PWM 模式,因此可通过内部阻塞换向表轻松对 BLDC 电机进行传感器式梯形控制。

  • 9V 至 100V 三半桥栅极驱动器
    • 可选的三个低侧电流分流放大器
  • 功能安全质量管理型
    • 可提供有助于进行 IEC 61800-5-2 功能安全系统设计的文档
  • 智能栅极驱动架构
    • 可调压摆率控制,可优化 EMI 性能
    • VGS 握手和最小死区时间插入,可避免发生击穿
    • 50mA 至 1A 峰值拉电流
    • 100mA 至 2A 峰值灌电流
    • 通过强下拉能力减小 dV/dt
  • 集成栅极驱动器电源
    • 高侧倍增电荷泵可实现 100% PWM 占空比控制
    • 低侧线性稳压器
  • 集成三个电流分流放大器
    • 可调增益(5、10、20、40 V/V)
    • 双向或单向支持
  • 6x、3x、1x 和独立 PWM 模式
    • 支持 120° 有传感器运行
  • 提供 SPI 或硬件接口
  • 低功耗睡眠模式(VVM = 48V 时为 20µA)
  • 集成保护特性
    • VM 欠压锁定 (UVLO)
    • 栅极驱动电源欠压 (GDUV)
    • MOSFET VDS 过流保护 (OCP)
    • MOSFET 击穿保护
    • 栅极驱动器故障 (GDF)
    • 热警告和热关断 (OTW/OTSD)
    • 故障状态指示器 (nFAULT)
RatingCatalog
ArchitectureGate driver
Control interface1xPWM, 3xPWM, 6xPWM
Gate drive (A)1
Vs (min) (V)9
Vs ABS (max) (V)102
FeaturesHardware Management I/F, SPI/I2C, Smart Gate Drive
Operating temperature range (°C)-40 to 125
TI functional safety categoryFunctional Safety Quality-Managed
WQFN (RTV)3225 mm² 5 x 5
产品购买
  • 商品型号
  • 封装
  • 工作温度
  • 包装
  • 价格
  • 现货库存
  • 操作
10s
温馨提示:
订单商品问题请移至我的售后服务提交售后申请,其他需投诉问题可移至我的投诉提交,我们将在第一时间给您答复
返回顶部