h1_key

TI(德州仪器) DRV8436E
德州仪器 (TI) 全系列产品在线购买
  • TI(德州仪器) DRV8436E
  • TI(德州仪器) DRV8436E
  • TI(德州仪器) DRV8436E
  • TI(德州仪器) DRV8436E
  • TI(德州仪器) DRV8436E
  • TI(德州仪器) DRV8436E
立即查看
您当前的位置: 首页 > 电机驱动器 > 步进电机驱动器 > DRV8436E
DRV8436E

DRV8436E

正在供货

具有集成电流检测功能的 48V、1.5A 双极步进或双通道有刷电机驱动器

产品详情
  • 说明
  • 特性
  • 参数
  • 封装 | 引脚 | 尺寸

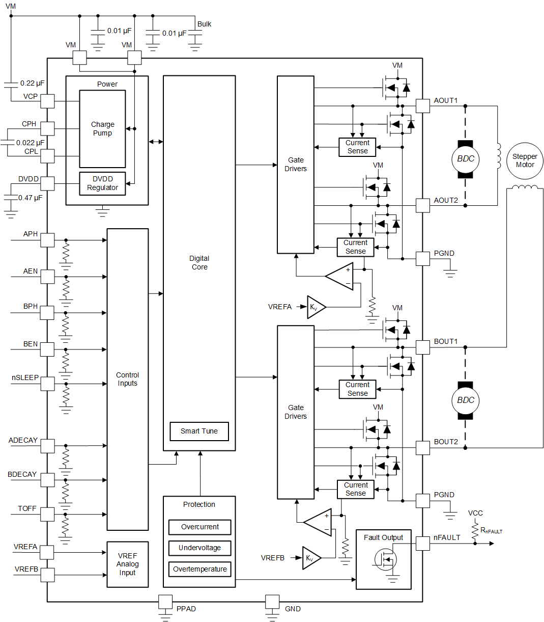
DRV8436E/P 器件是适用于各种工业应用的双 H 桥电机驱动器。这些器件可用于驱动两个直流电机或一个双极步进电机。驱动器的输出级包括配置为两个全 H 桥的 N 沟道功率 MOSFET、电荷泵稳压器、电流感测和调节以及保护电路。集成的电流感测功能采用内部电流镜架构,无需大功率分流电阻器,可以节省电路板面积并降低系统成本。提供的低功耗睡眠模式可通过关断大部分内部电路实现超低静态电流消耗。提供的内部保护特性包括:电源欠压锁定 (UVLO)、电荷泵欠压 (CPUV) 、输出过流 (OCP) 和器件过热 (OTSD) 保护。 DRV8436E/P 能够通过每个 H 桥驱动高达 1.5A 的满量程电流或 1.1A rms 输出电流(取决于 PCB 设计)。

  • 双路 H 桥电机驱动器
    • 一个双极步进电机
    • 两个双向有刷直流电机
    • 四个单向有刷直流电机
  • 集成式电流检测功能
    • 无需使用感应电阻器
    • ±7.5% 满量程电流精度
  • 工作电源电压范围:4.5V 至 48V
  • 多种控制接口选项
    • 相位/使能
    • PWM
  • 智能调优衰减技术、固定慢速、快速和混合衰减选项
  • 低 RDS(ON):24V、25°C 时为 900mΩ HS + LS
  • 每个电桥都具有高电流容量:2.4A 峰值、1.5A 满量程、1.1A rms
  • 可配置关断时间 PWM 斩波
    • 7、16、24 或 32µs
  • 支持 1.8V、3.3V、5.0V 逻辑输入
  • 低电流睡眠模式 (2µA)
  • 适用于低电磁干扰 (EMI) 的展频时钟
  • 小型封装和外形尺寸
  • 保护特性
    • VM 欠压锁定 (UVLO)
    • 电荷泵欠压 (CPUV)
    • 过流保护 (OCP)
    • 热关断 (OTSD)
    • 故障状态输出 (nFAULT)
Number of full bridges2
Vs (min) (V)4.5
Vs ABS (max) (V)50
Full-scale current (A)1.5
Peak output current (A)2.5
RDS(ON) (HS + LS) (mΩ)900
Sleep current (µA)2
Control modePH/EN, PWM
Control interfaceHardware (GPIO)
FeaturesIntegrated Current Sensing, Smart Tune
RatingCatalog
Operating temperature range (°C)-40 to 125
HTSSOP (PWP)2862.08 mm² 9.7 x 6.4
VQFN (RGE)2416 mm² 4 x 4
产品购买
  • 商品型号
  • 封装
  • 工作温度
  • 包装
  • 价格
  • 现货库存
  • 操作
10s
温馨提示:
订单商品问题请移至我的售后服务提交售后申请,其他需投诉问题可移至我的投诉提交,我们将在第一时间给您答复
返回顶部