h1_key

TI(德州仪器) LM5108
德州仪器 (TI) 全系列产品在线购买
  • TI(德州仪器) LM5108
  • TI(德州仪器) LM5108
  • TI(德州仪器) LM5108
  • TI(德州仪器) LM5108
  • TI(德州仪器) LM5108
  • TI(德州仪器) LM5108
立即查看
您当前的位置: 首页 > 电源管理 > 栅极驱动器 > 半桥驱动器 > LM5108
LM5108

LM5108

正在供货

具有使能和互锁功能的 2.6A、110V 半桥栅极驱动器

产品详情
  • 说明
  • 特性
  • 参数
  • 封装 | 引脚 | 尺寸

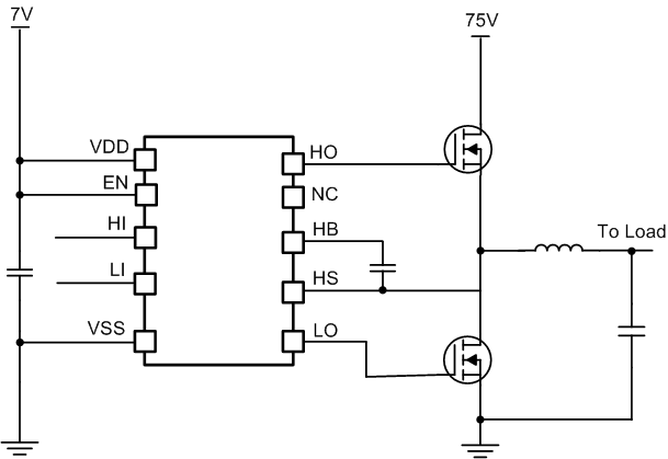
LM5108 是一款高频半桥栅极驱动器,最大开关节点 (HS) 额定电压为 100V。借助此器件,可在基于半桥配置的拓扑(例如同步降压、全桥、有源钳位正激式、LLC 和同步升压)中控制两个 N 沟道 MOSFET。

此器件具有互锁功能,可以在两个输入都处于高电平时防止两个输出同时处于高电平。该互锁功能可提高电机驱动器和电动工具应用中的系统稳健性。使用启用和禁用功能,可以灵活、快速地控制功率级。电池供电的工具也可以使用 LM5108 的功能来减小待机电流和响应系统故障。输入与电源电压无关,并且可以具有独立的脉宽。这样即可实现极高的控制灵活性。输入和使能都具有足够的迟滞,可以在电机驱动器等易受噪声影响的应用中提高系统稳健性。

低侧和高侧输出在彼此的接通和关断之间实现了低至 1ns 的匹配。这样即可优化死区时间,进而提高效率。5V UVLO 允许驱动器使用更低的偏置电源运行,进而允许功率级以更高的开关频率运行且不会增加开关损耗。VDD 和 HB UVLO 阈值规格设计为使高侧和低侧驱动器通常在 5V 电压时接通。如果 VDD 和 HB UVLO 阈值相同,则设计器需要高于 VDD UVLO 阈值的偏置电源才能同时接通高侧和低侧驱动器。

板载自举二极管无需使用外部分立式二极管,因此提高了布板空间利用率。小型封装支持紧凑型电源设计,例如电动工具。

  • 可驱动两个采用高侧/低侧配置的 N 沟道 MOSFET
  • 采用 3mm × 3mm 封装
  • 互锁或跨导保护
  • 启用/禁用功能
  • HS 引脚上接受的绝对最大负电压 (–7V)
  • 5V 典型欠压锁定
  • 20ns 典型传播延迟
  • 1000pF 负载时的上升时间为 11ns,下降时间典型值为 8ns
  • 1ns 典型延迟匹配
  • 2.6A 灌电流,1.6A 拉电流输出
  • 绝对最大启动电压为 110V
  • 禁用时消耗的电流很低 (7µA)
  • 集成式自举二极管
Bus voltage (max) (V)110
Power switchMOSFET
Input VCC (min) (V)6
Input VCC (max) (V)16
Peak output current (A)2.6
Operating temperature range (°C)-40 to 125
Undervoltage lockout (typ) (V)5
RatingCatalog
Propagation delay time (µs)0.02
Rise time (ns)11
Fall time (ns)8
Iq (mA)0.00028
Input thresholdTTL
Channel input logicTTL
Negative voltage handling at HS pin (V)-5
FeaturesEnable, Interlock
Driver configurationDual inputs
VSON (DRC)109 mm² 3 x 3
产品购买
  • 商品型号
  • 封装
  • 工作温度
  • 包装
  • 价格
  • 现货库存
  • 操作
10s
温馨提示:
订单商品问题请移至我的售后服务提交售后申请,其他需投诉问题可移至我的投诉提交,我们将在第一时间给您答复
返回顶部