h1_key

TI(德州仪器) DRV8343-Q1
德州仪器 (TI) 全系列产品在线购买
  • TI(德州仪器) DRV8343-Q1
  • TI(德州仪器) DRV8343-Q1
  • TI(德州仪器) DRV8343-Q1
  • TI(德州仪器) DRV8343-Q1
  • TI(德州仪器) DRV8343-Q1
  • TI(德州仪器) DRV8343-Q1
立即查看
您当前的位置: 首页 > 电机驱动器 > 无刷直流 (BLDC) 电机驱动器 > BLDC 驱动器 > DRV8343-Q1
DRV8343-Q1

DRV8343-Q1

正在供货

具有电流分流放大器的汽车类 12V 至 24V 电池三相智能栅极驱动器

产品详情
  • 说明
  • 特性
  • 参数
  • 封装 | 引脚 | 尺寸

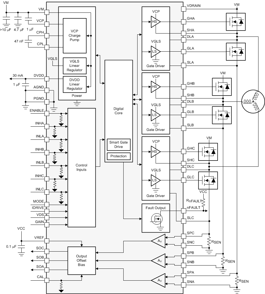
DRV8343-Q1 器件是一款适用于三相应用的 集成式栅极驱动器。此器件具有三个半桥栅极驱动器,每个驱动器都能够驱动高侧和低侧 N 沟道功率 MOSFET。专用源极与漏极引脚支持对电磁阀应用进行独立 MOSFET 控制。DRV8343-Q1 使用集成式电荷泵为高侧 MOSFET 生成足够的栅极驱动电压,并使用线性稳压器为低侧 MOSFET 生成足够的栅极驱动电压。此智能栅极驱动架构支持高达 1A 的峰值栅极驱动拉电流和 2A 的峰值栅极驱动灌电流。DRV8343-Q1 可由单一电源供电,支持适用于栅极驱动器的 5.5 至 60V 宽输入电源电压范围。

6x、3x、1x 和独立输入 PWM 模式可简化与控制器电路的连接。栅极驱动器和器件的配置设置具有高度可配置性,可通过 SPI 或硬件 (H/W) 接口实现。 DRV8343-Q1 器件集成了三个低侧电流检测放大器,可在驱动级的全部三相位上进行双向电流检测。

提供了低功耗睡眠模式,实现较低的静态电流消耗。针对欠压锁定、电荷泵故障、MOSFET 过流、MOSFET 短路、相位节点电源和接地短路、栅极驱动器故障和过热情况提供内部保护功能。故障状况及故障详情可通过 SPI 器件型号的器件寄存器显示在 nFAULT 引脚上。

  • 符合面向汽车应用的 AEC-Q100 标准
    • 温度等级 1:-40°C ≤ TA ≤ 125°C
  • 3 个独立半桥栅极驱动器
    • 专用源极 (SHx) 与漏极 (DLx) 引脚支持独立 MOSFET 控制
    • 可驱动 3 个高侧和 3 个低侧 N 通道 MOSFET (NMOS)
  • 智能栅极驱动架构
    • 可调转换率控制
    • 1.5mA 至 1A 峰值源电流
    • 3mA 至 2A 峰值灌电流
  • 支持 100% 占空比的栅极驱动器电荷泵
  • 3 个集成式电流检测放大器 (CSA)
    • 可调增益(5、10、20、40 V/V)
    • 双向或单向支持
  • 提供 SPI (S) 和硬件 (H) 接口
  • 6x、3x、1x 和独立的 PWM 模式
  • 支持 3.3V 和 5V 逻辑输入
  • 电荷泵输出可驱动反向电源保护 MOSFET
  • 3.3V、30mA 线性稳压器
  • 集成式保护 特性
    • VM 欠压锁定 (UVLO)
    • 电荷泵欠压 (CPUV)
    • 电池短路 (SHT_BAT)
    • 接地短路 (SHT_GND)
    • MOSFET 过流保护 (OCP)
    • 栅极驱动器故障 (GDF)
    • 热警告和热关断 (OTW/OTSD)
    • 故障状态指示器 (nFAULT)
RatingAutomotive
ArchitectureGate driver
Control interface1xPWM, 3xPWM, 6xPWM
Gate drive (A)1
Vs (min) (V)5.5
Vs ABS (max) (V)65
FeaturesCurrent sense Amplifier, Hardware Management I/F, Independent FET Control, SPI/I2C, Smart Gate Drive
Operating temperature range (°C)-40 to 125
HTQFP (PHP)4881 mm² 9 x 9
产品购买
  • 商品型号
  • 封装
  • 工作温度
  • 包装
  • 价格
  • 现货库存
  • 操作
10s
温馨提示:
订单商品问题请移至我的售后服务提交售后申请,其他需投诉问题可移至我的投诉提交,我们将在第一时间给您答复
返回顶部