h1_key

TI(德州仪器) UCC27282
德州仪器 (TI) 全系列产品在线购买
  • TI(德州仪器) UCC27282
  • TI(德州仪器) UCC27282
  • TI(德州仪器) UCC27282
  • TI(德州仪器) UCC27282
  • TI(德州仪器) UCC27282
  • TI(德州仪器) UCC27282
立即查看
您当前的位置: 首页 > 电源管理 > 栅极驱动器 > 半桥驱动器 > UCC27282
UCC27282

UCC27282

正在供货

具有 5V UVLO、互锁和使能功能的 3A、120V 半桥栅极驱动器

产品详情
  • 说明
  • 特性
  • 参数
  • 封装 | 引脚 | 尺寸

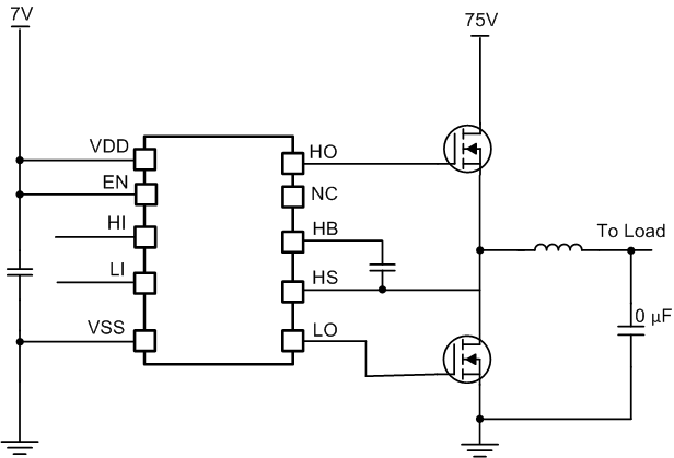
UCC27282 是一款功能强大的 N 沟道 MOSFET 驱动器,最大开关节点 (HS) 额定电压为 100V。借助此器件,可在基于半桥或同步降压配置的拓扑中控制两个 N 沟道 MOSFET。由于具有 3A 的峰值灌电流和拉电流以及较低的上拉和下拉电阻,UCC27282 能够在 MOSFET 米勒平台转换期间以极低开关损耗驱动大功率 MOSFET。由于输入与电源电压无关,因此 UCC27282 与模拟控制器和数字控制器均可结合使用。

输入引脚和 HS 引脚能够承受较大的负电压,因此提高了系统稳健性。输入互锁进一步提高了高噪声应用中的稳健性和系统可靠性。启用和禁用功能通过降低驱动器的功耗并响应系统内的故障事件,提供额外的系统灵活性。5V UVLO 允许系统在较低的偏置电压下工作,这在许多高频应用中是必需的,并可在某些工作模式下提高系统效率。较小的传播延迟和延迟匹配规格可尽可能降低死区时间要求,从而进一步提高效率。

高侧和低侧驱动器级均配有欠压锁定 (UVLO) 功能,因此可在 VDD 电压低于指定阈值时将输出强制为低电平。在许多应用中,集成自举二极管无需使用外部分立式二极管,节省布板空间和降低系统成本。UCC27282 采用小型封装,因此可支持高密度设计。

  • 可驱动两个采用高侧/低侧配置的 N 沟道 MOSFET
  • 5V 典型欠压锁定
  • 输入互锁
  • 在 DRC 封装中启用/禁用功能
  • 16ns 典型传播延迟
  • 1.8nF 负载时的上升时间为 12ns,下降时间为 10ns
  • 1ns 典型延迟匹配
  • 输入引脚上接受的绝对最大负电压 (–5 V)
  • HS 引脚上接受的绝对最大负电压 (–14 V)
  • ±3A 峰值输出电流
  • 绝对最大启动电压为 120V
  • 禁用时消耗的电流很低 (7µA)
  • 集成式自举二极管
  • 额定结温范围为 –40°C 至 140°C
Bus voltage (max) (V)120
Power switchMOSFET
Input VCC (min) (V)5.5
Input VCC (max) (V)16
Peak output current (A)3.5
Operating temperature range (°C)-40 to 140
Undervoltage lockout (typ) (V)5
RatingCatalog
Propagation delay time (µs)0.016
Rise time (ns)12
Fall time (ns)10
Iq (mA)0.002
Input thresholdTTL
Channel input logicTTL
Negative voltage handling at HS pin (V)-14
FeaturesEnable, Interlock
Driver configurationDual inputs
SOIC (D)829.4 mm² 4.9 x 6
VSON (DRC)109 mm² 3 x 3
VSON (DRM)816 mm² 4 x 4
产品购买
  • 商品型号
  • 封装
  • 工作温度
  • 包装
  • 价格
  • 现货库存
  • 操作
10s
温馨提示:
订单商品问题请移至我的售后服务提交售后申请,其他需投诉问题可移至我的投诉提交,我们将在第一时间给您答复
返回顶部