h1_key

TI(德州仪器) DRV8847
德州仪器 (TI) 全系列产品在线购买
  • TI(德州仪器) DRV8847
  • TI(德州仪器) DRV8847
  • TI(德州仪器) DRV8847
  • TI(德州仪器) DRV8847
  • TI(德州仪器) DRV8847
  • TI(德州仪器) DRV8847
立即查看
您当前的位置: 首页 > 电机驱动器 > 步进电机驱动器 > DRV8847
DRV8847

DRV8847

正在供货

具有电流调节和独立半桥控制的 18V、2A 双通道 H 桥电机驱动器

产品详情
  • 说明
  • 特性
  • 参数
  • 封装 | 引脚 | 尺寸

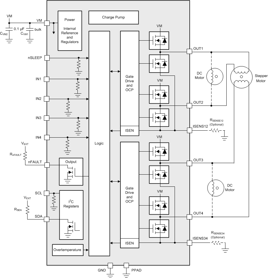
DRV8847 器件是一款适用于工业 应用、家用电器、ePOS 打印机以及其他机电产品 的双 H 桥电机驱动器。本器件可用于驱动两个直流电机、一个双极步进电机或继电器等其他负载。借助简单的 PWM 接口,可与控制器轻松连接。DRV8847 器件由单一电源供电,支持 2.7V 至 18V 的宽输入电源范围。

驱动器的输出级由配置为两个全 H 桥的 N 沟道功率 MOSFET 构成,用于驱动电机绕组或四个独立半桥(位于独立桥接式接口)。固定关断时间控制电桥中的峰值电流,该电流能够驱动一个 1A 的负载(并行模式下 25°C TA 时,在散热适当的条件下,可驱动 2A 的负载)。

提供了低功耗睡眠模式,以通过关断大量内部电路实现较低的静态电流消耗。此外,附带的扭矩标量能够通过数字输入引脚动态调节输出电流。该特性可降低控制器所需电流,实现更低功耗。

还提供了各种内部保护功能,如欠压锁定、每个 FET 的过流保护、短路保护、开路负载检测和过热保护等。故障状态通过 nFAULT 引脚指示。I2C 器件版本 (DRV8847S) 提供详细诊断。

  • 双路 H 桥电机驱动器
    • 单路或双路刷式直流电机
    • 一个双极步进电机
    • 电磁阀负载
  • 2.7V 至 18V 工作电压范围
  • 每个 H 桥均提供高输出电流
    • TA = 25°C 时,驱动器电流为 1A RMS
    • 并行模式下 TA = 25°C 时,驱动器电流为 2A RMS
  • VM > 5V 时具有低导通电阻
    • TA = 25°C 时,RDS(ON) (HS + LS) 为 1000mΩ
  • 多种控制接口选项
    • 4 引脚接口
    • 2 引脚接口
    • 并联桥接式接口
    • 独立桥接式接口
  • 采用 20µs 固定关断时间进行电流调节
  • 输出电流调节至 50% 的扭矩标量
  • 支持 1.8V、3.3V、5V 逻辑输入
  • 低功耗睡眠模式
    • VVM = 12V、TA = 25°C 时,睡眠模式电源电流为 1.7µA
  • 提供 I2C 器件版本 (DRV8847S)
    • I2C 寄存器上显示详细诊断
    • 多从运行支持
    • 支持标准和快速 I2C 模式
  • 小型封装和尺寸
    • 16 引脚 TSSOP(无散热垫)
    • 16 引脚 HTSSOP PowerPAD™封装
    • 16 引脚 WQFN 热封装
  • 内置保护 特性
    • VM 欠压锁定
    • 过流保护
    • 开路负载检测
    • 热关断
    • 故障条件指示引脚 (nFAULT)
Number of full bridges2
Vs (min) (V)2.7
Vs ABS (max) (V)20
Full-scale current (A)1
Peak output current (A)2
RDS(ON) (HS + LS) (mΩ)1000
Sleep current (µA)1.7
Control modeIndependent 1/2-Bridge
Control interfaceHardware (GPIO), I2C
FeaturesCurrent Regulation, Open-Load Detection
RatingCatalog
Operating temperature range (°C)-40 to 125
HTSSOP (PWP)1632 mm² 5 x 6.4
TSSOP (PW)1632 mm² 5 x 6.4
WQFN (RTE)169 mm² 3 x 3
产品购买
  • 商品型号
  • 封装
  • 工作温度
  • 包装
  • 价格
  • 现货库存
  • 操作
10s
温馨提示:
订单商品问题请移至我的售后服务提交售后申请,其他需投诉问题可移至我的投诉提交,我们将在第一时间给您答复
返回顶部