h1_key

TI(德州仪器) DRV8306
德州仪器 (TI) 全系列产品在线购买
  • TI(德州仪器) DRV8306
  • TI(德州仪器) DRV8306
  • TI(德州仪器) DRV8306
  • TI(德州仪器) DRV8306
  • TI(德州仪器) DRV8306
  • TI(德州仪器) DRV8306
立即查看
您当前的位置: 首页 > 电机驱动器 > 无刷直流 (BLDC) 电机驱动器 > BLDC 驱动器 > DRV8306
DRV8306

DRV8306

正在供货

最大 40V 含传感器梯形控制三相 BLDC 智能栅极驱动器

产品详情
  • 说明
  • 特性
  • 参数
  • 封装 | 引脚 | 尺寸

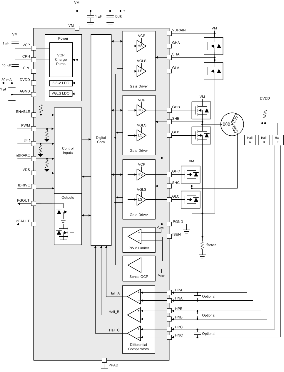
DRV8306 器件是一款集成式栅极驱动器,适用于三相无刷直流 (BLDC) 电机 应用。此器件具有三个半桥栅极驱动器,每个驱动器都能够驱动高侧和低侧 N 沟道功率 MOSFET。DRV8306 器件使用集成电荷泵为高侧 MOSFET 生成合适的栅极驱动电压,并使用线性稳压器为低侧 MOSFET 生成合适的栅极驱动电压。智能栅极驱动架构支持高达 150mA 的峰值栅极驱动拉电流和 300mA 的峰值栅极驱动灌电流以及 15mA rms 栅极驱动电流能力。

此器件为梯形 BLDC 电机提供内部 120° 换向。DRV8306 器件具有三个霍尔比较器,它们使用来自霍尔元件的输入进行内部换向。可通过 PWM 引脚对电机相电压的占空比进行调整。通过额外提供的制动 (nBRAKE) 和方向 (DIR) 引脚可制动 BLDC 电机和设置电机方向。使用提供的 3.3V、30mA 低压降 (LDO) 稳压器可为外部控制器和霍尔元件供电。此外提供额外的 FGOUT 信号来衡量换向频率。该信号可用于实现 BLDC 电机的闭环控制。

提供了低功耗睡眠模式,以通过关断大部分的内部电路实现较低的静态电流消耗。针对欠压锁定、电荷泵故障、MOSFET 过流、MOSFET 短路、栅极驱动器故障和过热等情况,提供内部保护功能。故障情况通过 nFAULT 引脚指示。

  • 6V 至 38V、三个半桥栅极驱动器,集成了 3 个霍尔比较器
    • 40V 绝对最大额定值
    • 针对 12V 和 24V 直流电源轨进行了全面优化
    • 驱动高侧和低侧 N 沟道 MOSFET
    • 支持 100% PWM 占空比
  • 智能栅极驱动架构
    • 通过可调压摆率控制实现更出色的 EMI 和 EMC 性能
    • 通过 VGS 握手和最小死区时间插入方法避免击穿
    • 15mA 至 150mA 峰值拉电流
    • 30mA 至 300mA 峰值灌电流
  • 通过霍尔传感器集成了换向
    • 120° 梯形电流控制
    • 支持低成本霍尔元件
    • 通过转速输出信号 (FGOUT) 实现闭环速度控制
  • 集成栅极驱动器电源
    • 高侧电荷泵
    • 低侧线性稳压器
  • 逐周期电流限制
  • 支持 1.8V、3.3V 和 5V 逻辑输入
  • 低功耗睡眠模式
  • 3.3V、30mA 线性稳压器
  • 紧凑型 VQFN 封装和外形尺寸
  • 集成式保护 特性
    • VM 欠压闭锁 (UVLO)
    • 电荷泵欠压 (CPUV)
    • MOSFET 过流保护 (OCP)
    • 栅极驱动器故障 (GDF)
    • 热关断 (OTSD)
    • 故障状态指示器 (nFAULT)
RatingCatalog
ArchitectureGate driver
Control interface1xPWM
Gate drive (A)0.15
Vs (min) (V)6
Vs ABS (max) (V)40
FeaturesHall Element Comparators, Hardware Management I/F, Integrated Motor Control, Smart Gate Drive, Tach/FG Feedback
Operating temperature range (°C)-40 to 125
VQFN (RSM)3216 mm² 4 x 4
产品购买
  • 商品型号
  • 封装
  • 工作温度
  • 包装
  • 价格
  • 现货库存
  • 操作
10s
温馨提示:
订单商品问题请移至我的售后服务提交售后申请,其他需投诉问题可移至我的投诉提交,我们将在第一时间给您答复
返回顶部