h1_key

TI(德州仪器) DRV8323
德州仪器 (TI) 全系列产品在线购买
  • TI(德州仪器) DRV8323
  • TI(德州仪器) DRV8323
  • TI(德州仪器) DRV8323
  • TI(德州仪器) DRV8323
  • TI(德州仪器) DRV8323
  • TI(德州仪器) DRV8323
立即查看
您当前的位置: 首页 > 电机驱动器 > 无刷直流 (BLDC) 电机驱动器 > BLDC 驱动器 > DRV8323
DRV8323

DRV8323

正在供货

具有电流分流放大器的最大 65V 三相智能栅极驱动器

产品详情
  • 说明
  • 特性
  • 参数
  • 封装 | 引脚 | 尺寸

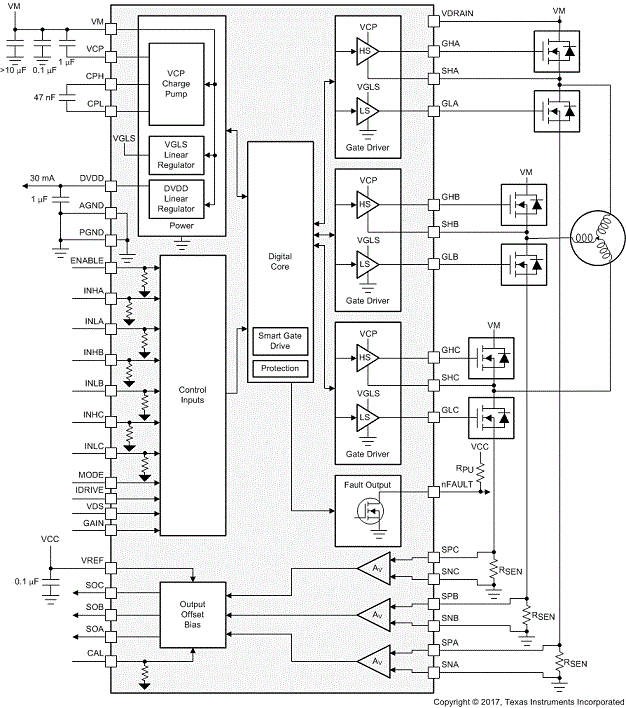
DRV832x 系列器件是适用于三相 应用的集成式栅极驱动器。这些器件具有三个半桥栅极驱动器,每个驱动器都能够驱动高侧和低侧 N 沟道功率 MOSFET。DRV832x 使用集成电荷泵为高侧 MOSFET 生成合适的栅极驱动电压,并使用线性稳压器为低侧 MOSFET 生成合适的栅极驱动电压。此智能栅极驱动架构支持高达 1A 的峰值栅极驱动拉电流和 2A 的峰值栅极驱动灌电流。DRV832x 可由单个电源供电,并支持适用于栅极驱动器的 6V 至 60V,以及适用于可选降压稳压器的 4V 至 60V 宽输入电源范围。

6x、3x、1x 和独立输入 PWM 模式可简化与控制器电路的连接。栅极驱动器和器件的配置设置具有高度可配置性,可通过 SPI 或硬件 (H/W) 接口实现。DRV8323 和 DRV8323R 器件集成了三个低侧电流检测放大器,可在驱动级的全部三个相位上进行双向电流检测。DRV8320R 和 DRV8323R 器件集成了一个 600mA 降压稳压器。

提供了低功耗睡眠模式,以通过关断大部分的内部电路实现较低的静态电流消耗。针对欠压锁定、电荷泵故障、MOSFET 过流、MOSFET 短路、栅极驱动器故障和过热等情况,提供内部保护功能。故障状况及故障详情可通过 SPI 器件型号的器件寄存器显示在 nFAULT 引脚上。

  • 三个半桥栅极驱动器
    • 可驱动 3 个高侧和 3 个低侧 N 沟道 MOSFET (NMOS)
  • 智能栅极驱动架构
    • 可调转换率控制
    • 10mA 至 1A 峰值拉电流
    • 20mA 至 2A 峰值灌电流
  • 集成栅极驱动器电源
    • 支持 100% PWM 占空比
    • 高侧电荷泵
    • 低侧线性稳压器
  • 6V 至 60V 工作电压范围
  • 可选集成式降压稳压器
    • LMR16006X SIMPLE SWITCHER®
    • 4V 至 60V 工作电压范围
    • 0.8V 至 60V、600mA 输出能力
  • 三个可选集成式电流检测放大器 (CSA)
    • 可调增益(5、10、20、40 V/V)
    • 双向或单向支持
  • 提供有 SPI 和硬件接口
  • 6x、3x、1x 和独立的 PWM 模式
  • 支持 1.8V、3.3V 和 5V 逻辑输入
  • 低功耗睡眠模式 (12µA)
  • 3.3V、30mA 线性稳压器
  • 紧凑型 QFN 封装和尺寸
  • 采用电源块的高效系统设计
  • 集成式保护 特性
    • VM 欠压闭锁 (UVLO)
    • 电荷泵欠压 (CPUV)
    • MOSFET 过流保护 (OCP)
    • 栅极驱动器故障 (GDF)
    • 热警告和热关断 (OTW/OTSD)
    • 故障状态指示器 (nFAULT)
RatingCatalog
ArchitectureGate driver
Control interface1xPWM, 3xPWM, 6xPWM
Gate drive (A)1
Vs (min) (V)6
Vs ABS (max) (V)65
FeaturesCurrent sense Amplifier, Hardware Management I/F, SPI/I2C, Smart Gate Drive
Operating temperature range (°C)-40 to 125
WQFN (RTA)4036 mm² 6 x 6
产品购买
  • 商品型号
  • 封装
  • 工作温度
  • 包装
  • 价格
  • 现货库存
  • 操作
10s
温馨提示:
订单商品问题请移至我的售后服务提交售后申请,其他需投诉问题可移至我的投诉提交,我们将在第一时间给您答复
返回顶部