h1_key

TI(德州仪器) LP358
德州仪器 (TI) 全系列产品在线购买
  • TI(德州仪器) LP358
  • TI(德州仪器) LP358
  • TI(德州仪器) LP358
  • TI(德州仪器) LP358
  • TI(德州仪器) LP358
  • TI(德州仪器) LP358
立即查看
您当前的位置: 首页 > 放大器 > 运算放大器 (op amps) > 通用运算放大器 > LP358
LP358

LP358

正在供货

工作温度范围为 0°C 至 70°C 的双路、32V、100kHz、低 Iq(21µA/通道)、4mV 失调电压运算放大器

产品详情
  • 说明
  • 特性
  • 参数
  • 封装 | 引脚 | 尺寸

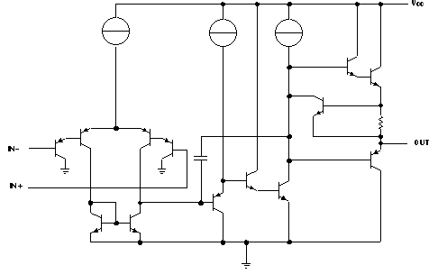
The LP358 and LP2904 devices are dual low-power operational amplifiers especially suited for battery-operated applications. Good input specifications and wide supply-voltage range still are achieved despite the ultra-low supply current. Single-supply operation is achieved with an input common-mode range that includes GND.

The LP358 and LP2904 devices are ideal in applications where wide supply voltages and low power are more important than speed and bandwidth. These applications include portable instrumentation, LCD displays, consumer electronics (MP3 players, toys, and so forth), and power supplies.

  • Low Supply Current: 54 µA (Typical)
  • Low Offset Voltage: 2 mV (Typical)
  • Low Input Bias Current: 2 nA (Typical)
  • Input Common-Mode to GND
  • Wide Supply Voltage: 3 V < VCC < 32 V
  • Pin Compatible With LM358 and LM2904
Number of channels2
Total supply voltage (+5 V = 5, ±5 V = 10) (max) (V)32
Total supply voltage (+5 V = 5, ±5 V = 10) (min) (V)3
Rail-to-railIn to V-
GBW (typ) (MHz)0.1
Slew rate (typ) (V/µs)0.05
Vos (offset voltage at 25°C) (max) (mV)4
Iq per channel (typ) (mA)0.02125
Vn at 1 kHz (typ) (nV√Hz)80
RatingCatalog
Operating temperature range (°C)0 to 70
Offset drift (typ) (µV/°C)10
Input bias current (max) (pA)10000
CMRR (typ) (dB)90
Iout (typ) (A)0.004
ArchitectureBipolar
Input common mode headroom (to negative supply) (typ) (V)0
Input common mode headroom (to positive supply) (typ) (V)-1.5
Output swing headroom (to negative supply) (typ) (V)0.7
Output swing headroom (to positive supply) (typ) (V)-1.4
SOIC (D)829.4 mm² 4.9 x 6
产品购买
  • 商品型号
  • 封装
  • 工作温度
  • 包装
  • 价格
  • 现货库存
  • 操作
10s
温馨提示:
订单商品问题请移至我的售后服务提交售后申请,其他需投诉问题可移至我的投诉提交,我们将在第一时间给您答复
返回顶部