h1_key

TI(德州仪器) DRV8872-Q1
德州仪器 (TI) 全系列产品在线购买
  • TI(德州仪器) DRV8872-Q1
  • TI(德州仪器) DRV8872-Q1
  • TI(德州仪器) DRV8872-Q1
  • TI(德州仪器) DRV8872-Q1
  • TI(德州仪器) DRV8872-Q1
  • TI(德州仪器) DRV8872-Q1
立即查看
您当前的位置: 首页 > 电机驱动器 > 有刷直流 (BDC) 电机驱动器 > DRV8872-Q1
DRV8872-Q1

DRV8872-Q1

正在供货

具有故障报告和电流调节功能的汽车类 50V、3.6A H 桥电机驱动器

产品详情
  • 说明
  • 特性
  • 参数
  • 封装 | 引脚 | 尺寸

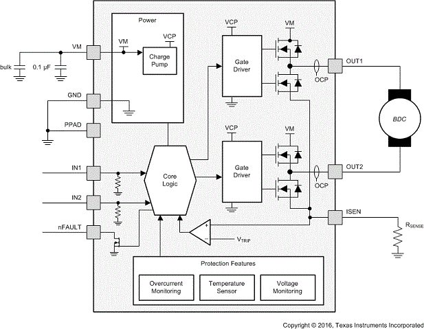
DRV8872-Q1 器件是一款刷式直流 (BDC) 电机驱动器,适用于信息娱乐系统、HUD 投影仪调整、电动移位器旋钮和压电警报驱动器。两个逻辑输入控制 H 桥驱动器,该驱动器由四个 N 沟道金属氧化物半导体场效应晶体管 (MOSFET) 组成,能够以高达 3.6A 的峰值电流执行双向电机控制。利用电流衰减模式,可通过对输入进行脉宽调制 (PWM) 来控制电机转速。如果将两个输入均置为低电平,则电机驱动器将进入低功耗休眠模式。

DRV8872-Q1 器件 具备 集成电流调节功能。该功能基于内部基准电压以及 ISEN 引脚电压(与流经外部感测电阻的电机电流成正比)。该器件能够将电流限制在某一已知水平,这可显著降低系统功耗要求,并且无需大容量电容来维持稳定电压,尤其是在电机启动和停转时。

该器件针对故障和短路问题提供了全面保护,包括欠压锁定 (UVLO)、过流保护 (OCP) 和热关断 (TSD)。通过将 nFAULT 输出拉为低电平来报告故障。故障排除后,器件自动恢复正常状态。

  • 符合汽车类应用的 AEC-Q100 标准:
    • 器件温度 1 级:-40℃ 至 +125℃ 的环境运行温度范围
    • 器件人体模型 (HBM) 静电放电 (ESD) 分类等级 2
    • 器件组件充电模式 (CDM) ESD 分类等级 C4B
  • H 桥电机驱动器
    • 驱动一个直流电机、一个步进电机的绕组或其他负载
  • 6.8V 至 45V 宽工作电压范围
  • 565mΩ(典型值)RDS(on) (HS + LS)
  • 3.6A 峰值电流驱动能力
  • 脉宽调制 (PWM) 控制接口
  • 集成电流调节功能
  • 低功耗休眠模式
  • 故障状态输出引脚
  • 小型封装尺寸
    • 8 引脚 HSOP 封装,带有 PowerPAD
    • 4.9mm × 6mm
  • 集成保护 功能
    • VM 欠压闭锁 (UVLO)
    • 过流保护 (OCP)
    • 热关断 (TSD)
    • 故障报告 (nFAULT)
    • 自动故障恢复

应用范围

  • 车用信息娱乐
  • HUD 投影仪调整
  • 电动移位旋钮
  • 压电警报驱动器

All trademarks are the property of their respective owners.

Number of full bridges1
Vs (min) (V)6.5
Vs ABS (max) (V)50
Peak output current (A)3.7
RDS(ON) (HS + LS) (mΩ)565
Sleep current (µA)13
Control modePWM
Control interfaceHardware (GPIO)
FeaturesCurrent Regulation
RatingAutomotive
TI functional safety categoryFunctional Safety-Capable
Operating temperature range (°C)-40 to 125
HSOIC (DDA)829.4 mm² 4.9 x 6
产品购买
  • 商品型号
  • 封装
  • 工作温度
  • 包装
  • 价格
  • 现货库存
  • 操作
10s
温馨提示:
订单商品问题请移至我的售后服务提交售后申请,其他需投诉问题可移至我的投诉提交,我们将在第一时间给您答复
返回顶部