h1_key

TI(德州仪器) DRV8305-Q1
德州仪器 (TI) 全系列产品在线购买
  • TI(德州仪器) DRV8305-Q1
  • TI(德州仪器) DRV8305-Q1
  • TI(德州仪器) DRV8305-Q1
  • TI(德州仪器) DRV8305-Q1
  • TI(德州仪器) DRV8305-Q1
  • TI(德州仪器) DRV8305-Q1
立即查看
您当前的位置: 首页 > 电机驱动器 > 无刷直流 (BLDC) 电机驱动器 > BLDC 驱动器 > DRV8305-Q1
DRV8305-Q1

DRV8305-Q1

正在供货

汽车类 12V 电池三相智能栅极驱动器(0 级和 1 级)

产品详情
  • 说明
  • 特性
  • 参数
  • 封装 | 引脚 | 尺寸

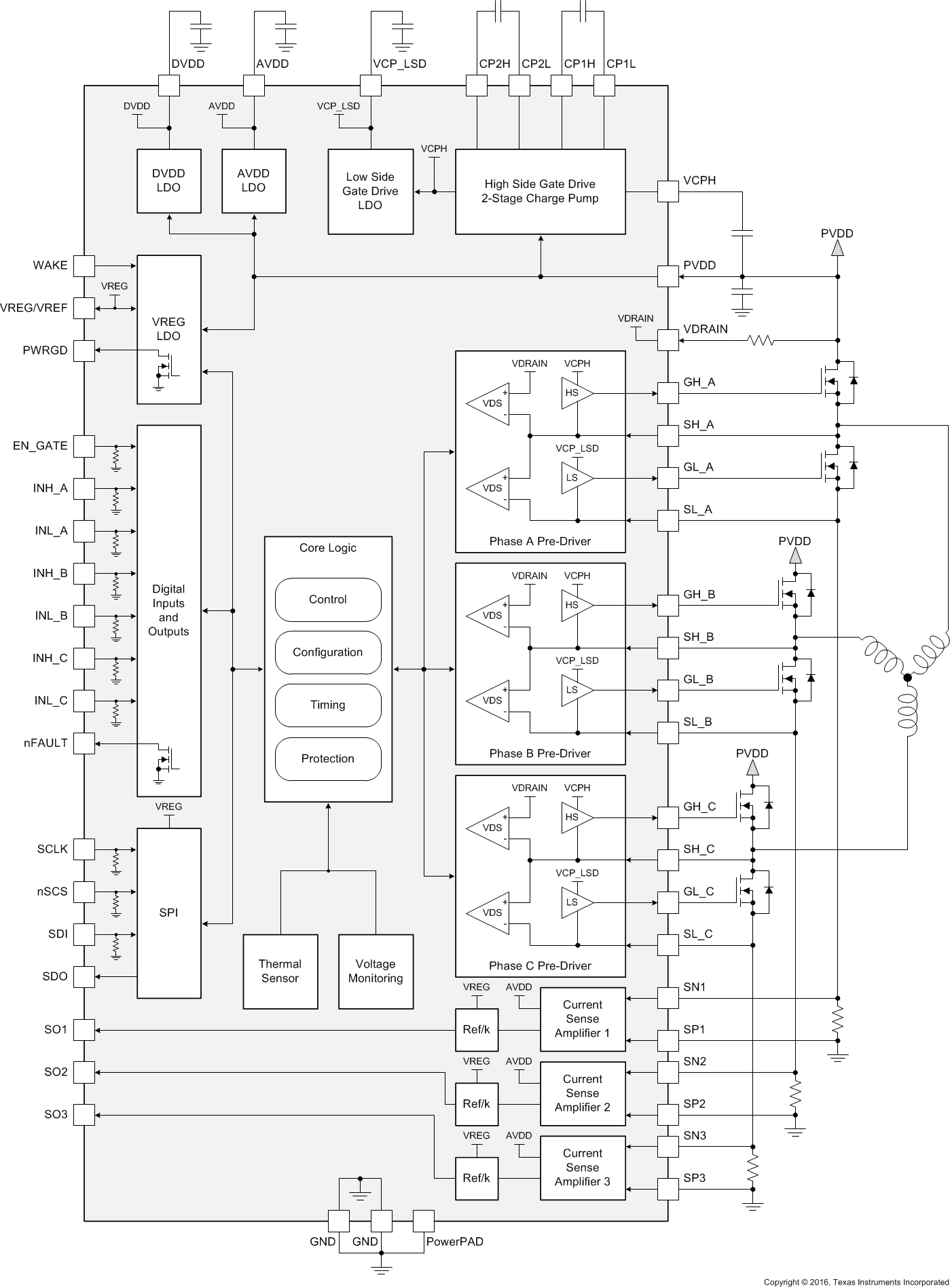
DRV8305-Q1 器件是一款适用于三相电机驱动应用的 栅极驱动器 IC。该器件提供了三个高精度半桥驱动器,每个驱动器能够驱动一个高侧和低侧 N 沟道 MOSFET。电荷泵驱动器支持占空比为 100% 的低压操作,适用于冷启动条件。该器件最高可耐受 45V 负载突降电压。

DRV8305-Q1 器件具备三个双向分流放大器,支持可变增益设置和可调节偏移基准,可精确测量低侧电流。

DRV8305-Q1 器件具有一个集成稳压器,可满足微控制器 (MCU) 或其他系统的电源要求。稳压器可与 LIN 物理接口直接相连,支持低功耗系统待机和休眠模式。

栅极驱动器在切换时使用自动握手,以防止发生电流击穿。可精确感测高侧和低侧 MOSFET 的 VDS,从而防止外部 MOSFET 出现过流情况。SPI 提供详细的故障报告、诊断和器件配置,例如分流放大器的增益选项、独立的 MOSFET 过流检测和栅极驱动转换率控制。

器件选项:

  • DRV8305NQ:1 级,带有电压基准
  • DRV83053Q:1 级,带有 3.3V、50mA LDO
  • DRV83055Q:1 级,带有 5V、50mA LDO
  • DRV8305NE:0 级,带有电压基准

  • 具有符合面向汽车应用的 AEC-Q100 标准
  • 环境工作温度范围:
    • 温度等级 0 (E):–40°C 至 +150°C
    • 温度等级 1 (Q):–40°C 至 +125°C
  • 4.4V 至 45V 工作电压范围
  • 1.25A 和 1A 峰值栅极驱动电流
  • 智能栅极驱动架构(IDRIVE 和 TDRIVE)
  • 可编程高侧和低侧压摆率控制
  • 支持 100% 占空比的电荷泵栅极驱动器
  • 三个集成式分流放大器
  • 50mA 集成型 LDO(3.3V 和 5V 选项)
  • 高达 200kHz 的 3 PWM 或 6 PWM 输入控制
  • 能够进行单 PWM 模式换向
  • 用于器件设置和故障报告的串行外设接口 (SPI)
  • 耐热增强型 48 引脚 HTQFP 封装
  • 保护 功能:
    • 故障诊断和 MCU 看门狗
    • 可编程的死区时间控制
    • MOSFET 击穿保护
    • MOSFET VDS 过流监视器
    • 栅极驱动器故障检测
    • 支持电池反向保护
    • 支持跛行回家模式
    • 过热警告和关断
RatingAutomotive
ArchitectureGate driver
Control interface1xPWM, 3xPWM, 6xPWM
Gate drive (A)1
Vs (min) (V)4.4
Vs ABS (max) (V)45
FeaturesCurrent sense Amplifier, LDO, SPI/I2C, Smart Gate Drive, Watchdog timer
Operating temperature range (°C)-40 to 150
HTQFP (PHP)4881 mm² 9 x 9
产品购买
  • 商品型号
  • 封装
  • 工作温度
  • 包装
  • 价格
  • 现货库存
  • 操作
10s
温馨提示:
订单商品问题请移至我的售后服务提交售后申请,其他需投诉问题可移至我的投诉提交,我们将在第一时间给您答复
返回顶部