h1_key

TI(德州仪器) DRV10970
德州仪器 (TI) 全系列产品在线购买
  • TI(德州仪器) DRV10970
  • TI(德州仪器) DRV10970
  • TI(德州仪器) DRV10970
  • TI(德州仪器) DRV10970
  • TI(德州仪器) DRV10970
  • TI(德州仪器) DRV10970
立即查看
您当前的位置: 首页 > 电机驱动器 > 无刷直流 (BLDC) 电机驱动器 > 集成控制 BLDC 驱动器 > DRV10970
DRV10970

DRV10970

正在供货

12V 标称电压、3A 峰值含传感器正弦或梯形控制三相 BLDC 电机驱动器

产品详情
  • 说明
  • 特性
  • 参数
  • 封装 | 引脚 | 尺寸

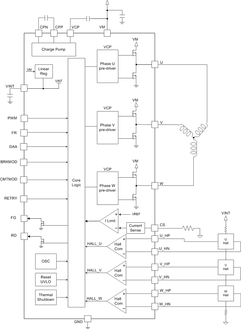
DRV10970 是一款集成式三相 BLDC 电机驱动器,适用于家用电器、冷却风扇以及其他通用电机控制 应用。该器件内置智能特性,并且拥有小巧外形和简单的引脚分布结构,不仅降低了设计复杂度、节省了电路板空间,而且还降低了系统成本。集成的保护功能提高了系统的稳健性和可靠性。

DRV10970 的输出级包含三个 RDSON 为 400 mΩ (H + L) 的半桥。每个半桥都能够驱动高达 1A RMS 和 1.5A 峰值的输出电流。当器件进入休眠模式时,电流消耗典型值为 35µA。

该器件内置有高级的 180° 正弦波形换向算法,可实现高效率、低转矩纹波和出色的声学性能。自适应驱动角度调整功能可确保器件在任何电机参数和负载条件下获得最优效率。

DRV10970 针对基于差分或单端霍尔传感器的应用而 设计。差分霍尔信号输入由集成的比较器检测。该器件支持基于三个霍尔传感器和单个霍尔传感器的 应用;单霍尔传感器模式通过减少两个霍尔传感器来降低系统成本。

要了解所有可用封装,请见数据表末尾的可订购产品附录。

All trademarks are the property of their respective owners.

该器件实现了一个标准控制接口,其中包含脉宽调制 (PWM) 输入(速度命令)、FG 输出(速度反馈)、FR 输入(正向和反向控制)以及 RD 输出(电机锁定指示)。

DRV10970 器件支持以 30° 和 0° 放置霍尔传感器(相对于对应相的 BEMF)。该器件实现了梯形驱动模式来满足更高的功率需求。

DRV10970 器件根据霍尔传感器输入是否切换开关状态来确定转子锁定情况。该器件会在经过一段可调节的自动重试时间(可通过连接至 RETRY 引脚的电容来配置)后重试旋转电机。

该器件包含多种保护 功能来提高系统稳健性:过流保护、欠压保护、过热保护以及转子锁定检测与报告。

DRV10970 采用耐热增强型 24 引脚薄型小外形尺寸 (TSSOP) 封装(环境友好型:符合 RoHS 标准并且无 Sb/Br)。

  • 宽电源电压范围:5V 至 18V
  • 集成场效应晶体管 (FET):1A 均方根 (RMS)、1.5A 峰值输出相位/绕组电流
  • 总驱动器 H + L RDSON:400mΩ
  • 内置 180° 正弦波形和梯形换向
  • 休眠模式下的功耗超低
    (35µA)
  • 自适应驱动角度调整
  • 三霍尔传感器或单霍尔传感器两个选项,最大程度地降低系统成本
  • 电机旋转方向控制
  • 可配置为以 30° 或 0° 放置霍尔传感器
  • 可调节的重试时间(电机锁定后)
  • 可通过编程设定的电流限制功能
  • 转速计 – 在开漏 FG 引脚上提供电机转速信息
  • 在开漏 RD 引脚上提供电机锁定报告
  • 保护 特性
    • 电源 (VM) 欠压锁定
    • 逐周期电流限制
    • 过流保护 (OCP)
    • 热关断
    • 电机锁定检测和报告

应用

  • 冷却风扇
  • 小型家用电器
  • 通用无刷直流 (BLDC) 电机驱动器

All trademarks are the property of their respective owners.

RatingCatalog
ArchitectureIntegrated FET
Control topologySensored, Sinusoidal, Trapezoidal
Control interface1xPWM
Vs (min) (V)5
Vs ABS (max) (V)20
FeaturesAdaptive Drive Angle Adjustment (ADAA), Hall Element Comparators, Integrated FETs, Integrated Motor Control, Tach/FG Feedback
Operating temperature range (°C)-40 to 125
HTSSOP (PWP)2449.92 mm² 7.8 x 6.4
产品购买
  • 商品型号
  • 封装
  • 工作温度
  • 包装
  • 价格
  • 现货库存
  • 操作
10s
温馨提示:
订单商品问题请移至我的售后服务提交售后申请,其他需投诉问题可移至我的投诉提交,我们将在第一时间给您答复
返回顶部