h1_key

TI(德州仪器) DRV8704
德州仪器 (TI) 全系列产品在线购买
  • TI(德州仪器) DRV8704
  • TI(德州仪器) DRV8704
  • TI(德州仪器) DRV8704
  • TI(德州仪器) DRV8704
  • TI(德州仪器) DRV8704
  • TI(德州仪器) DRV8704
立即查看
您当前的位置: 首页 > 电机驱动器 > 有刷直流 (BDC) 电机驱动器 > DRV8704
DRV8704

DRV8704

正在供货

60V 双路 H 桥智能栅极驱动器

产品详情
  • 说明
  • 特性
  • 参数
  • 封装 | 引脚 | 尺寸

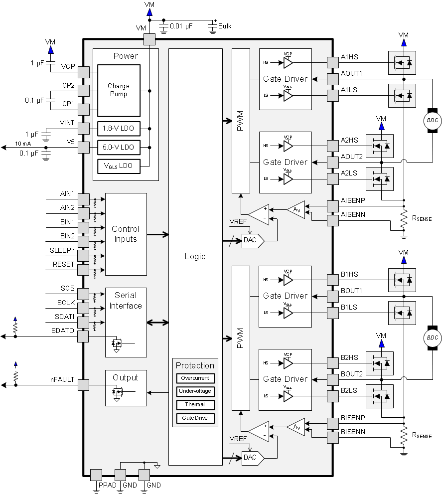
DRV8704 是一款适用于工业设备应用的双路刷式电机控制器。该器件可控制配置为双 H 桥的外部 N 沟道 MOSFET。

该器件使用自适应消隐时间和各种电流衰减模式(包括自动混合衰减模式)对电机电流进行精确控制。

通过一个简单的 PWM 接口即可轻松与控制器电路相连。SPI 串行接口用于对器件的工作模式进行编程。输出电流(转矩)、栅极驱动器设置以及衰减模式均可通过 SPI 串行接口进行编程。

该器件的内部关断功能可提供过流保护、短路保护、栅极驱动器故障排除、欠压锁定 (UVLO) 以及过热保护。FAULTn 引脚用于指示故障情况,故障情况通过各自的 SPI 专用位进行报告。

DRV8704 采用 PowerPAD带有散热焊盘的 38 引脚 HTSSOP 封装(环保型:符合 RoHS 标准且不含锑/溴)。

  • 脉宽调制 (PWM) 电机驱动器
    • 驱动外部 N 沟道金属氧化物半导体场效应晶体管 (MOSFET)
    • 双路直流电机的 PWM 控制接口
    • 支持 100% 脉宽调制 (PWM) 占空比
  • 运行电源电压范围:8V 至 52V
  • 可调节栅极驱动(4 级)
    • 50mA 至 200mA 拉电流
    • 100mA 至 400mA 灌电流
  • 集成 PWM 电流调节功能
  • 灵活的衰减模式
    • 自动混合衰减模式
    • 慢速衰减
    • 快速衰减
    • 混合衰减(百分比可调,快速)
  • 高度可配置的串行外设接口 (SPI)
  • 以数字方式调节电流的转矩数模转换器 (DAC)
  • 低电流休眠模式 (65μA)
  • 5V、10mA 低压降 (LDO) 稳压器
  • 耐热增强型表面贴装封装
    • 38 引脚散热薄型小外形尺寸 (HTSSOP) (PowerPAD) 封装
  • 保护特性
    • VM 欠压闭锁 (UVLO)
    • 栅极驱动器故障 (PDF)
    • 过流保护 (OCP)
    • 热关断 (TSD)
    • 故障条件指示引脚 (nFAULT)
    • 通过 SPI 进行故障诊断

应用

  • 自动取款机和验钞机
  • 办公自动化设备
  • 工厂自动化和机器人
  • 纺织机器

All trademarks are the property of their respective owners.

Number of full bridges2
Vs (min) (V)8
Vs ABS (max) (V)60
Sleep current (µA)65
Control modePWM
Control interfaceHardware (GPIO), SPI
FeaturesCurrent Regulation
RatingCatalog
Operating temperature range (°C)-40 to 85
HTSSOP (DCP)3862.08 mm² 9.7 x 6.4
产品购买
  • 商品型号
  • 封装
  • 工作温度
  • 包装
  • 价格
  • 现货库存
  • 操作
10s
温馨提示:
订单商品问题请移至我的售后服务提交售后申请,其他需投诉问题可移至我的投诉提交,我们将在第一时间给您答复
返回顶部