h1_key

TI(德州仪器) DRV8303
德州仪器 (TI) 全系列产品在线购买
  • TI(德州仪器) DRV8303
  • TI(德州仪器) DRV8303
  • TI(德州仪器) DRV8303
  • TI(德州仪器) DRV8303
  • TI(德州仪器) DRV8303
  • TI(德州仪器) DRV8303
立即查看
您当前的位置: 首页 > 电机驱动器 > 无刷直流 (BLDC) 电机驱动器 > BLDC 驱动器 > DRV8303
DRV8303

DRV8303

正在供货

具有电流分流放大器和 SPI 的最大 65V 三相栅极驱动器

产品详情
  • 说明
  • 特性
  • 参数
  • 封装 | 引脚 | 尺寸

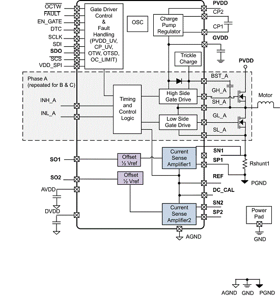
DRV8303 是一款适用于三相电机驱动应用的栅极驱动器 IC。该器件提供三个半桥驱动器,每个驱动器能够驱动两个 N 通道 MOSFET。该器件最高支持 1.7A 拉电流和 2.3A 峰值电流。DRV8303 可在 6V 至 60V 的宽电源范围内,在单一电源供电下运行。它采用自举栅极驱动器架构和涓流充电电路来支持 100% 占空比。DRV8303 在切换高侧或低侧 MOSFET 时使用自动握手机制,以防止发生电流击穿。高侧和低侧 MOSFET 的集成 VDS 感测用于防止外部功率级出现过流现象。

DRV8303 具有两个针对电流进行精确测量的分流放大器。这两个放大器支持双向电流感测,可提供高达 3V 的可调节输出失调电压。

串行外设接口 (SPI) 提供详细的故障报告和灵活的参数设置,例如电流分流放大器的增益选项和栅极驱动器的转换率控制。

  • 6V 至 60V 工作电源电压范围
  • 1.7A 拉电流和 2.3A 灌电流栅极驱动电流能力
  • 具有用于降低 EMI 的转换率控制
  • 支持 100% 占空比的自举栅极驱动器
  • 6 种或 3 种脉宽调制 (PWM) 输入模式
  • 具有可调节增益和偏移的双集成电流分流放大器
  • 支持 3.3V 和 5V 接口
  • 串行外设接口 (SPI)
  • DRV8303 中的 特性:
    • 可编程死区控制 (DTC)
    • 可编程过流保护 (OCP)
    • PVDD 和 GVDD 欠压锁定 (UVLO)
    • GVDD 过压锁定 (OVLO)
    • 过热警告/关断 (OTW/OTS)
    • 通过 nFAULT、nOCTW 和 SPI 寄存器进行报告
RatingCatalog
ArchitectureGate driver
Control interface3xPWM, 6xPWM
Gate drive (A)1.7
Vs (min) (V)6
Vs ABS (max) (V)65
FeaturesCurrent sense Amplifier, SPI/I2C
Operating temperature range (°C)-40 to 125
HTSSOP (DCA)48101.25 mm² 12.5 x 8.1
产品购买
  • 商品型号
  • 封装
  • 工作温度
  • 包装
  • 价格
  • 现货库存
  • 操作
10s
温馨提示:
订单商品问题请移至我的售后服务提交售后申请,其他需投诉问题可移至我的投诉提交,我们将在第一时间给您答复
返回顶部