h1_key

TI(德州仪器) TPIC2040
德州仪器 (TI) 全系列产品在线购买
  • TI(德州仪器) TPIC2040
  • TI(德州仪器) TPIC2040
  • TI(德州仪器) TPIC2040
  • TI(德州仪器) TPIC2040
  • TI(德州仪器) TPIC2040
  • TI(德州仪器) TPIC2040
立即查看
您当前的位置: 首页 > 电机驱动器 > 光盘驱动器 > TPIC2040
TPIC2040

TPIC2040

正在供货

用于光盘驱动器的串行接口控制型 7 通道电机驱动器

产品详情
  • 说明
  • 特性
  • 参数
  • 封装 | 引脚 | 尺寸

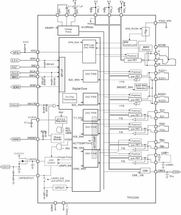
TPIC2040 是一款适用于薄型或超薄 DVD 读/写器的超低噪声电机驱动器集成电路 (IC)。该 IC 集成有电流感测电阻,能够测量 SPM 电流并降低驱动系统成本。该驱动器 IC 有 7 条通道且由串行接口控制,非常适用于驱动主轴电机、滑动电机、负载电机和聚焦/跟踪/倾斜执行器。主轴电机驱动器利用 BEMF 检测(无需传感器)来启动并控制主轴电机

由于所有通道的输出级均在高效的 PWM 驱动下工作,因此可通过 PWM 控制实现低功率运行。可以对聚焦/跟踪/倾斜执行器驱动器进行无死区控制。此外,该器件还内置有主轴部件输出电流限制电路、热关断电路、滑动结束位置检测电路、执行器保护和电源复位电路。

  • 串行外设接口 (SPI)
    • 最大读写频率 35MHz
    • 3.3V 数字输入输出 (I/O)
  • 执行器和电机驱动器
    • 具有 H 桥输出的脉冲宽度调制 (PWM) 控制
    • 具有 12 位数模转换器 (DAC) 控制的聚焦/跟踪/倾斜执行器驱动器
    • 具有电流模式、10 位 DAC 控制的滑动电机驱动器
    • 具有 12 位 DAC 控制的负载驱动器
    • 无需位置传感器即可检测滑动结束位置
  • 主轴电机驱动器
    • 集成主轴电流感测电阻
    • 可通过设置寄存器来选择 0.20Ω 至 0.27Ω 的电流感测电阻值,从而将 SPM 电流限制在 725mA 至 980mA
    • 无传感器:通过电机反电动势 (BEMF) 感测转子位置
    • 通过串行端口编程 12 位主轴 DAC
    • 独立的感应位置感测和启动
    • 通过名为自动短制动的自动控制制动实现急停(短制动和主动制动)
    • 最大持续电流为 0.7A,不存在散热问题
    • 低速 (LS) 模式:限制在正常速度的 25%
  • 实用功能
    • XRESET 信号,具有 20ms 数字延时(上电复位 (POR))
    • 状态锁存器:执行器定时器、SIF 错误、电源监视器、热保护和过流保护 (OCP) 故障
  • 开关
    • CSW:软件控制电流输出端口
  • 低压降 (LDO) 前置驱动器
    • 具有外部晶体管的 3.3V 或 1.2V 电压输出的单通道 LDO 前置驱动器
  • 保护
    • CSW、SPM 和执行器通道上均配有独立热保护电路
    • 两个警报级别:热保护中的和
    • 负载驱动器中配有过流保护电路
    • CSW 输出具有可选 OCP 阈值电平
    • 硬件器件禁用引脚 XMUTE
    • 具有欠压闭锁 (UVLO) 和 过压保护 (OVP) 的电源监视器

应用

  • DVD 播放器
  • CD 播放器
  • 光盘驱动器

All trademarks are the property of their respective owners.

ApplicationsCD, DVD
Motor driver channels7
Integrated supply1 DC/DC converter
Operating supply (V)5
Driver supply voltage (V)5
Operating temperature range (°C)-20 to 75
RatingCatalog
TSSOP (DBT)3862.08 mm² 9.7 x 6.4
产品购买
  • 商品型号
  • 封装
  • 工作温度
  • 包装
  • 价格
  • 现货库存
  • 操作
10s
温馨提示:
订单商品问题请移至我的售后服务提交售后申请,其他需投诉问题可移至我的投诉提交,我们将在第一时间给您答复
返回顶部