h1_key

TI(德州仪器) UCC27528
德州仪器 (TI) 全系列产品在线购买
  • TI(德州仪器) UCC27528
  • TI(德州仪器) UCC27528
  • TI(德州仪器) UCC27528
  • TI(德州仪器) UCC27528
  • TI(德州仪器) UCC27528
  • TI(德州仪器) UCC27528
立即查看
您当前的位置: 首页 > 电源管理 > 栅极驱动器 > 低侧驱动器 > UCC27528
UCC27528

UCC27528

正在供货

具有 5V UVLO、CMOS 输入和使能功能的 5A/5A 双通道栅极驱动器

产品详情
  • 说明
  • 特性
  • 参数
  • 封装 | 引脚 | 尺寸

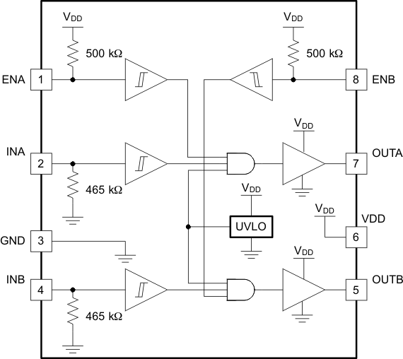
UCC2752x 系列产品是双通道、高速、低侧栅极驱动器,能够高效地驱动 MOSFET 和绝缘栅极型功率管 (IGBT) 电源开关。 UCC2752x 采用的设计方案可最大程度减少击穿电流,从而为电容负载提供高达 5A 的峰值拉/灌电流脉冲,同时提供轨到轨驱动能力以及超短的传播延迟(典型值为 17ns)。 除此之外,此驱动器特有两个通道间相匹配的内部传播延迟,这一特性使得此驱动器非常适合于诸如同步整流器等对于双栅极驱动有严格计时要求的应用。 输入引脚阈值基于 CMOS 逻辑,是 VDD 电源电压的函数。 阈值上下限间的宽滞后提供了出色的抗噪性。 此使能引脚基于 TTL 和 CMOS 兼容逻辑,与 VDD 电源电压无关。

The UCC27528 是一款双路非反相驱动器。 UCC27527 特有双路输入设计,可灵活地为每个通道提供反相(IN- 引脚)和非反相(IN+ 引脚)配置。 IN+ 引脚和 IN- 引脚均可用于控制驱动器输出的状态。 未使用的输入引脚可用于启用和禁用功能。 出于安全考虑,当输入引脚处于悬空状态时,UCC2752x 系列所有器件可通过输入引脚上的内部上拉和下拉电阻确保输出保持在低电平。 UCC27528 特有使能引脚(ENA 和 ENB)以更好地控制此驱动器应用的运行。 针对高电平有效逻辑,这些引脚被内部上拉至 VDD 并可为了实现标准运行而持续打开。

  • 引脚分配符合行业标准
  • 两个独立的栅极驱动通道
  • 5A 峰值供源和吸收驱动电流
  • 互补金属氧化物半导体 (CMOS) 输入逻辑阈值
    (VDD 引脚上的电源电压的函数)
  • 实现高抗噪性的滞后逻辑阈值
  • 针对每个输出的独立使能功能
  • 输入和使能引脚电压电平不受 VDD 引脚偏置电源电压限制
  • 4.5V 至 18V 单电源范围
  • VDD 欠压闭锁 (UVLO) 期间输出保持低电平(确保加电和断电时无毛刺脉冲运行)
  • 快速传播延迟(典型值 17ns)
  • 快速上升和下降时间(典型值 7ns 和 6ns)
  • 两通道间的延迟匹配时间典型值为 1ns
  • 当输入浮动时输出保持低电平
  • 小外形尺寸集成电路 (SOIC)-8 和 3mm x 3mm 晶圆级小外形无引线 (WSON)-8 封装选项
  • 工作温度范围 -40°C 至 140°C
  • 输入引脚具有 -5V 负电压处理能力

应用

  • 开关模式电源
  • 直流到直流转换器
  • 电机控制,太阳能
  • 用于诸如 GaN 等新兴宽带隙电源器件的栅极驱动

All trademarks are the property of their respective owners.

Number of channels2
Power switchGaNFET, IGBT, MOSFET
Peak output current (A)5
Input VCC (min) (V)4.5
Input VCC (max) (V)18
FeaturesNegative Voltage Handling on Input
Operating temperature range (°C)-40 to 140
Rise time (ns)7
Fall time (ns)6
Propagation delay time (µs)0.017
Input thresholdCMOS
Channel input logicDual, Non-Inverting
Input negative voltage (V)-5
RatingCatalog
Undervoltage lockout (typ) (V)4
Driver configurationDual, Non-Inverting
SOIC (D)829.4 mm² 4.9 x 6
WSON (DSD)89 mm² 3 x 3
产品购买
  • 商品型号
  • 封装
  • 工作温度
  • 包装
  • 价格
  • 现货库存
  • 操作
10s
温馨提示:
订单商品问题请移至我的售后服务提交售后申请,其他需投诉问题可移至我的投诉提交,我们将在第一时间给您答复
返回顶部