h1_key

TI(德州仪器) LM25101
德州仪器 (TI) 全系列产品在线购买
  • TI(德州仪器) LM25101
  • TI(德州仪器) LM25101
  • TI(德州仪器) LM25101
  • TI(德州仪器) LM25101
  • TI(德州仪器) LM25101
  • TI(德州仪器) LM25101
立即查看
您当前的位置: 首页 > 电源管理 > 栅极驱动器 > 半桥驱动器 > LM25101
LM25101

LM25101

正在供货

具有 8V UVLO 和 TTL 输入的 3A、2A 或 1A 半桥栅极驱动器

产品详情
  • 说明
  • 特性
  • 参数
  • 封装 | 引脚 | 尺寸

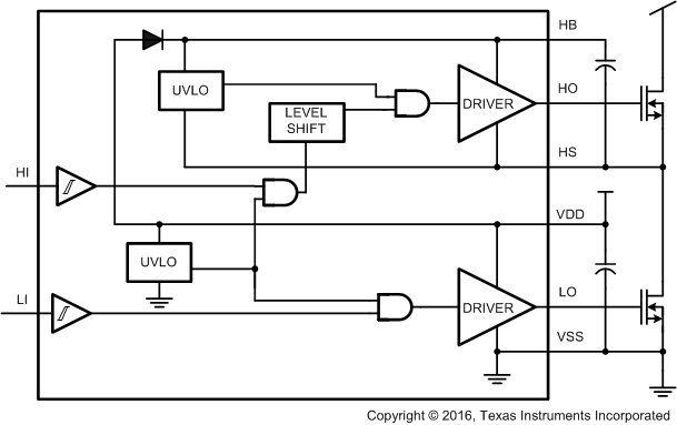
LM25101 高电压栅极驱动器专为驱动采用同步降压或半桥配置的高侧和低侧 N 沟道 MOSFET 而设计。版本 A 提供高达 3A 的栅极驱动,而版本 B 和 C 分别提供 2A 和 1A 的栅极驱动。输出由 TTL 输入阈值独立控制。该器件集成了一个高压二极管,用于对高侧栅极驱动自举电容进行充电。稳健可靠的电平转换器同时拥有高运行速度和低功耗特性,并且可提供从控制逻辑到高侧栅极驱动器的干净电平转换。该器件在低侧和高侧电源轨上提供了欠压锁定功能。

这些器件采用标准 8 引脚 SOIC、8 引脚 SO-PowerPAD、8 引脚 WSON、10 引脚 WSON 以及 8 引脚 MOSP PowerPAD 封装。

  • 独立的高侧和低侧驱动器逻辑输入
  • 自举电源电压高达 100V DC
  • 可驱动高侧和低侧 N 沟道金属氧化物半导体场效应晶体管 (MOSFET)
  • 短暂传播时间(典型值为 25ns)
  • 可以 8ns 的上升和下降时间驱动 1000pF 负载
  • 优异的传播延迟匹配(典型值为 3ns)
  • 支持电源轨欠压锁定
  • 低功耗
  • 与 HIP2100 和 HIP2101 引脚兼容

应用

  • 由电机控制的驱动器
  • 半桥和全桥电源转换器
  • 同步降压转换器
  • 双开关正向电源转换器
  • 有源钳位正激转换器
  • 48V 服务器电源
  • 太阳能 DC-DC 和 DC-AC 转换器

All trademarks are the property of their respective owners.

Bus voltage (max) (V)100
Power switchMOSFET
Input VCC (min) (V)9
Input VCC (max) (V)14
Peak output current (A)3
Operating temperature range (°C)-40 to 125
Undervoltage lockout (typ) (V)8
RatingCatalog
Propagation delay time (µs)0.022
Rise time (ns)8
Fall time (ns)8
Iq (mA)0.01
Input thresholdTTL
Channel input logicTTL
Negative voltage handling at HS pin (V)-1
Driver configurationDual, Noninverting
HSOIC (DDA)829.4 mm² 4.9 x 6
HVSSOP (DGN)814.7 mm² 3 x 4.9
SOIC (D)829.4 mm² 4.9 x 6
WSON (DPR)1016 mm² 4 x 4
WSON (NGT)816 mm² 4 x 4
产品购买
  • 商品型号
  • 封装
  • 工作温度
  • 包装
  • 价格
  • 现货库存
  • 操作
10s
温馨提示:
订单商品问题请移至我的售后服务提交售后申请,其他需投诉问题可移至我的投诉提交,我们将在第一时间给您答复
返回顶部