h1_key

TI(德州仪器) TPIC2030
德州仪器 (TI) 全系列产品在线购买
  • TI(德州仪器) TPIC2030
  • TI(德州仪器) TPIC2030
  • TI(德州仪器) TPIC2030
  • TI(德州仪器) TPIC2030
  • TI(德州仪器) TPIC2030
  • TI(德州仪器) TPIC2030
立即查看
您当前的位置: 首页 > 电机驱动器 > 光盘驱动器 > TPIC2030
TPIC2030

TPIC2030

正在供货

具有单通道降压稳压器的串行接口控制型 7 通道电机驱动器

产品详情
  • 说明
  • 特性
  • 参数
  • 封装 | 引脚 | 尺寸

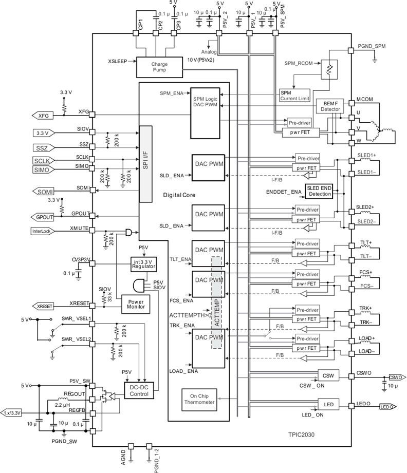
TPIC2030 是一款适用于薄型或超薄 DVD 读/写器的超低噪声电机驱动器集成电路 (IC)。主轴电机上集成有电流感测电阻,降低了设计成本并减小了电路板占用空间。TPIC2030 是一套用于驱动光盘驱动器中的主轴电机、滑动电机和聚焦/跟踪/倾斜执行器的集成解决方案。该器件还集成了一个同步 DC-DC 转换器来提供 1.0 或 3.3V 电压。DC-DC 转换器的断续稳压模式能够以较低功耗提高效率。

该器件采用 BEMF 进行无传感器式控制,无需使用外部传感器即可实现主轴电机自启动并低噪声运行。此外,TPIC2030 还内置有诸多保护特性,包括主轴驱动器输出电流限制、热关断、滑动结束位置检测以及电源复位电路。该器件还集成了一个温度计来测量 IC 温度。

  • 串行外设接口
    • 最大读写频率 35MHz
    • 3.3V 数字输入输出 (I/O)
  • 执行器和电机驱动器
    • 具有 H 桥输出的脉冲宽度调制 (PWM) 控制
    • 具有 12 位数模转换器 (DAC) 控制的聚焦/跟踪/倾斜执行器驱动器
    • 具有电流模式、10 位 DAC 控制的滑动电机驱动器
    • 具有 12 位 DAC 控制的负载驱动器
    • 无需位置传感器即可检测滑动结束位置
  • 主轴电机驱动器
    • 集成主轴电流感测电阻
    • 无传感器:通过电机反电动势 (BEMF) 感测转子位置
    • 12 位主轴 DAC
    • 通过自动控制制动实现急停(自动短制动)
    • 低速 (LS) 模式:限制在正常速度的 25%
  • 片上温度计(15°C 至 165°C/1.2°C)
  • 具有 0.1A 过流保护 (OCP) 的发光二极管 (LED) 驱动器的软件控制开关
  • 开关
    • CSW:具有可选 OCP 限制的低 RDS(ON) 电流开关(假设使用 < 0.2A 的电流)
    • LED:具有 0.1A OCP 的软件控制电流输出端口
  • DC-DC 转换器
    • 可通过引脚选择 1.0V/1.2V/1.5V/3.3V(或禁用)转换电压
    • 通过断续稳压模式在低电流下提高效率
  • 保护
    • LED/CSW、开关、DCDC 转换器、SPM 和执行器上均配有独立的热保护电路
    • 过流保护
    • 欠压锁定 (UVLO) 和过压保护 (OVP)

应用

  • DVD 播放器
  • CD 播放器
  • 光盘驱动器

All trademarks are the property of their respective owners.

ApplicationsCD, DVD
Motor driver channels7
Integrated supply1 LDO predriver
Operating supply (V)5
Driver supply voltage (V)5
Operating temperature range (°C)-20 to 75
RatingCatalog
TSSOP (DBT)4471.36 mm² 11.15 x 6.4
产品购买
  • 商品型号
  • 封装
  • 工作温度
  • 包装
  • 价格
  • 现货库存
  • 操作
10s
温馨提示:
订单商品问题请移至我的售后服务提交售后申请,其他需投诉问题可移至我的投诉提交,我们将在第一时间给您答复
返回顶部