h1_key

TI(德州仪器) LM5134
德州仪器 (TI) 全系列产品在线购买
  • TI(德州仪器) LM5134
  • TI(德州仪器) LM5134
  • TI(德州仪器) LM5134
  • TI(德州仪器) LM5134
  • TI(德州仪器) LM5134
  • TI(德州仪器) LM5134
立即查看
您当前的位置: 首页 > 电源管理 > 栅极驱动器 > 低侧驱动器 > LM5134
LM5134

LM5134

正在供货

具有 4V UVLO 和互补分离输出的 7.6A/4.5A 单通道栅极驱动器

产品详情
  • 说明
  • 特性
  • 参数
  • 封装 | 引脚 | 尺寸

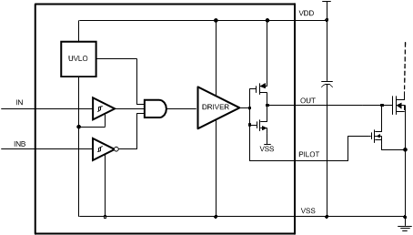
LM5134 是一款高速单路低侧驱动器,具备 7.6A/4.5A 的峰值灌电流/拉电流驱动能力。LM5134 具有反相和非反相输入,为用户控制场效应晶体管 (FET) 提供了更大的灵活性。LM5134 具有 1 个主输出 (OUT) 和 1 个额外的栅极驱动输出 (PILOT)。PILOT 引脚逻辑与 OUT 引脚互补,并且可用于驱动位于主功率 FET 附近的较小 MOSFET。该配置可最大限度减少关断环路,并进一步降低寄生电感。这对于驱动高速 FET 或多个并联的 FET 特别有用。LM5134 提供 6 引脚
SOT-23 封装以及带外露焊盘的 6 引脚 WSON 封装,第二种封装有助于提升散热性能。

  • 主输出具有 7.6A/4.5A 的峰值灌电流/拉电流驱动能力
  • PILOT 输出具有 820mA/660mA 的峰值灌电流/拉电流驱动能力
  • 4V 至 12.6V 单电源
  • 反相和非反相输入之间的延迟时间匹配
  • TTL/CMOS 逻辑输入
  • 高达 14V 的逻辑输入(与 VDD 电压无关)
  • –40°C 至 125°C 的结温范围

应用

  • 电机驱动器
  • 固态功率控制器
  • 功率因数校正转换器

All trademarks are the property of their respective owners.

Number of channels1
Power switchMOSFET
Peak output current (A)7.6
Input VCC (min) (V)4
Input VCC (max) (V)12.6
FeaturesPilot Output
Operating temperature range (°C)-40 to 125
Rise time (ns)5
Fall time (ns)2.3
Propagation delay time (µs)0.012
Input thresholdCMOS, TTL
Channel input logicInverting, Non-Inverting
Input negative voltage (V)0
RatingCatalog
Undervoltage lockout (typ) (V)3.5
Driver configurationSingle
SOT-23 (DBV)68.12 mm² 2.9 x 2.8
WSON (NGG)69 mm² 3 x 3
产品购买
  • 商品型号
  • 封装
  • 工作温度
  • 包装
  • 价格
  • 现货库存
  • 操作
10s
温馨提示:
订单商品问题请移至我的售后服务提交售后申请,其他需投诉问题可移至我的投诉提交,我们将在第一时间给您答复
返回顶部