h1_key

TI(德州仪器) UCC27518
德州仪器 (TI) 全系列产品在线购买
  • TI(德州仪器) UCC27518
  • TI(德州仪器) UCC27518
  • TI(德州仪器) UCC27518
  • TI(德州仪器) UCC27518
  • TI(德州仪器) UCC27518
  • TI(德州仪器) UCC27518
立即查看
您当前的位置: 首页 > 电源管理 > 栅极驱动器 > 低侧驱动器 > UCC27518
UCC27518

UCC27518

正在供货

具有 5V UVLO 和使能功能的汽车类 4A/4A 单通道栅极驱动器

产品详情
  • 说明
  • 特性
  • 参数
  • 封装 | 引脚 | 尺寸

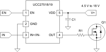
UCC27518 和 UCC27519 单通道高速低侧栅极驱动器器件可有效驱动金属氧化物半导体场效应晶体管 (MOSFET) 和绝缘栅双极型晶体管 (IGBT) 电源开关。 UCC27518 和 UCC27519 采用的设计方案可最大程度减少击穿电流,从而为电容负载提供较高的峰值拉/灌电流脉冲,同时提供轨到轨驱动能力以及超短的传播延迟(典型值为 17ns)。

当 VDD = 12V 时,UCC27518 和 UCC27519 可提供峰值为 4A 的灌/拉(对称驱动)电流驱动能力。

UCC27518 和 UCC27519 具有 4.5V 至 18V 的宽 VDD 范围,以及 –40°C 至 140°C 的宽温度范围。 当超出 VDD 工作范围时,VDD 引脚上的内部欠压闭锁 (UVLO) 电路可使输出保持低电平。 该器件不仅能够工作在低于 5V 的低电压下,还具备同类产品中最佳的开关特性,因此非常适用于驱动诸如 GaN 功率半导体器件等新上市的宽带隙电源开关器件。

UCC27518 和 UCC27519 的输入引脚阈值基于 CMOS 逻辑电路,其中阈值电压是 VDD 电源电压的函数。 输入阈值上限典型值 (VIN-H) 是 VDD的 55%,而输入阈值下限典型值 (VIN-L) 是 VDD 的 39%。 阈值上下限之间的宽滞后(通常为 VDD的 16%)提供了出色的抗噪性,并且使用户能够通过在输入脉宽调制 (PWM) 信号与器件的 INx 引脚之间使用 RC 电路来引入延迟。

UCC27518 和 UCC27519 的 EN 引脚上还特有一个可悬空的使能功能。 将 EN 引脚置于未连接状态,可分别实现 UCC27518,UCC27519 与 TPS2828,TPS2829 之间的引脚兼容性。 EN 引脚的电压阈值是固定的,不会随 VDD 引脚偏置电压变化。 使能阈值上限典型值 (VEN-H) 为 2.1V,而使能阈值下限典型值 (VEN-L) 为 1.25V。

  • 低成本栅极驱动器,是 NPN 和 PNP 分立解决方案的优质替代产品
  • 与 TI 的 TPS2828 和 TPS2829 器件引脚兼容
  • 4A 峰值拉电流和 4A 峰值灌电流对称驱动
  • 快速传播延迟(典型值 17ns)
  • 快速上升和下降时间(典型值 8ns 和 7ns)
  • 4.5V 至 18V 单电源范围
  • VDD 欠压闭锁 (UVLO) 期间输出保持低电平(确保加电和断电时无毛刺脉冲运行)
  • CMOS 输入逻辑阈值(带滞后的电源电压的函数)
  • 实现高抗噪性的滞后逻辑阈值
  • 实现使能功能的 EN 引脚(可不连接)
  • 当输入引脚悬空时输出保持在低电平
  • 输入引脚绝对最大电压电平不受 VDD 引脚偏置电源电压的限制
  • -40°C 至 140°C 的运行温度范围
  • 5 引脚 DBV 封装(小外形尺寸晶体管封装 (SOT)-23)

应用

  • 开关模式电源
  • 直流-直流转换器
  • 用于数字电源控制器的伴随栅极驱动器器件
  • 太阳能、电机控制、不间断电源 (UPS)
  • 用于新上市的宽带隙电源器件(例如 GaN)的栅极驱动器

All trademarks are the property of their respective owners.

Number of channels1
Power switchGaNFET, IGBT, MOSFET
Peak output current (A)4
Input VCC (min) (V)4.5
Input VCC (max) (V)18
FeaturesEnable pin
Operating temperature range (°C)-40 to 140
Rise time (ns)8
Fall time (ns)7
Propagation delay time (µs)0.017
Input thresholdCMOS
Channel input logicInverting
Input negative voltage (V)0
RatingCatalog
Undervoltage lockout (typ) (V)4
Driver configurationInverting
SOT-23 (DBV)58.12 mm² 2.9 x 2.8
产品购买
  • 商品型号
  • 封装
  • 工作温度
  • 包装
  • 价格
  • 现货库存
  • 操作
10s
温馨提示:
订单商品问题请移至我的售后服务提交售后申请,其他需投诉问题可移至我的投诉提交,我们将在第一时间给您答复
返回顶部