h1_key

TI(德州仪器) LM5114
德州仪器 (TI) 全系列产品在线购买
  • TI(德州仪器) LM5114
  • TI(德州仪器) LM5114
  • TI(德州仪器) LM5114
  • TI(德州仪器) LM5114
  • TI(德州仪器) LM5114
  • TI(德州仪器) LM5114
立即查看
您当前的位置: 首页 > 电源管理 > 栅极驱动器 > 低侧驱动器 > LM5114
LM5114

LM5114

正在供货

具有 4V UVLO 和分离输出的 7.6A/1.3A 单通道栅极驱动器

产品详情
  • 说明
  • 特性
  • 参数
  • 封装 | 引脚 | 尺寸

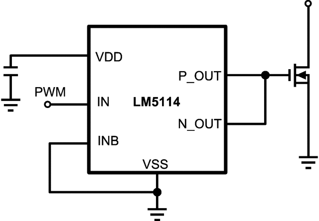
The LM5114 is designed to drive low-side MOSFETs in boost-type configurations or to drive secondary synchronous MOSFETs in isolated topologies. With strong sink current capability, the LM5114 can drive multiple FETs in parallel. The LM5114 also has the features necessary to drive low-side enhancement mode Gallium Nitride (GaN) FETs. The LM5114 provides inverting and noninverting inputs to satisfy requirements for inverting and Noninverting gate drive in a single device type. The inputs of the LM5114 are TTL/CMOS Logic compatible and withstand input voltages up to 14 V regardless of the VDD voltage. The LM5114 has split gate outputs, providing flexibility to adjust the turnon and turnoff strength independently. The LM5114 has fast switching speed and minimized propagation delays, facilitating high-frequency operation. The LM5114 is available in a 6-pin SOT-23 package and a 6-pin WSON package with an exposed pad to aid thermal dissipation.

  • Independent Source and Sink Outputs for
    Controllable Rise and Fall Times
  • 4-V to 12.6-V Single Power Supply
  • 7.6-A/1.3-A Peak Sink and Source Drive Current
  • 0.23-Ω Open-drain Pulldown Sink Output
  • 2-Ω Open-drain Pullup Source Output
  • 12-ns (Typical) Propagation Delay
  • Matching Delay Time Between Inverting and
    Noninverting Inputs
  • TTL/CMOS Logic Inputs
  • 0.68-V Input Hysteresis
  • Up to 14-V Logic Inputs (Regardless of VDD Voltage)
  • Low Input Capacitance: 2.5-pF (Typical)
  • –40°C to 125°C Operating Temperature Range
  • Pin-to-Pin Compatible With MAX5048
  • 6-Pin SOT-23
Number of channels1
Power switchGaNFET, MOSFET
Peak output current (A)7.6
Input VCC (min) (V)4
Input VCC (max) (V)12.6
FeaturesControllable Rise and Fall Times
Operating temperature range (°C)-40 to 125
Rise time (ns)12
Fall time (ns)3
Propagation delay time (µs)0.012
Input thresholdCMOS, TTL
Channel input logicInverting, Non-Inverting
Input negative voltage (V)0
RatingCatalog
Undervoltage lockout (typ) (V)3
Driver configurationLow Side
SOT-23 (DBV)68.12 mm² 2.9 x 2.8
WSON (NGG)69 mm² 3 x 3
产品购买
  • 商品型号
  • 封装
  • 工作温度
  • 包装
  • 价格
  • 现货库存
  • 操作
10s
温馨提示:
订单商品问题请移至我的售后服务提交售后申请,其他需投诉问题可移至我的投诉提交,我们将在第一时间给您答复
返回顶部