h1_key

TI(德州仪器) DRV11873
德州仪器 (TI) 全系列产品在线购买
  • TI(德州仪器) DRV11873
  • TI(德州仪器) DRV11873
  • TI(德州仪器) DRV11873
  • TI(德州仪器) DRV11873
  • TI(德州仪器) DRV11873
  • TI(德州仪器) DRV11873
立即查看
您当前的位置: 首页 > 电机驱动器 > 无刷直流 (BLDC) 电机驱动器 > 集成控制 BLDC 驱动器 > DRV11873
DRV11873

DRV11873

正在供货

12V 标称电压、2A 峰值无传感器梯形控制三相 BLDC 电机驱动器

产品详情
  • 说明
  • 特性
  • 参数
  • 封装 | 引脚 | 尺寸

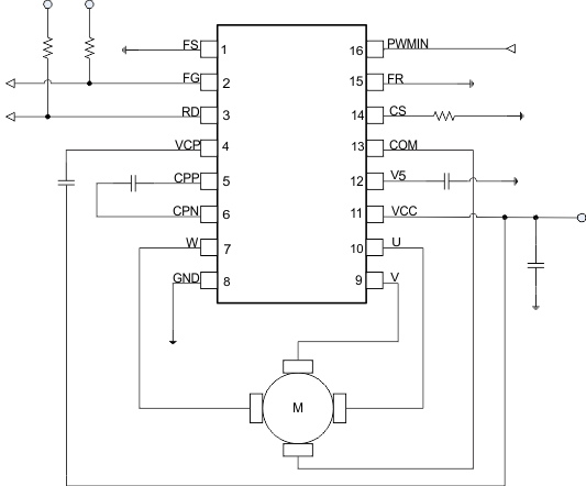
DRV11873 是一款具有集成功率 MOSFET 的三相无传感器电机驱动器,连续驱动电流达 1.5A,峰值驱动电流高达 2A。DRV11873 专为风扇电机驱动应用 设计, 噪声低且所需的外部组件数量少。DRV11873 具有内置过电流保护,无需外部电流感测电阻。同步整流运行模式可提高电机驱动器应用 的效率。DRV11873 通过开漏输出端输出 FG 和 RD 以指示电机状态。该器件实现了适合三相电机的 150° 无传感器反电动势 (BEMF) 控制方案。DRV11873 采用高效散热型 16 引脚 TSSOP 封装。额定工作温度为 –40°C 至 125°C。

  • 输入电压范围:5V 至 16V
  • 六个具有 1.5V 持续输出电流的集成型金属氧化物半导体场效应晶体管 (MOSFET)
  • 总驱动器 H+L RDSON:450mΩ
  • 无传感器私有 BMEF 控制系统配置
  • 150°整流
  • 同步整流脉宽调制 (PWM) 操作
  • FG 和 RD 开漏输出
  • 适合外部使用的 5V LDO,电流高达 20mA
  • 7kHz 至 100kHz 的 PWMIN输入
  • 过电流保护,限值可通过外部电阻调节
  • 锁定检测
  • 电压浪涌保护
  • 欠压闭锁 (UVLO)
  • 热关断

应用范围

  • 电器冷却风扇
  • 台式机冷却风扇
  • 服务器冷却风扇

All trademarks are the property of their respective owners.

RatingCatalog
ArchitectureIntegrated FET
Control topologySensorless, Trapezoidal
Control interface1xPWM
Vs (min) (V)5
Vs ABS (max) (V)20
FeaturesIntegrated FETs, Integrated Motor Control, Rotor Lock Protection, Tach/FG Feedback
Operating temperature range (°C)-40 to 85
HTSSOP (PWP)1632 mm² 5 x 6.4
产品购买
  • 商品型号
  • 封装
  • 工作温度
  • 包装
  • 价格
  • 现货库存
  • 操作
10s
温馨提示:
订单商品问题请移至我的售后服务提交售后申请,其他需投诉问题可移至我的投诉提交,我们将在第一时间给您答复
返回顶部