h1_key

TI(德州仪器) DRV8805
德州仪器 (TI) 全系列产品在线购买
  • TI(德州仪器) DRV8805
  • TI(德州仪器) DRV8805
  • TI(德州仪器) DRV8805
  • TI(德州仪器) DRV8805
  • TI(德州仪器) DRV8805
  • TI(德州仪器) DRV8805
立即查看
您当前的位置: 首页 > 电机驱动器 > 步进电机驱动器 > DRV8805
DRV8805

DRV8805

正在供货

具有步进/方向控制功能的 60V、2.3A、四通道低侧电机驱动器

产品详情
  • 说明
  • 特性
  • 参数
  • 封装 | 引脚 | 尺寸

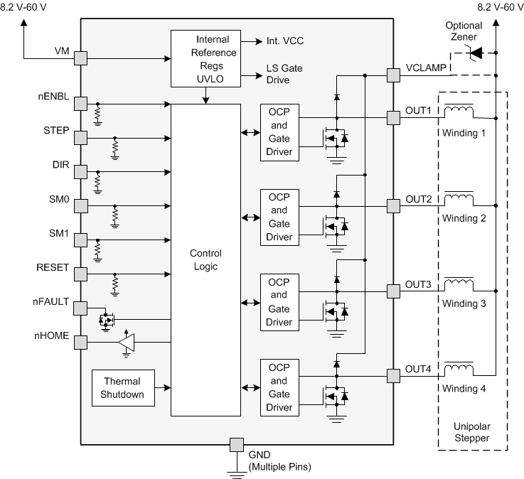
The DRV8805 provides an integrated solution for driving unipolar stepper motors. It includes four low-side drivers with overcurrent protection and provides built-in diodes to clamp turnoff transients generated by the motor windings.

Indexer logic to control a unipolar stepper motor using a simple step/direction interface is also integrated. Three stepping modes are supported: 2 phase (full-step), 1-2 phase (half-step), and 1-phase (wave drive).

In the SOIC (DW) package, the DRV8805 can supply up to 1.5-A (one channel on) or 800-mA (all channels on) continuous output current per channel, at 25°C. In the HTSSOP (PWP) package, it can supply up to 2-A (one channel on) or 1-A (four channels on) continuous output current per channel, at 25°C with proper PCB heatsinking.

Internal shutdown functions are provided for overcurrent protection, short-circuit protection, under voltage lockout, and overtemperature, and faults are indicated by a fault output pin.

The DRV8805 is available in a 20-pin thermally-enhanced SOIC package and a 16-pin HTSSOP package (Eco-friendly: RoHS & no Sb/Br).

  • 4-Channel Protected Low-Side Driver
    • Four NMOS FETs With Overcurrent Protection
    • Integrated Inductive Clamp Diodes
  • Indexer/Translator for Unipolar Stepper Motors
    • Simple Step/Direction Interface
    • Three Step Modes (2-Phase Full-Step, 1-2-
      Phase Half-Step, 1-Phase Wave Drive)
  • DW Package: 1.5-A (Single Channel On) /
    800-mA (Four Channels On) Maximum Drive
    Current per Channel (at 25°C)
  • PWP Package: 2-A (Single Channel On) /
    1-A (Four Channels On) Maximum Drive Current
    per Channel (at 25°C, With Proper PCB
    Heatsinking)
  • 8.2-V to 60-V Operating Supply Voltage Range
  • Thermally Enhanced Surface Mount Package
Vs (min) (V)8.2
Vs ABS (max) (V)43
Full-scale current (A)1.5
Peak output current (A)2.3
RDS(ON) (HS + LS) (mΩ)500
Control modeSTEP/DIR
Control interfaceHardware (GPIO)
Microstepping levels2
RatingCatalog
Operating temperature range (°C)-40 to 125
HTSSOP (PWP)1632 mm² 5 x 6.4
SOIC (DW)20131.84 mm² 12.8 x 10.3
产品购买
  • 商品型号
  • 封装
  • 工作温度
  • 包装
  • 价格
  • 现货库存
  • 操作
10s
温馨提示:
订单商品问题请移至我的售后服务提交售后申请,其他需投诉问题可移至我的投诉提交,我们将在第一时间给您答复
返回顶部