h1_key

TI(德州仪器) DRV8840
德州仪器 (TI) 全系列产品在线购买
  • TI(德州仪器) DRV8840
  • TI(德州仪器) DRV8840
  • TI(德州仪器) DRV8840
  • TI(德州仪器) DRV8840
  • TI(德州仪器) DRV8840
  • TI(德州仪器) DRV8840
立即查看
您当前的位置: 首页 > 电机驱动器 > 有刷直流 (BDC) 电机驱动器 > DRV8840
DRV8840

DRV8840

正在供货

具有相位/使能控制功能的 45V、5A H 桥电机驱动器

产品详情
  • 说明
  • 特性
  • 参数
  • 封装 | 引脚 | 尺寸

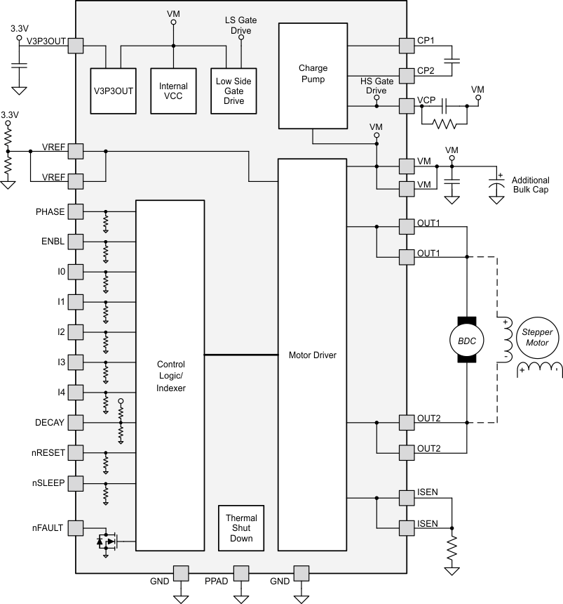
DRV8840 可为打印机、扫描仪以及其它自动化设备应用提供集成型电机驱动器解决方案。该器件具有一个 H 桥驱动器,可驱动一个 DC 电机。每个输出驱动器块包含被配置为全 H 桥的 N 通道功率 MOSFET 以驱动电机绕组。DRV8840 可提供最高 5A 的峰值电流或 3.5A 的输出电流(在 24V 和 25°C 下,散热正常)。

一个简单的并行数字控制接口与行业标准器件兼容。可对衰减模式进行设定,以便在被禁用时实现电机制动或缓动。

还提供了用于过流保护、短路保护、欠压锁定和过热保护的内部关断功能。

DRV8840 采用带 PowerPAD™ 的 28 引脚 HTSSOP 封装(环保:RoHS,无锑/溴)。

  • 单路 H 桥电流控制电机驱动器
  • 8.2V 至 45V 宽工作电源电压范围
  • 五位电流控制支持多达 32 个电流电平
  • 低 MOSFET R DS(on) 典型值为 0.4Ω (HS + LS)
  • 24V、T A = 25°C 下的最大驱动电流为 5A
  • 内置 3.3V 基准输出
  • 并行数字控制接口
  • 热增强型表面贴装封装
  • 保护特性:
    • 过流保护 (OCP)
    • 热关断 (TSD)
    • VM 欠压锁定 (UVLO)
    • 故障条件指示引脚 (nFAULT)
Number of full bridges1
Vs (min) (V)8.2
Vs ABS (max) (V)47
Peak output current (A)6
RDS(ON) (HS + LS) (mΩ)200
Sleep current (µA)10
Control modePH/EN
Control interfaceHardware (GPIO)
FeaturesCurrent Regulation
RatingCatalog
Operating temperature range (°C)-40 to 85
HTSSOP (PWP)2862.08 mm² 9.7 x 6.4
产品购买
  • 商品型号
  • 封装
  • 工作温度
  • 包装
  • 价格
  • 现货库存
  • 操作
10s
温馨提示:
订单商品问题请移至我的售后服务提交售后申请,其他需投诉问题可移至我的投诉提交,我们将在第一时间给您答复
返回顶部