h1_key

TI(德州仪器) SM72295
德州仪器 (TI) 全系列产品在线购买
  • TI(德州仪器) SM72295
  • TI(德州仪器) SM72295
  • TI(德州仪器) SM72295
  • TI(德州仪器) SM72295
  • TI(德州仪器) SM72295
  • TI(德州仪器) SM72295
立即查看
您当前的位置: 首页 > 电源管理 > 栅极驱动器 > 半桥驱动器 > SM72295
SM72295

SM72295

正在供货

具有集成电流感应放大器的 3A、100V 全桥栅极驱动器

产品详情
  • 说明
  • 特性
  • 参数
  • 封装 | 引脚 | 尺寸

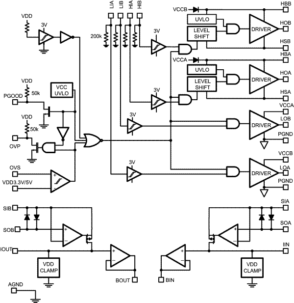
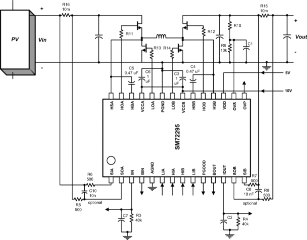
The SM72295 is designed to drive 4 discrete N type MOSFET’s in a full bridge configuration. The drivers provide 3A of peak current for fast efficient switching and integrated high speed bootstrap diodes. Current sensing is provided by 2 transconductance amplifiers with externally programmable gain and filtering to remove ripple current to provide average current information to the control circuit. The current sense amplifiers have buffered outputs available to provide a low impedance interface to an A/D converter if needed. An externally programmable input over voltage comparator is also included to shutdown all outputs. Under voltage lockout with a PGOOD indicator prevents the drivers from operating if VCC is too low.

  • Renewable Energy Grade
  • Dual Half Bridge MOSFET Drivers
  • Integrated 100V Bootstrap Diodes
  • Independent High and Low Driver Logic Inputs
  • Bootstrap Supply Voltage Range up to 115V DC
  • Two Current Sense Amplifiers with Externally Programmable Gain and Buffered Outputs
  • Programmable Over Voltage Protection
  • Supply Rail Under-Voltage Lockouts with Power Good Indicator

All trademarks are the property of their respective owners.

Package

  • SOIC-28
Bus voltage (max) (V)100
Power switchMOSFET
Input VCC (min) (V)8
Input VCC (max) (V)14
Peak output current (A)3
Operating temperature range (°C)-40 to 125
Undervoltage lockout (typ) (V)8
RatingCatalog
Propagation delay time (µs)0.022
Rise time (ns)8
Fall time (ns)8
Iq (mA)0.01
Input thresholdTTL
Channel input logicTTL
Negative voltage handling at HS pin (V)-1
FeaturesCurrent sense
Driver configurationQuad inputs
SOIC (DW)28184.37 mm² 17.9 x 10.3
产品购买
  • 商品型号
  • 封装
  • 工作温度
  • 包装
  • 价格
  • 现货库存
  • 操作
10s
温馨提示:
订单商品问题请移至我的售后服务提交售后申请,其他需投诉问题可移至我的投诉提交,我们将在第一时间给您答复
返回顶部