h1_key

TI(德州仪器) DRV8332
德州仪器 (TI) 全系列产品在线购买
  • TI(德州仪器) DRV8332
  • TI(德州仪器) DRV8332
  • TI(德州仪器) DRV8332
  • TI(德州仪器) DRV8332
  • TI(德州仪器) DRV8332
  • TI(德州仪器) DRV8332
立即查看
您当前的位置: 首页 > 电机驱动器 > 无刷直流 (BLDC) 电机驱动器 > BLDC 驱动器 > DRV8332
DRV8332

DRV8332

正在供货

具有散热器连接和集成 FET、70V 最大电压、9.7A 峰值电流的三相电机驱动器

产品详情
  • 说明
  • 特性
  • 参数
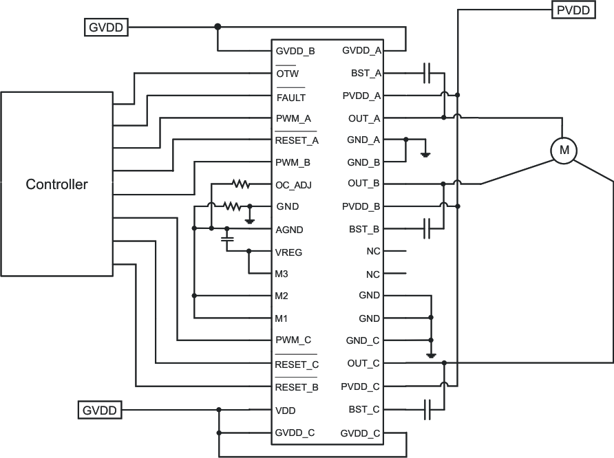
  • 封装 | 引脚 | 尺寸

DRV83x2 是具有高级保护系统的高性能、集成式三相电机驱动器。

由于功率 MOSFET 的低 RDS(on) 和智能栅极驱动设计,这些电机驱动器的效率可高达 97%。凭借高效率、更小的电源和散热器等特性,此类器件非常适合节能应用。

DRV83x2 需要两个电源,一个为 GVDD 和 VDD 提供 12V 电源,另一个为 PVDD 提供高达 50V 的电源。DRV83x2 可以在高达 500kHz 的开关频率下运行,同时仍保持精确控制和高效率。这些器件还具有创新的保护系统,可保护器件免受可能损坏系统的各种故障条件的影响。这些保护是短路保护、过流保护、欠压保护和两级过热保护。DRV83x2 具有限流电路,可防止器件在电机启动等负载瞬态期间关闭。一个可编程过流检测器可实现可调电流限值和保护级别以满足不同的电机需要。

DRV83x2 的每个半桥都有独特的独立电源和接地引脚。借助这些引脚可以通过外部分流电阻提供电流测量,并支持具有不同电源电压要求的半桥驱动器。

  • 带低 RDS(on) MOSFET(TJ = 25°C 条件下为 80mΩ)的高效功率级(高达 97%)
  • 运行电源电压高达 50V (绝对最大值 70V)
  • DRV8312(电源焊盘朝下):高达 3.5A 的连续相电流(6.5A 峰值)
  • DRV8332(电源焊盘朝上):高达 8A 的连续相电流(13A 峰值)
  • 三相半桥独立控制
  • PWM 运行频率高达 500kHz
  • 片内集成欠压、过温、过载和短路保护功能
  • 可编程逐周期电流限制保护
  • 针对每个半桥的独立电源和接地引脚
  • 智能栅极驱动和交叉导电预防
  • 无需外部缓冲器或肖特基二极管
RatingCatalog
ArchitectureIntegrated FET
Control interface3xPWM
RDS(ON) (HS + LS) (mΩ)220
Peak output current (A)13
Vs (min) (V)10.8
Vs ABS (max) (V)70
FeaturesIntegrated FETs
Operating temperature range (°C)-40 to 85
HSSOP (DKD)36225.78 mm² 15.9 x 14.2
产品购买
  • 商品型号
  • 封装
  • 工作温度
  • 包装
  • 价格
  • 现货库存
  • 操作
10s
温馨提示:
订单商品问题请移至我的售后服务提交售后申请,其他需投诉问题可移至我的投诉提交,我们将在第一时间给您答复
返回顶部