h1_key

TI(德州仪器) TMP814
德州仪器 (TI) 全系列产品在线购买
  • TI(德州仪器) TMP814
  • TI(德州仪器) TMP814
  • TI(德州仪器) TMP814
  • TI(德州仪器) TMP814
  • TI(德州仪器) TMP814
  • TI(德州仪器) TMP814
立即查看
您当前的位置: 首页 > 电机驱动器 > 无刷直流 (BLDC) 电机驱动器 > 集成控制 BLDC 驱动器 > TMP814
TMP814

TMP814

正在供货

适用于 12V、24V 或 48V 应用的含传感器单相 BLDC 栅极驱动器

产品详情
  • 说明
  • 特性
  • 参数
  • 封装 | 引脚 | 尺寸

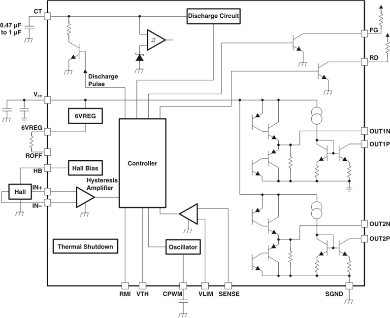
The TMP814 is a single-phase bipolar variable speed fan motor predriver that works with an external PWM signal. A highly efficient, quiet and low-power consumption motor driver circuit, with a large variable speed, can be implemented by adding a small number of external components.

This device is optimal for driving large scale fan motors (with large air volume and large current) such as those used in servers and consumer products.

  • Predriver for Single-Phase Full-Wave Drive
    • PNP-NMOS is Used as an External Power TR,
      Enabling High-Efficiency Low-Consumption
      Drive by Means of the Low-Saturation Output
      and Single-Phase Full-Wave Drive (PMOS-
      NMOS Also Applicable)
  • External PWM Input Enabling Variable Speed
    Control
    • Separately-Excited Upper Direct PWM (f = 25
      kHz) Control Method, Enabling Highly Silent
      Speed Control
  • Compatible with 12-V, 24-V, and 48-V Power
    Supplies
  • Current Limiter Circuit Incorporated
    • Chopper Type Current Limit at Start
  • Reactive Current Cut Circuit Incorporated
    • Reactive Current Before Phase Change is Cut
      to Enable Silent and Low-Consumption Drive
  • Minimum Speed Setting Pin
    • Minimum Speed Can Be Set With External
      Resistor. Start Assistance Circuit Enables Start
      at Extremely Low Speed.
  • Constant-Voltage Output Pin for Hall Bias
  • Lock Protection and Automatic Reset Functions
    Incorporated
  • FG (Rotation Speed Detection) and RD (Lock
    Detection) Output
RatingCatalog
ArchitectureGate driver
Control topologySensored, Trapezoidal
Control interface1xPWM
Vs (min) (V)6
Vs ABS (max) (V)18
FeaturesRotor Lock Protection, Tach/FG Feedback
Operating temperature range (°C)-40 to 85
TSSOP (PW)2041.6 mm² 6.5 x 6.4
产品购买
  • 商品型号
  • 封装
  • 工作温度
  • 包装
  • 价格
  • 现货库存
  • 操作
10s
温馨提示:
订单商品问题请移至我的售后服务提交售后申请,其他需投诉问题可移至我的投诉提交,我们将在第一时间给您答复
返回顶部