h1_key

TI(德州仪器) UC2625-EP
德州仪器 (TI) 全系列产品在线购买
  • TI(德州仪器) UC2625-EP
  • TI(德州仪器) UC2625-EP
  • TI(德州仪器) UC2625-EP
  • TI(德州仪器) UC2625-EP
  • TI(德州仪器) UC2625-EP
  • TI(德州仪器) UC2625-EP
立即查看
您当前的位置: 首页 > 电机驱动器 > 无刷直流 (BLDC) 电机驱动器 > 集成控制 BLDC 驱动器 > UC2625-EP
UC2625-EP

UC2625-EP

正在供货

三相含传感器梯形控制 BLDC 栅极驱动器(增强型产品)

产品详情
  • 说明
  • 特性
  • 参数
  • 封装 | 引脚 | 尺寸

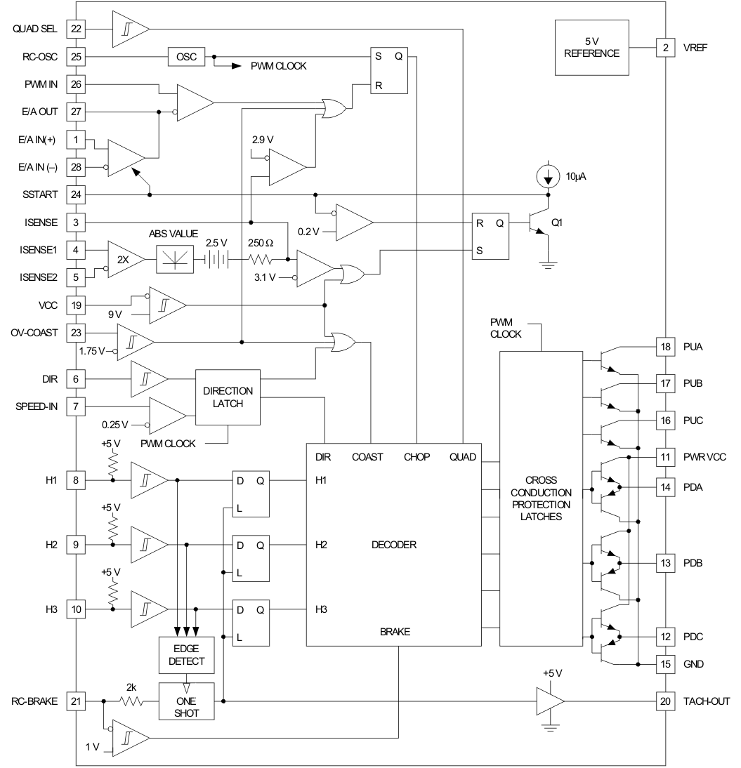
The UC2625 motor controller integrates most of the functions required for high-performance brushless dc motor control into one package. When coupled with external power MOSFETs or Darlingtons, this device performs fixed-frequency PWM motor control in either voltage or current mode while implementing closed loop speed control and braking with smart noise rejection, safe direction reversal, and cross-conduction protection.

Although specified for operation from power supplies between 10 V and 18 V, the UC2625 can control higher voltage power devices with external level-shifting components. The UC2625 contains fast, high-current push-pull drivers for low-side power devices and 50-V open-collector outputs for high-side power devices or level shifting circuitry.

The UC2625 is characterized for operation over the military temperature range of -55°C to 125°C.

  • Controlled Baseline
    • One Assembly Site
    • One Test Site
    • One Fabrication Site
  • Extended Temperature Performance of -55°C to 125°C
  • Enhanced Diminishing Manufacturing Sources (DMS) Support
  • Enhanced Product-Change Notification
  • Qualification Pedigree(1)
  • Drives Power MOSFETs or Power Darlingtons Directly
  • 50-V Open Collector High-Side Drivers
  • Latched Soft Start
  • High-speed Current-Sense Amplifier with Ideal Diode
  • Pulse-by-Pulse and Average Current Sensing
  • Over-Voltage and Under-Voltage Protection
  • Direction Latch for Safe Direction Reversal
  • Tachometer
  • Trimmed Reference Sources 30 mA
  • Programmable Cross-Conduction Protection
  • Two-Quadrant and Four-Quadrant Operation

(1)Component qualification in accordance with JEDEC and industry standards to ensure reliable operation over an extended temperature range. This includes, but is not limited to, Highly Accelerated Stress Test (HAST) or biased 85/85, temperature cycle, autoclave or unbiased HAST, electromigration, bond intermetallic life, and mold compound life. Such qualification testing should not be viewed as justifying use of this component beyond specified performance and environmental limits.

RatingHiRel Enhanced Product
ArchitectureGate driver
Control topologySensored, Trapezoidal
Control interface1xPWM
Vs (min) (V)10
Vs ABS (max) (V)20
FeaturesHardware Management I/F, Tach/FG Feedback
Operating temperature range (°C)-55 to 125
SOIC (DW)28184.37 mm² 17.9 x 10.3
产品购买
  • 商品型号
  • 封装
  • 工作温度
  • 包装
  • 价格
  • 现货库存
  • 操作
10s
温馨提示:
订单商品问题请移至我的售后服务提交售后申请,其他需投诉问题可移至我的投诉提交,我们将在第一时间给您答复
返回顶部