h1_key

TI(德州仪器) LM5109B
德州仪器 (TI) 全系列产品在线购买
  • TI(德州仪器) LM5109B
  • TI(德州仪器) LM5109B
  • TI(德州仪器) LM5109B
  • TI(德州仪器) LM5109B
  • TI(德州仪器) LM5109B
  • TI(德州仪器) LM5109B
立即查看
您当前的位置: 首页 > 电源管理 > 栅极驱动器 > 半桥驱动器 > LM5109B
LM5109B

LM5109B

正在供货

具有 8V UVLO 和高噪声抗扰度的 1A、100V 半桥栅极驱动器

产品详情
  • 说明
  • 特性
  • 参数
  • 封装 | 引脚 | 尺寸

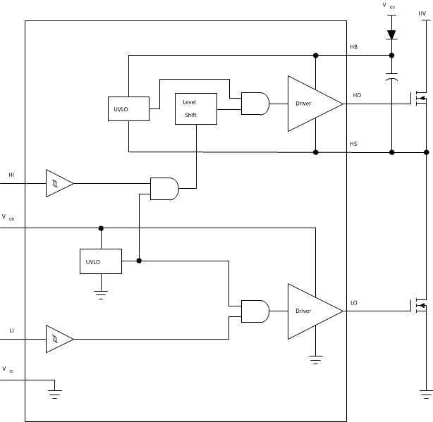
LM5109B 器件是一款经济高效的高电压栅极驱动器,专为驱动采用同步降压或半桥配置的高侧和低侧 N 沟道 MOSFET 而设计。悬空
高侧驱动器能够在高达 90V 的电源轨电压下工作。输出通过经济高效的 TTL 和
CMOS 兼容输入阈值独立控制。稳健可靠的电平转换技术同时拥有高运行速度和低功耗特性,并且可提供从控制输入逻辑到高侧栅极驱动器的干净电平转换。该器件在低侧和高侧电源轨上提供了欠压锁定功能。该器件采用 8 引脚 SOIC 和耐热增强型 8 引脚 WSON 封装。

  • 可驱动高侧和低侧 N 沟道金属氧化物半导体场效应晶体管 (MOSFET)
  • 1A 峰值输出电流(1.0A 灌电流和 1.0A 拉电流)
  • 与独立的晶体管-晶体管逻辑电路 (TTL) 和互补金属氧化物半导体 (CMOS) 兼容的输入
  • 自举电源电压高达 108VDC
  • 短暂传播时间(典型值为 30ns)
  • 可以 15ns 的上升和下降时间驱动 1000pF 负载
  • 优异的传播延迟匹配(典型值为 2ns)
  • 支持电源轨欠压锁定
  • 低功耗
  • 8 引脚小外形尺寸集成电路 (SOIC) 和耐热增强型 8 引脚晶圆级小外形无引线 (WSON) 封装

应用

  • 电流反馈推挽式转换器
  • 半桥和全桥电源转换器
  • 固态电机驱动器
  • 双开关正激电源转换器

All trademarks are the property of their respective owners.

Bus voltage (max) (V)90
Power switchMOSFET
Input VCC (min) (V)8
Input VCC (max) (V)14
Peak output current (A)1
Operating temperature range (°C)-40 to 125
Undervoltage lockout (typ) (V)8
RatingCatalog
Propagation delay time (µs)0.025
Rise time (ns)15
Fall time (ns)15
Iq (mA)0.01
Input thresholdTTL
Channel input logicTTL
Negative voltage handling at HS pin (V)-1
Driver configurationDual, Independent
SOIC (D)829.4 mm² 4.9 x 6
WSON (NGT)816 mm² 4 x 4
产品购买
  • 商品型号
  • 封装
  • 工作温度
  • 包装
  • 价格
  • 现货库存
  • 操作
10s
温馨提示:
订单商品问题请移至我的售后服务提交售后申请,其他需投诉问题可移至我的投诉提交,我们将在第一时间给您答复
返回顶部