h1_key

TI(德州仪器) LM5111
德州仪器 (TI) 全系列产品在线购买
  • TI(德州仪器) LM5111
  • TI(德州仪器) LM5111
  • TI(德州仪器) LM5111
  • TI(德州仪器) LM5111
  • TI(德州仪器) LM5111
  • TI(德州仪器) LM5111
立即查看
您当前的位置: 首页 > 电源管理 > 栅极驱动器 > 低侧驱动器 > LM5111
LM5111

LM5111

正在供货

具有高电平或低电平有效输出 4V UVLO 的 5A/3A 双通道栅极驱动器

产品详情
  • 说明
  • 特性
  • 参数
  • 封装 | 引脚 | 尺寸

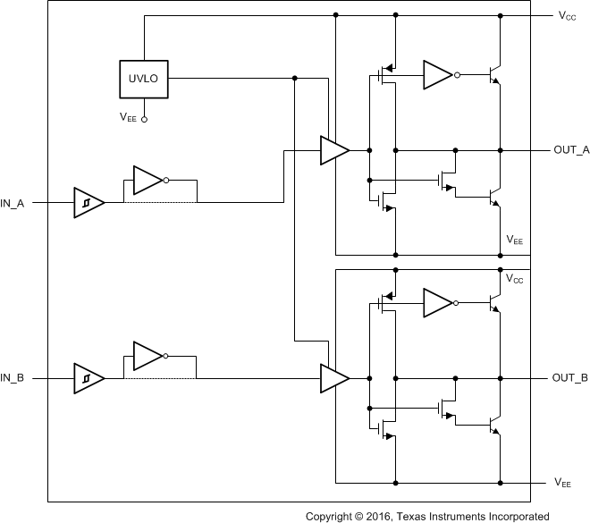
The LM5111 Dual Gate Driver replaces industry standard gate drivers with improved peak output current and efficiency. Each compound output driver stage includes MOS and bipolar transistors operating in parallel that together sink more than 5-A peak from capacitive loads. Combining the unique characteristics of MOS and bipolar devices reduces drive current variation with voltage and temperature. Undervoltage lockout protection is also provided. The drivers can be operated in parallel with inputs and outputs connected to double the drive current capability. This device is available in the SOIC package or the thermally enhanced
MSOP-PowerPAD package.

  • Independently Drives Two N-Channel MOSFETs
  • Compound CMOS and Bipolar Outputs Reduce Output Current Variation
  • 5-A Sink and 3-A Source Current Capability
  • Two Channels can be Connected in Parallel to Double the Drive Current
  • Independent Inputs (TTL Compatible)
  • Fast Propagation Times (25 ns Typical)
  • Fast Rise and Fall Times (14 ns and 12 ns Rise and Fall, Respectively, With 2-nF Load)
  • Available in Dual Noninverting, Dual Inverting and Combination Configurations
  • Supply Rail Undervoltage Lockout Protection (UVLO)ƒ
  • LM5111-4 UVLO Configured to Drive PFET through OUT_A and NFET through OUT_B
  • Pin Compatible With Industry Standard Gate Drivers
Number of channels2
Power switchMOSFET
Peak output current (A)5
Input VCC (min) (V)3.5
Input VCC (max) (V)14
FeaturesUVLO Configured to Drive PFET through OUT_A
Operating temperature range (°C)-40 to 125
Rise time (ns)14
Fall time (ns)12
Propagation delay time (µs)0.025
Input thresholdTTL
Channel input logicCombination, Inverting, Non-Inverting
Input negative voltage (V)0
RatingCatalog
Undervoltage lockout (typ) (V)3
Driver configurationDual, Independent
HVSSOP (DGN)814.7 mm² 3 x 4.9
SOIC (D)829.4 mm² 4.9 x 6
产品购买
  • 商品型号
  • 封装
  • 工作温度
  • 包装
  • 价格
  • 现货库存
  • 操作
10s
温馨提示:
订单商品问题请移至我的售后服务提交售后申请,其他需投诉问题可移至我的投诉提交,我们将在第一时间给您答复
返回顶部