h1_key

TI(德州仪器) TPS61253E
德州仪器 (TI) 全系列产品在线购买
  • TI(德州仪器) TPS61253E
  • TI(德州仪器) TPS61253E
  • TI(德州仪器) TPS61253E
  • TI(德州仪器) TPS61253E
  • TI(德州仪器) TPS61253E
  • TI(德州仪器) TPS61253E
立即查看
您当前的位置: 首页 > 电源管理 > 直流/直流开关稳压器 > 升压稳压器 > TPS61253E
TPS61253E

TPS61253E

正在供货

采用 1.2mm x 1.3mm WCSP 封装的 3.8MHz、5.25V/4A 升压转换器

产品详情
  • 说明
  • 特性
  • 参数
  • 封装 | 引脚 | 尺寸

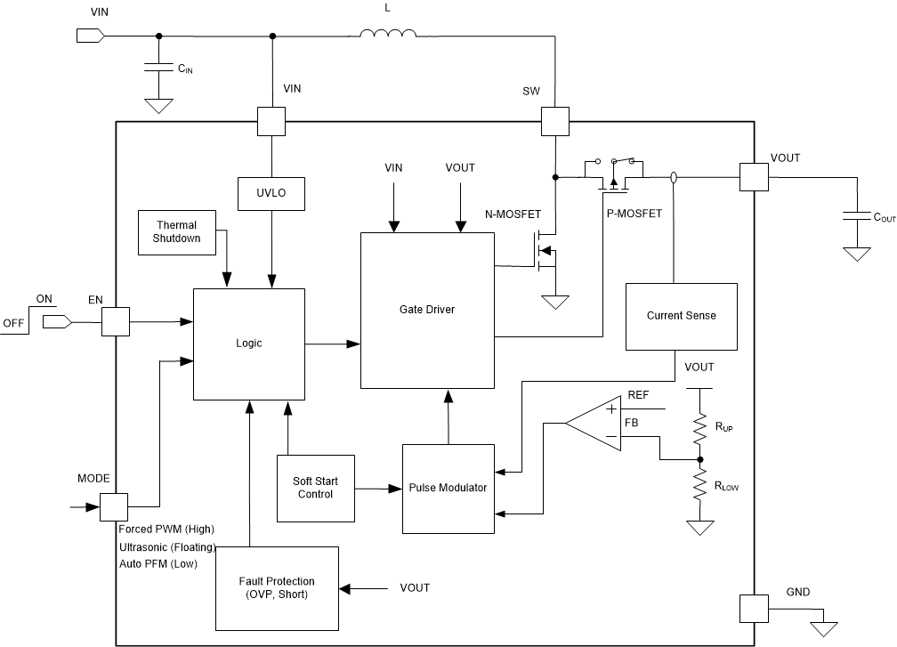
TPS61253x 器件为电池供电类便携式应用提供了一个电源解决方案。该器件具有 2.3V 至 5.5V (TPS61253A) 或 2.5V 至 5.5V (TPS61253E) 的输入电压,可支持由锂离子电池(具有扩展电压范围)供电的应用。可提供的不同固定输出电压版本包括 4.5V、4.7V、5V、5.2V 和 5.25V 版本。TPS61253x 可通过放电后电压低至 3V 的电池提供高达 1500mA 的负载电流。

TPS61253x 的典型工作开关频率为 3.8MHz。TPS61253x 可灵活地配置为自动 PFM 模式、强制 PWM 模式或超声波模式。自动 PFM 模式可以在轻负载时获得高效率。强制 PWM 工作模式可使开关频率在整个负载范围内保持恒定。超声波模式可在任何负载条件下保持开关频率始终大于 25kHz,从而避免噪声。

TPS61253x 具有 600µs 的内置软启动时间,从而能够避免启动时的浪涌电流。当输出短接时,该器件将进入间断模式,并可在短接结束后自动恢复。在关断期间,负载与输入端完全断开,消耗的电流最高为 1.3µA。

  • 2.3V 至 5.5V 的宽输入电压范围 (TPS61253A)
  • 2.5V 至 5.5V 的宽输入电压范围(启动时大于 2.6V,TPS61253E)
  • 固定输出电压:4.5V/4.7V/5.0V/5.2V/5.25V
  • 集成了两个 FET:35mΩ LS-FET、60mΩ HS-FET
  • VOUT = 5V 且 VIN ≥ 3V 时 IOUT 持续 ≥ 1500mA (TPS61253A)
  • VOUT = 5.25V 且 VIN ≥ 3V 时 IOUT 持续 ≥ 1500mA (TPS61253E)
  • 输入静态电流为 42µA
  • 开关谷值电流限制为 4A
  • 开关频率为 3.8MHz
  • 可选择自动 PFM、强制 PWM 和超声波模式
  • 支持直通模式
  • ±2% 的输出电压精度
  • 软启动时间为 600µs
  • 间断模式短路保护
  • 关断期间负载断开
  • 热关断保护
  • 总体解决方案尺寸小于 25mm 2
  • 利用 TPS61253A 并借助 WEBENCH® Power Designer 创建定制设计方案
TopologyBoost
Vin (min) (V)2.6
Vin (max) (V)5.5
Vout (min) (V)5
Vout (max) (V)5.25
Switch current limit (typ) (A)4.5
TypeConverter
Regulated outputs (#)1
Switching frequency (min) (kHz)3800
Switching frequency (max) (kHz)3800
Iq (typ) (mA)0.05
FeaturesEnable, Light Load Efficiency, Load Disconnect, Synchronous Rectification
Duty cycle (max) (%)100
Operating temperature range (°C)-40 to 125
RatingCatalog
DSBGA (YFF)91.96000000000000028000000000000001 mm² 1.4000000000000001 x 1.4000000000000001
产品购买
  • 商品型号
  • 封装
  • 工作温度
  • 包装
  • 价格
  • 现货库存
  • 操作

很抱歉,暂时无法提供与“TPS61253E”系列相匹配的产品,您可以联系专属客服快速找货或在现货搜索框中重新搜索。

10s
温馨提示:
订单商品问题请移至我的售后服务提交售后申请,其他需投诉问题可移至我的投诉提交,我们将在第一时间给您答复
返回顶部