h1_key

TI(德州仪器) TPS25990
德州仪器 (TI) 全系列产品在线购买
  • TI(德州仪器) TPS25990
  • TI(德州仪器) TPS25990
  • TI(德州仪器) TPS25990
  • TI(德州仪器) TPS25990
  • TI(德州仪器) TPS25990
  • TI(德州仪器) TPS25990
立即查看
您当前的位置: 首页 > 电源管理 > 电源开关 > 电子保险丝和热插拔控制器 > TPS25990
TPS25990

TPS25990

正在供货

具有数字遥测控制器的 2.9V 至 16V、0.79mΩ、60A 电子保险丝

产品详情
  • 说明
  • 特性
  • 参数
  • 封装 | 引脚 | 尺寸

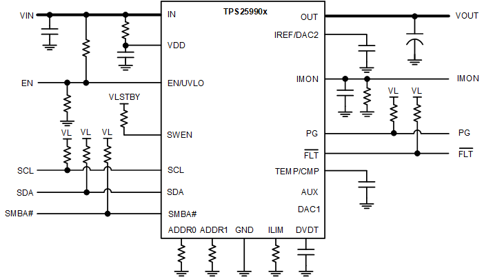
TPS25990 是采用小型封装的集成式大电流电路保护和电源管理器件。该器件只需很少的外部元件即可提供多种保护模式,能够非常有效地抵御过载、短路和过多浪涌电流。

集成的 PMBus® 接口允许主机控制器实时监测、控制和配置系统。关键系统参数可以通过远程遥测进行回读。各种保护、警告阈值和系数可通过 PMBus® 进行配置或存储在非易失性配置存储器中。黑盒故障记录功能有助于调试现场故障和退货。

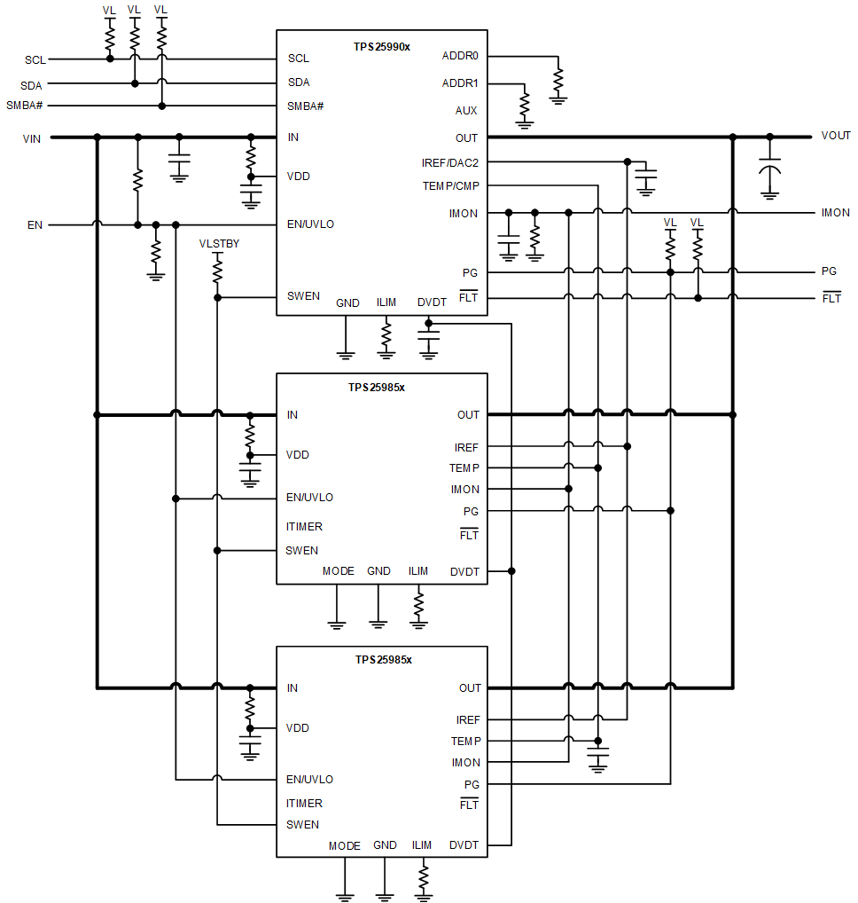
该器件可用作独立电子保险丝,也可作为并联电子保险丝配置中的主控制器进行连接,以支持更高的电流。所有器件在启动和稳态期间均主动同步其运行状态并共享电流,以避免某些器件上出现过载情况而导致并行链过早关闭或部分关闭。

集成的快速、准确检测模拟负载电流监测器有助于进行预测性维护,并且先进的动态平台电源管理技术(如 Intel PSYS 和 PROCHOT)可更大限度地提高系统吞吐量和电源利用率。这与集成的数字示波器功能和黑盒相结合,有助于在关键系统中进行预测性维护。

此类器件的额定工作结温范围为 –40°C 至 +125°C。

  • 输入工作电压范围:2.9 V 至 16 V
    • 输入端的绝对最大值为 20V
    • 输出端可耐受高达 -1V 的负电压
  • 集成低导通电阻 FET:0.79mΩ(典型值)
    • 额定电流为 50A RMS 和 60A 峰值电流
  • 可用作独立电子保险丝或在并联配置中用作主控制器
    • 支持多个电子保险丝并行连接,从而支持更高的电流
    • 启动和稳态期间的主动器件状态同步和负载共享,可实现巨大的可扩展性
  • 用于遥测、控制、配置和调试的 PMBus® 接口

    • P IN/E IN/V IN/V OUT/I IN/温度/故障监控
    • 使用单个命令进行下电上电
    • 片上非易失性配置存储器
    • 多个事件的黑盒故障记录,具有相对时间戳和存储在外部 EEPROM 上的选项
  • 强大的过流保护
    • 可编程过流阈值 (I OCP):7 A 至 50 A,精度为 ±5%(最大)
    • 稳态期间的断路器响应,具有可编程瞬态消隐计时器 (OC_TIMER),可支持峰值负载电流
    • 启动期间运行模式下的有效电流限制 (I LIM)
  • 强大的短路保护
    • 快速跳变响应 (280ns)
    • 可编程阈值和固定阈值
    • 不受电源线路瞬变影响 - 无干扰性跳变
  • 可编程过热保护 (OTP)
    • 确保 FET SOA:8W√s

  • 集成式 FET 运行状况监测和报告
  • 精确的模拟负载电流监控 (IMON)
    • ±2% 精度
    • 模拟带宽大于 500kHz
  • 快速过压保护,具有可编程

    阈值

  • 可编程输出转换率控制 (dVdt)
  • 可编程插入延迟计时器
  • 可编程欠压锁定 (UVLO)
  • 模拟芯片温度监测器输出 (TEMP)
  • 4 个可配置通用 I/O 引脚
  • 小尺寸 :QFN 封装(4.5mm × 5mm,间距为 0.6mm)
    • 电源引脚和 GND 引脚之间的间隙为 29mil
  • 100% 无铅
FETInternal
Ron (typ) (mΩ)0.79
Vin (min) (V)2.9
Vin (max) (V)16
Vabsmax_cont (V)20
Current limit (min) (A)8
Current limit (max) (A)50
Overcurrent responseCircuit breaker
Fault responseAuto-retry, Latch-off
Soft startAdjustable
Overvoltage responseCut-off
FeaturesCurrent monitoring, Fault output, Overvoltage protection, PMBus, Power good signal, Thermal shutdown
RatingCatalog
Device typeeFuses and hot swap controllers
Operating temperature range (°C)-40 to 125
FunctionAdjustable current limit, Current monitoring, Inrush current control, Overvoltage protection, Power good signal, Short circuit protection, Thermal shutdown
VQFN-HR (RQP)2622.5 mm² 5 x 4.5
产品购买
  • 商品型号
  • 封装
  • 工作温度
  • 包装
  • 价格
  • 现货库存
  • 操作

很抱歉,暂时无法提供与“TPS25990”系列相匹配的产品,您可以联系专属客服快速找货或在现货搜索框中重新搜索。

10s
温馨提示:
订单商品问题请移至我的售后服务提交售后申请,其他需投诉问题可移至我的投诉提交,我们将在第一时间给您答复
返回顶部