h1_key

TI(德州仪器) TPS53685
德州仪器 (TI) 全系列产品在线购买
  • TI(德州仪器) TPS53685
  • TI(德州仪器) TPS53685
  • TI(德州仪器) TPS53685
  • TI(德州仪器) TPS53685
  • TI(德州仪器) TPS53685
  • TI(德州仪器) TPS53685
立即查看
您当前的位置: 首页 > 电源管理 > 直流/直流开关稳压器 > 降压稳压器 > TPS53685
TPS53685

TPS53685

正在供货

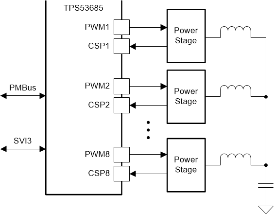
适用于 AMD 平台且具有 SVI3 和 PMBus 的八相数字降压多相控制器

产品详情
  • 说明
  • 特性
  • 参数
  • 封装 | 引脚 | 尺寸

TPS53685 是一款完全符合 AMD SVI3 标准的降压控制器,具有跨电感稳压器 (TLVR) 拓扑支持、双通道、内置非易失性存储器 (NVM) 和 PMBus™ 接口,而且与 TI 的 NexFET™ 智能功率级完全兼容。D-CAP+™ 架构和下冲衰减 (USR) 等高级控制特性可提供快速瞬态响应和良好的电流共享,从而更大程度降低对输出电容的要求。该器件还提供全新的相位交错策略和动态切相功能,可提升不同负载条件下的效率。VCORE 压摆率和电压定位的可调节控制符合 AMD SVI3 标准。此外,该器件还支持 PMBus 通信接口,可向系统报告遥测的电压、电流、功率、温度和故障状况。所有可编程参数均可通过 PMBus 接口进行配置,而且可作为新的默认值存储在 NVM 中,以尽可能减少外部组件数量。

TPS53685 器件采用热增强型 40 引脚 QFN 封装,额定工作温度为 –40°C 至 125°C。

  • 输入电压范围:4.5V 至 17V
  • 输出电压范围:0.25V 至 5.5V
  • 支持 N+M ≤ 8 相、M ≤ 4 相的双路输出
  • 自带跨电感稳压器 (TLVR) 拓扑支持
  • 符合 AMD SVI3 标准
  • 增强型 D-CAP+™ 控制可提供卓越的瞬态性能和出色的动态电流共享
  • 可编程环路补偿
  • 灵活的相位触发时序控制
  • 单独的相电流校准和报告
  • 可通过可编程电流阈值实现动态切相,从而提高轻负载和重负载下的效率
  • 快速增相可实现下冲衰减
  • 无驱动器配置,有助于实现高效的高频开关
  • 与 TI NexFET™ 功率级完全兼容,可实现高密度解决方案
  • 精确可调电压定位
  • 获得专利的 AutoBalance™ 相电流平衡
  • 每相位电流限值可选
  • PMBus™ 系统接口,用于遥测电压、电流、功率、温度和故障条件
  • 5.00 × 5.00 mm、 40 引脚 0.4 mm 间距 QFN 封装
Vin (min) (V)4.5
Vin (max) (V)17
Vout (min) (V)0.25
Vout (max) (V)5.5
Iout (max) (A)765
Iq (typ) (mA)60
Switching frequency (min) (kHz)300
Switching frequency (max) (kHz)1500
FeaturesAdjustable current limit, Dynamic Voltage Scaling, Enable, Light Load Efficiency, Multiple Outputs, Output discharge, PMBus, Phase Interleaving, Power good, Pre-Bias Start-Up, Remote Sense, Synchronous Rectification, UVLO adjustable, Voltage Margining
Operating temperature range (°C)-40 to 105
Regulated outputs (#)2
Number of phases8
RatingCatalog
Control modeD-CAP+
TypeController
WQFN (RSB)4025 mm² 5 x 5
产品购买
  • 商品型号
  • 封装
  • 工作温度
  • 包装
  • 价格
  • 现货库存
  • 操作

很抱歉,暂时无法提供与“TPS53685”系列相匹配的产品,您可以联系专属客服快速找货或在现货搜索框中重新搜索。

10s
温馨提示:
订单商品问题请移至我的售后服务提交售后申请,其他需投诉问题可移至我的投诉提交,我们将在第一时间给您答复
返回顶部