h1_key

TI(德州仪器) LMG3522R030
德州仪器 (TI) 全系列产品在线购买
  • TI(德州仪器) LMG3522R030
  • TI(德州仪器) LMG3522R030
  • TI(德州仪器) LMG3522R030
  • TI(德州仪器) LMG3522R030
  • TI(德州仪器) LMG3522R030
  • TI(德州仪器) LMG3522R030
立即查看
您当前的位置: 首页 > 电源管理 > 氮化镓 (GaN) IC > LMG3522R030
LMG3522R030

LMG3522R030

正在供货

具有集成驱动器、保护和温度报告功能的 650V 30mΩ GaN FET

产品详情
  • 说明
  • 特性
  • 参数
  • 封装 | 引脚 | 尺寸

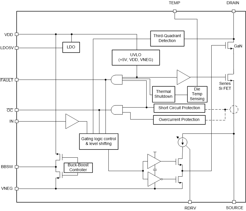
LMG3522R030 GaN FET 具有集成式驱动器和保护功能,适用于开关模式电源转换器,可让设计人员实现更高水平的功率密度和效率。

LMG3522R030 集成了一个硅驱动器,可实现高达 150V/ns 的开关速度。与分立式硅栅极驱动器相比,TI 的集成式精密栅极偏置可实现更高的开关 SOA。这种集成特性与 TI 的低电感封装技术相结合,可在硬开关电源拓扑中提供干净的开关和超小的振铃。可调栅极驱动强度允许将压摆率控制在 20V/ns 至 150V/ns 之间,这可用于主动控制 EMI 并优化开关性能。

高级电源管理功能包括数字温度报告和故障检测。GaN FET 的温度通过可变占空比 PWM 输出进行报告,这可简化器件加载管理。报告的故障包括过热、过流和 UVLO 监控。

  • 具有集成栅极驱动器的 650V GaN-on-Si FET
    • 集成高精度栅极偏置电压
    • 200V/ns FET 释抑
    • 23.6MHz 开关频率
    • 20V/ns 至 150V/ns 压摆率,用于优化开关性能和缓解 EMI
    • 在 7.5V 至 18V 电源下工作
  • 强大的保护
    • 响应时间少于 100ns 的逐周期过流和锁存短路保护
    • 硬开关时可承受 720V 浪涌
    • 针对内部过热和 UVLO 监控的自我保护
  • 高级电源管理
    • 数字温度 PWM 输出
  • 顶部冷却 12mm × 12mm VQFN 封装将电气路径和散热路径分开,可实现更低的电源环路电感
VDS (max) (V)650
RDS(on) (mΩ)30
ID (max) (A)55
FeaturesCycle-by-cycle overcurrent protection, Latched overcurrent protection, Overtemperature protection, PWM temperature reporting, Top-side cooled
RatingCatalog
Operating temperature range (°C)-40 to 150
VQFN (RQS)52144 mm² 12 x 12
产品购买
  • 商品型号
  • 封装
  • 工作温度
  • 包装
  • 价格
  • 现货库存
  • 操作

很抱歉,暂时无法提供与“LMG3522R030”系列相匹配的产品,您可以联系专属客服快速找货或在现货搜索框中重新搜索。

10s
温馨提示:
订单商品问题请移至我的售后服务提交售后申请,其他需投诉问题可移至我的投诉提交,我们将在第一时间给您答复
返回顶部