h1_key

TI(德州仪器) LMR51420
德州仪器 (TI) 全系列产品在线购买
  • TI(德州仪器) LMR51420
  • TI(德州仪器) LMR51420
  • TI(德州仪器) LMR51420
  • TI(德州仪器) LMR51420
  • TI(德州仪器) LMR51420
  • TI(德州仪器) LMR51420
立即查看
您当前的位置: 首页 > 电源管理 > 直流/直流开关稳压器 > 降压稳压器 > LMR51420
LMR51420

LMR51420

正在供货

具有 40µA IQ 的 4.5V 至 36V、2A 同步降压 SIMPLE SWITCHER® 电源转换器

产品详情
  • 说明
  • 特性
  • 参数
  • 封装 | 引脚 | 尺寸

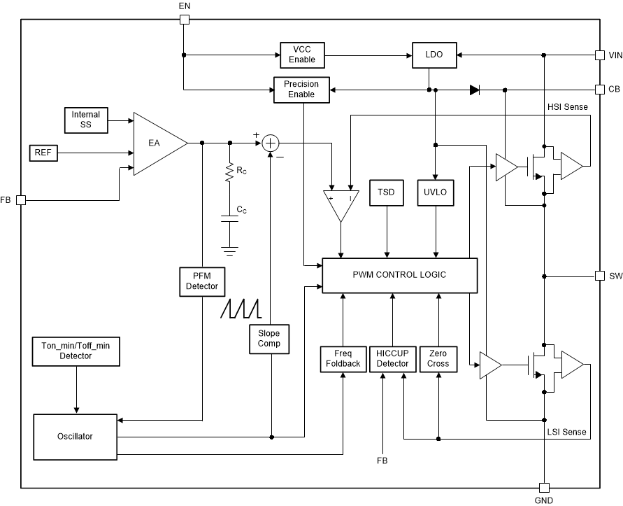
LMR51420 是一款简单易用的宽 VIN SIMPLE SWITCHER 电源转换器同步降压转换器,能够驱动高达 2A 的负载电流。该器件具有 4.5 V 至 36V 的宽输入范围,适用于从非稳压源进行电源调节的各种工业应用。

LMR51420 以 500kHz 和 1.1MHz 的开关频率运行,支持使用相对较小的电感器,以实现更好的解决方案尺寸。该器件具有可在轻负载时实现高效率的 PFM 版本和实现恒定频率的 FPWM 版本,并可在整个负载范围内实现低输出电压纹波。软启动和补偿电路在内部实现,从而更大限度地减少了器件所用的外部元件。

该器件内置保护功能,例如逐周期电流限制、断续模式短路保护以及功耗过大情况下的热关断功能。 LMR51420 采用 6 引脚 SOT-23 封装。

  • 功能安全型
    • 有助于进行功能安全系统设计的文档
  • 专用于条件严苛的工业应用
    • 4.5V 至 36V 输入电压范围
    • 2A 持续输出电流
    • 最短打开时间:70 ns
    • 500kHz 和 1.1MHz 的固定开关频率选项
    • -40°C 至 150°C 的结温范围
    • 98% 最大占空比
    • 带预偏置输出的启动
    • 具有断续模式的内部短路保护
    • ±1.5% 容差电压基准
    • 精密使能
  • 解决方案小巧且易于使用
    • 集成同步整流
    • 内置补偿功能,便于使用
    • SOT-23 封装
  • 与 TPS54202 和 TPS54302 引脚对引脚兼容
  • 提供 PFM 和强制 PWM (FPWM) 选项
  • 使用 LMR51420 并借助 WEBENCH Power Designer 创建定制设计方案
Vin (min) (V)4.5
Vin (max) (V)36
Vout (min) (V)0.6
Vout (max) (V)34.2
Iout (max) (A)2
Iq (typ) (mA)0.04
Switching frequency (min) (kHz)500
Switching frequency (max) (kHz)1100
FeaturesEnable, Forced PWM, Light Load Efficiency, Over Current Protection, Synchronous Rectification
Operating temperature range (°C)-40 to 150
RatingCatalog
TI functional safety categoryFunctional Safety-Capable
Regulated outputs (#)1
Control modecurrent mode
Duty cycle (max) (%)98
TypeConverter
SOT-23-THN (DDC)68.12 mm² 2.9 x 2.8
产品购买
  • 商品型号
  • 封装
  • 工作温度
  • 包装
  • 价格
  • 现货库存
  • 操作
10s
温馨提示:
订单商品问题请移至我的售后服务提交售后申请,其他需投诉问题可移至我的投诉提交,我们将在第一时间给您答复
返回顶部