h1_key

TI(德州仪器) TPS62442-Q1
德州仪器 (TI) 全系列产品在线购买
  • TI(德州仪器) TPS62442-Q1
  • TI(德州仪器) TPS62442-Q1
  • TI(德州仪器) TPS62442-Q1
  • TI(德州仪器) TPS62442-Q1
  • TI(德州仪器) TPS62442-Q1
  • TI(德州仪器) TPS62442-Q1
立即查看
您当前的位置: 首页 > 电源管理 > 直流/直流开关稳压器 > 降压稳压器 > TPS62442-Q1
TPS62442-Q1

TPS62442-Q1

正在供货

具有可调频率的汽车类 2.75V 至 6V 双路 2A 或 3A/1A 输出降压转换器

产品详情
  • 说明
  • 特性
  • 参数
  • 封装 | 引脚 | 尺寸

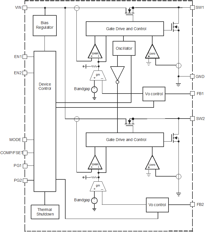
TPS6244x-Q1 系列是引脚对引脚双路 1A、双路 2A 或 3A 和 1A 高效且易于使用的同步直流/直流降压转换器。它们基于峰值电流模式控制拓扑,这些器件专为信息娱乐系统和高级驾驶辅助系统等汽车应用而设计。低阻开关可在高环境温度下支持高达 3A 的持续输出电流和高达 4A 的最大总输出电流。用户可通过外部方式在 1.8MHz 至 4MHz 范围内调节开关频率,亦可在该频率范围内将其同步至频率为 2MHz 至 4MHz 的外部时钟。在 PWM 和 PFM 模式下, TPS6244x-Q1 会在轻负载时自动进入省电模式,从而在整个负载范围内保持高效率。 TPS6244x-Q1 可在 PWM 模式下提供 1% 的输出电压精度,这有助于实现具有高输出电压精度的电源设计。

TPS6244x-Q1 提供了可调节电压版本,采用 VQFN 封装。

  • 符合面向汽车应用的 AEC-Q100 标准
    • 器件温度等级 1: –40°C 至 +125°C TA
  • 提供功能安全型
    • 可帮助进行功能安全系统设计的文档
  • 输入电压范围:2.75V 至 6V
  • 双通道输出,输出电压范围为 0.6V 至 5.5V
  • 输出电压精度为 ±1%(PWM 操作)
  • 强制 PWM 或 PWM 和 PFM 操作
  • 可调开关频率为 1.8MHz 至 4MHz
  • 两个精密使能输入可实现:
    • 用户定义的欠压锁定
    • 准确排序
  • 具有窗口比较器的两个电源正常输出
  • 180° 相移运行
  • 100% 占空比模式
  • 有源输出放电
  • 可选展频时钟
  • 可选折返过流保护
  • TJ = -40°C 至 +150°C
  • 具有可湿性侧面的 2.3mm × 2.7mm QFN 封装
Vin (min) (V)2.75
Vin (max) (V)6
Vout (min) (V)0.6
Vout (max) (V)5.5
Iout (max) (A)4
Iq (typ) (mA)0.022
Switching frequency (min) (kHz)1800
Switching frequency (max) (kHz)4000
EMI featuresLow parasitic Hotrod packaging, Spread Spectrum
FeaturesEnable, Output discharge, Power good, Spread Spectrum, Wettable flanks package
Operating temperature range (°C)-40 to 125
RatingAutomotive
TI functional safety categoryFunctional Safety-Capable
Regulated outputs (#)2
Control modecurrent mode
Duty cycle (max) (%)100
TypeConverter
VQFN-HR (RQR)146.21 mm² 2.7 x 2.3
产品购买
  • 商品型号
  • 封装
  • 工作温度
  • 包装
  • 价格
  • 现货库存
  • 操作
10s
温馨提示:
订单商品问题请移至我的售后服务提交售后申请,其他需投诉问题可移至我的投诉提交,我们将在第一时间给您答复
返回顶部