h1_key

TI(德州仪器) LM5143
德州仪器 (TI) 全系列产品在线购买
  • TI(德州仪器) LM5143
  • TI(德州仪器) LM5143
  • TI(德州仪器) LM5143
  • TI(德州仪器) LM5143
  • TI(德州仪器) LM5143
  • TI(德州仪器) LM5143
立即查看
您当前的位置: 首页 > 电源管理 > 直流/直流开关稳压器 > 降压稳压器 > LM5143
LM5143

LM5143

正在供货

具有超低 IQ 的 3.5V 至 65V 双路输出、可堆叠、同步降压直流/直流控制器

产品详情
  • 说明
  • 特性
  • 参数
  • 封装 | 引脚 | 尺寸

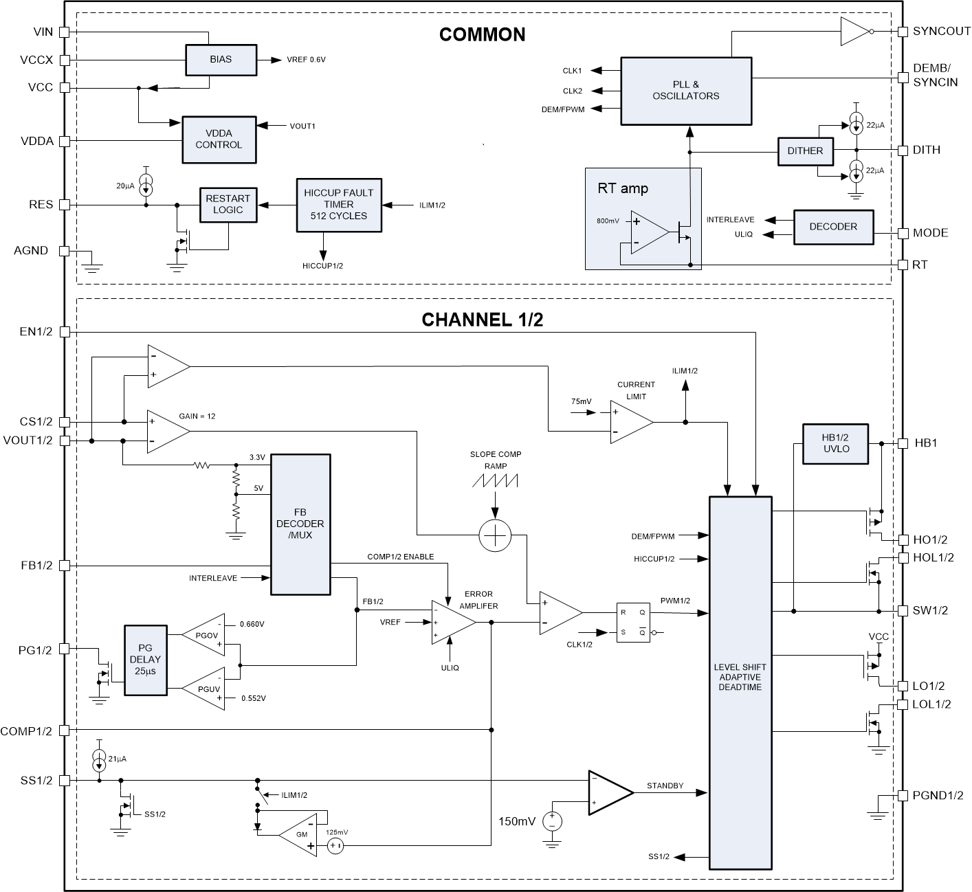
LM5143 是一款 65V 同步降压直流/直流控制器,适用于高电流单路或双路输出。该器件源自宽 VIN 范围控制器系列,采用交错式可堆叠峰值电流模式控制架构,可实现简单环路补偿、快速瞬态响应、优异的负载和线路调节能力,并可通过用于高输出电流的并联相位实现精确的电流共享。65 ns 的高侧开关超短导通时间有助于获得大降压比,支持从 12V、24V 或 48V 输入到低电压轨的直接降压转换,从而降低系统复杂性和成本。 LM5143 在输入电压突降至 3.5V 时,仍能根据需要以接近 100% 的占空比继续工作。

15 µA 空载静态电流及稳压输出电压可延长电池供电系统的工作运行时间。利用开关稳压器的输出或其他可用电源为 LM5143 供电,可实现更低的输入静态电流和功率损耗。

  • 提供功能安全
    • 有助于进行功能安全系统设计的文档
  • 多功能同步降压直流/直流控制器
    • 宽输入电压范围为 3.5V 至 65V
    • 1% 精度、3.3V/5V 固定电压或 0.6V 至 55V 可调输出电压
    • 150°C 最大结温
    • 4 µA 典型关断模式电流
    • 15 µA 典型空载待机电流
  • 两个交错式同步降压通道
    • 双通道或单输出多相
    • 65 ns tON(min),可实现高 VIN/VOUT
    • 60 ns tOFF(min),可实现低压降
  • 固有保护特性,可实现稳健设计
    • 分流或电感器 DCR 电流感测
    • 断续模式过流保护
    • 独立的使能和 PGOOD 功能
    • 可调节输出电压软启动
    • VCC、VDDA 和栅极驱动 UVLO 保护
    • 具有迟滞功能的热关断保护
  • 针对 CISPR 11 和 CISPR 32 B 级传导和辐射 EMI 要求进行了优化
    • 由压摆率控制的自适应栅极驱动器
    • 扩频可降低峰值发射
  • 100 kHz 至 2.2 MHz 开关频率
    • 同步输入和同步输出功能
    • 可选二极管仿真或 FPWM 模式
  • 6mm × 6mm VQFN-40 封装
  • 使用 LM5143 并借助 WEBENCH Power Designer WEBENCH Power Designer 创建定制设计方案
Vin (min) (V)3.5
Vin (max) (V)65
Vout (min) (V)0.6
Vout (max) (V)55
Iout (max) (A)100
Iq (typ) (mA)0.0165
Switching frequency (min) (kHz)100
Switching frequency (max) (kHz)2200
EMI featuresSpread Spectrum
FeaturesAdjustable current limit, Enable, Frequency synchronization, Light Load Efficiency, Multiple Outputs, Phase Interleaving, Power good, Pre-Bias Start-Up, Spread Spectrum, Synchronous Rectification, UVLO adjustable
Operating temperature range (°C)-40 to 150
Regulated outputs (#)2
TI functional safety categoryFunctional Safety-Capable
Number of phases2
RatingCatalog
Control modecurrent mode
TypeController
VQFN (RHA)4036 mm² 6 x 6
产品购买
  • 商品型号
  • 封装
  • 工作温度
  • 包装
  • 价格
  • 现货库存
  • 操作
10s
温馨提示:
订单商品问题请移至我的售后服务提交售后申请,其他需投诉问题可移至我的投诉提交,我们将在第一时间给您答复
返回顶部