h1_key

TI(德州仪器) LMR54406
德州仪器 (TI) 全系列产品在线购买
  • TI(德州仪器) LMR54406
  • TI(德州仪器) LMR54406
  • TI(德州仪器) LMR54406
  • TI(德州仪器) LMR54406
  • TI(德州仪器) LMR54406
  • TI(德州仪器) LMR54406
立即查看
您当前的位置: 首页 > 电源管理 > 直流/直流开关稳压器 > 降压稳压器 > LMR54406
LMR54406

LMR54406

正在供货

具有 4V 至 36V 输入、0.6A 同步降压和 80µA IQ 的 SIMPLE SWITCHER® 电源转换器

产品详情
  • 说明
  • 特性
  • 参数
  • 封装 | 引脚 | 尺寸

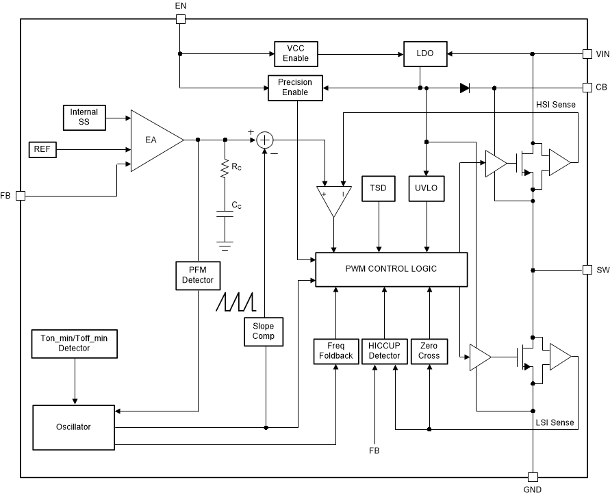
LMR544xx 是一款简单易用的宽 VIN 同步降压转换器,能够驱动高达 1A 和 0.6A 的负载电流。该器件具有 4V 至 36V 的宽输入范围,适用于从非稳压源进行电源调节的各种工业应用。

LMR544xx 以 1.1MHz 的开关频率运行,支持使用相对较小的电感器,从而实现经优化的解决方案尺寸。它具有可在轻负载时实现高效率的 PFM 版本和实现恒定频率的 FPWM 版本,并可在整个负载范围内实现低输出电压纹波。在内部实现了软启动和补偿电路,从而更大限度地减少了器件所用的外部元件。

该器件内置保护功能,例如逐周期电流限制、断续模式短路保护以及功耗过大的情况下的热关断功能。

  • 提供功能安全
    • 有助于进行功能安全系统设计的文档
  • 专用于条件严苛的工业应用
    • 4V 至 36V 输入电压范围
    • 可承受高达 50V 的短路 VIN 瞬态电压
    • 0.6A/1A 持续输出电流
    • 最短打开时间:60ns
    • 1.1MHz 固定开关频率
    • -40°C 至 150°C 的结温范围
    • 98% 最大占空比
    • 具有预偏置输出的单调启动
    • 具有断续模式的短路保护
    • 精密使能端
    • ±1% 容差电压基准
  • 解决方案小巧且易于使用
    • 集成同步整流
    • 内置补偿功能,便于使用
    • SOT-23 封装
  • 与 LMR14010A、LMR50410 和 TPS560430 引脚对引脚兼容
  • 采用引脚到引脚兼容封装的各种选项
    • PFM 和强制 PWM (FPWM) 选项
Vin (min) (V)4
Vin (max) (V)36
Vout (min) (V)1
Vout (max) (V)28
Iout (max) (A)0.6
Iq (typ) (mA)0.08
Switching frequency (min) (kHz)935
Switching frequency (max) (kHz)1265
FeaturesEnable, Forced PWM, Light Load Efficiency, Over Current Protection, Soft Start Fixed, Synchronous Rectification, UVLO Fixed
Operating temperature range (°C)-40 to 125
RatingCatalog
Regulated outputs (#)1
Control modecurrent mode
Duty cycle (max) (%)98
TypeConverter
SOT-23 (DBV)68.12 mm² 2.9 x 2.8
产品购买
  • 商品型号
  • 封装
  • 工作温度
  • 包装
  • 价格
  • 现货库存
  • 操作
10s
温馨提示:
订单商品问题请移至我的售后服务提交售后申请,其他需投诉问题可移至我的投诉提交,我们将在第一时间给您答复
返回顶部