h1_key

TI(德州仪器) TPSM8A29
德州仪器 (TI) 全系列产品在线购买
  • TI(德州仪器) TPSM8A29
  • TI(德州仪器) TPSM8A29
  • TI(德州仪器) TPSM8A29
  • TI(德州仪器) TPSM8A29
  • TI(德州仪器) TPSM8A29
  • TI(德州仪器) TPSM8A29
立即查看
您当前的位置: 首页 > 电源管理 > 直流/直流开关稳压器 > 降压稳压器 > TPSM8A29
TPSM8A29

TPSM8A29

正在供货

具有差分遥感功能的 2.7V 至 16V 输入、15A 降压电源模块

产品详情
  • 说明
  • 特性
  • 参数
  • 封装 | 引脚 | 尺寸

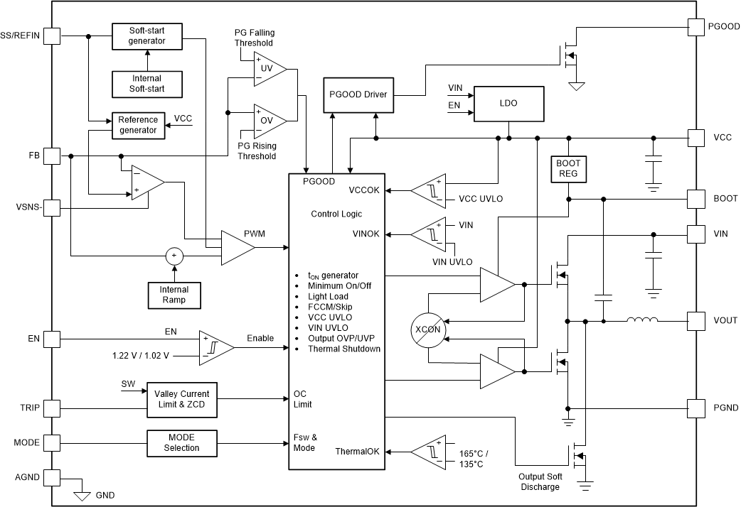
TPSM8A28 和 TPSM8A29 降压电源模块具有小尺寸和高效率。此模块系列包含集成电感器和基本无源器件,不需要外部补偿,可更大程度地减小解决方案尺寸。

特性包括差分遥感功能、高性能集成 MOSFET、高精度 0.6V 电压基准、D-CAP3™ 控制模式、可选跳跃模式和可编程软启动。

TPSM8A28 和 TPSM8A29 无铅、完全符合 RoHS 标准,无需豁免。

  • TPSM8A28:输入电压范围为 3V 至 16V,电流高达 12A
  • TPSM8A29:输入电压范围为 4V 至 16V,电流高达 15A
  • 输入范围为 2.7V 至 16V 时,外部偏压范围为 4.75 V 至 5.3 V
  • 输出电压范围:0.6V 至 5.5V
  • 集成 MOSFET、电感器和基本无源器件
  • 在 D-CAP3™ 控制模式下可提供快速负载阶跃响应
  • 支持所有陶瓷输出电容器
  • 0.6V 基准电压,±1% 容差(在 –40°C 至 +125°C 的结温范围内)
  • 可选 FCCM 或自动跳跃 Eco-mode™ 可实现较高的轻负载效率
  • 通过 RTRIP 实现可编程电流限制
  • 引脚可选开关频率:600kHz、800kHz、1MHz
  • 可实现高输出精度的差分遥感功能
  • 可编程软启动时间
  • 外部基准输入,用于跟踪
  • 预偏置启动功能
  • 开漏电源正常状态输出
  • 在发生 OC 和 UV 故障时进入断续模式,在发生 OV 故障时进入闭锁模式
  • 6.5mm × 7.5mm × 4.0mm,RDG 封装
  • 完全符合 RoHS 标准,无需豁免
Iout (max) (A)15
Vin (min) (V)2.7
Vin (max) (V)16
Vout (min) (V)0.5
Vout (max) (V)5.5
Soft startAdjustable
FeaturesEnable, Light Load Efficiency, Overcurrent protection, Power good, Remote Sense
Operating temperature range (°C)-40 to 125
Iq (typ) (mA)0.68
Regulated outputs (#)1
Switching frequency (max) (kHz)1000
Switching frequency (min) (kHz)600
Duty cycle (max) (%)87
TopologyBuck
TypeModule
RatingCatalog
Control modeD-CAP3
B3QFN (RDG)2548.75 mm² 7.5 x 6.5
产品购买
  • 商品型号
  • 封装
  • 工作温度
  • 包装
  • 价格
  • 现货库存
  • 操作
10s
温馨提示:
订单商品问题请移至我的售后服务提交售后申请,其他需投诉问题可移至我的投诉提交,我们将在第一时间给您答复
返回顶部